Części
Maszyny
Kontakt
Home
Maszyny
Młot udarowo-obrotowy
Bosch
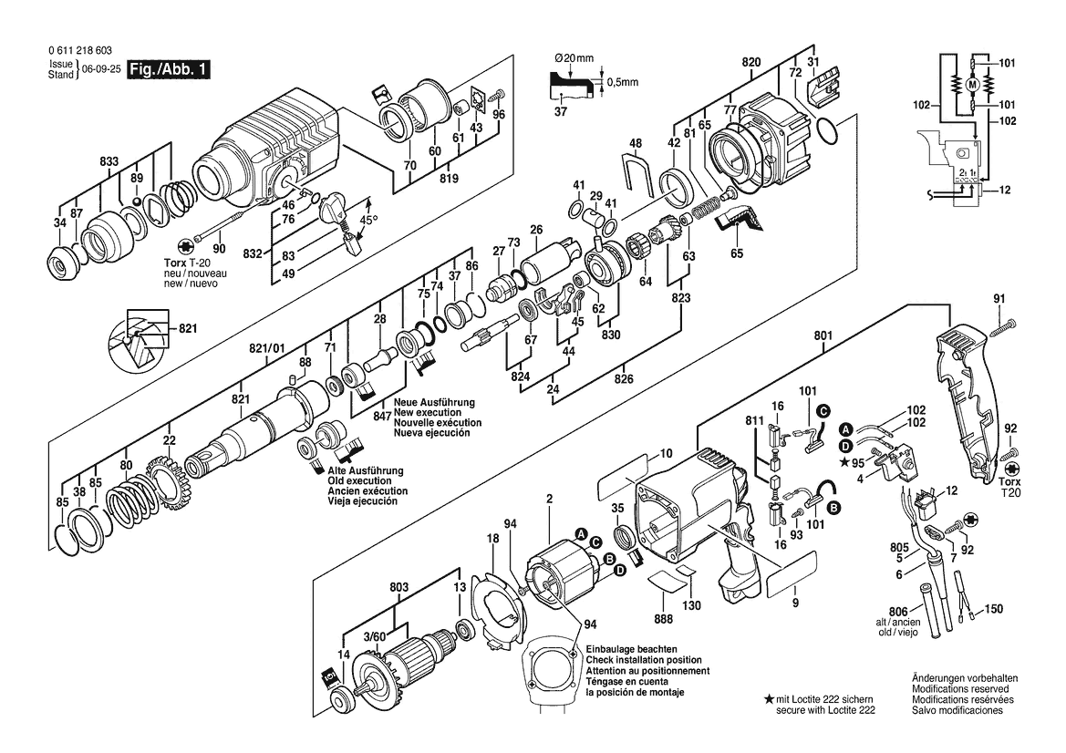
MŁOT UDAROWO-OBROTOWY GBH 2/24 DSE
0611218641 -
MŁOT UDAROWO-OBROTOWY Bosch GBH 2/24 DSE
100%
Poz:
2
4
5
6
7
9
10
12
13
14
16
18
22
26
27
28
29
31
34
35
37
38
41
42
43
44
45
46
48
49
60
61
62
63
64
65
67
70
71
72
73
74
75
76
77
80
81
83
85
86
87
88
89
90
91
92
93
94
95
96
101
102
120
121
122
123
150
3/60
700
701
711
720
724
750
755
801
803
806
811
819
820
821
823
824
826
830
832
833
847
865
888
700/20
821/01
701/700
711/10/2
95 części
Sortuj
Poz.
Nr kat.
Nazwa
Cena brutto
Ilość
Zamów
2
1614220105
Stojan
111,93 zł
1 szt.
4
2607200205
Wyłącznik
145,39 zł
1 szt.
5
1614460061
Przewód Zasil. Sieciowy
77,74 zł
1 szt.
6
2600703019
Końcówka
8,36 zł
1 szt.
7
1611035005
Uchwyt Przewodu
7,13 zł
1 szt.
9
1611110X33
Tabliczka Firmy
11,07 zł
1 szt.
10
1611110563
Tabliczka Informacyjna
11,07 zł
1 szt.
12
1617328025
Filtr Przeciwzakłóceniowy
18,08 zł
1 szt.
13
1610905025
Łożysko Kulkowe Zwykłe
18,08 zł
1 szt.
14
1610905048
Łożysko Kulkowe Zwykłe
20,66 zł
1 szt.
16
2604337016
Uchwyt Szczotek
4,06 zł
2 szt.
18
1610522009
Pierścień Kier. Powietrza
4,18 zł
1 szt.
22
1616317602
Koło Zębate Czołowe
39,36 zł
1 szt.
26
1618700062
TŁOK
49,45 zł
1 szt.
27
1618710057
Bijak
54,00 zł
1 szt.
28
1613124040
IGLICA
16,85 zł
1 szt.
29
1613105012
Trzpień Tłoka
11,07 zł
1 szt.
31
1615510003
Kratka Ochronna
8,49 zł
1 szt.
34
1610508008
Kołpak Ochronny
7,13 zł
1 szt.
35
1610206021
Pierścień Gumowy
5,29 zł
1 szt.
37
1610390017
Tulejka Tłumikowa
17,10 zł
1 szt.
38
1610102026
Tarcza Oporowa
8,49 zł
1 szt.
41
1610101011
Podkładka Dystansowa
5,29 zł
2 szt.
42
1610202015
Łożysko Ślizgowe
9,72 zł
1 szt.
43
1611098005
Blacha Zabezpieczająca
9,72 zł
1 szt.
44
1615820092
EL. STERUJĄCY
8,49 zł
1 szt.
45
1614651014
Sprężyna Łącząca
5,41 zł
1 szt.
46
1614690002
Kołek Zabierakowy
5,41 zł
1 szt.
48
1611016003
Blacha Trzymająca
7,26 zł
1 szt.
49
1612026035
Przycisk
5,41 zł
1 szt.
60
1610910073
Łożysko Igiełkowe
34,32 zł
1 szt.
61
1610910098
Tuleja Igłowa
11,19 zł
1 szt.
62
1610910074
Tuleja Igłowa
11,19 zł
1 szt.
63
1610910064
Tuleja Igłowa
Zapytaj
1 szt.
—
64
1610913010
Wieniec Iglic
13,90 zł
1 szt.
65
1610591016
Łożysko Ślizgowe
9,72 zł
1 szt.
67
1610905016
Łożysko Kulkowe Zwykłe
31,86 zł
1 szt.
70
1610283019
USZCZELKA
26,32 zł
1 szt.
71
1610290029
Zbierak
11,19 zł
1 szt.
72
1610210068
Pierścień Samouszczeln.
5,29 zł
1 szt.
73
1610210187
Pierścień Samouszczeln.
7,26 zł
1 szt.
74
1610210104
Pierścień Samouszczeln.
8,49 zł
1 szt.
75
1610210105
Pierścień Samouszczeln.
13,90 zł
1 szt.
76
1610210046
Pierścień Samouszczeln.
5,29 zł
1 szt.
77
1610210106
Pierścień Samouszczeln.
8,49 zł
1 szt.
80
1614634005
Sprężyna Dociskowa
5,41 zł
1 szt.
81
1614611009
Sprężyna Dociskowa
5,41 zł
1 szt.
83
1614611006
Sprężyna Dociskowa
11,19 zł
1 szt.
85
1614601011
Pierścień Sprężysty
5,41 zł
2 szt.
86
1614601024
Pierścień Sprężysty
5,41 zł
1 szt.
87
2916540012
Pierścień Sprężysty
Zapytaj
1 szt.
—
88
1613200007
Rolka
5,41 zł
3 szt.
89
1903230013
Kula
5,29 zł
1 szt.
90
1603435019
Wkręt Do Blach
Zapytaj
4 szt.
—
91
1603435051
Wkręt Do Blach
7,26 zł
1 szt.
92
1603435050
Wkręt Do Blach
5,29 zł
4 szt.
93
2910211005
Wkręt Do Blach
4,06 zł
4 szt.
94
2603435015
Wkręt Z Rowkiem Krzyżowym
4,06 zł
2 szt.
95
2603410001
Śruba Z Łbem Walcowym
5,29 zł
2 szt.
96
2912401018
Wkręt Do Blach
4,06 zł
1 szt.
101
1614465008
Filtr Przeciwzakłóceniowy
20,66 zł
2 szt.
102
2604448005
Przewód Elektryczny
5,29 zł
2 szt.
120
1612025019
Uchwyt Dodatkowy
20,66 zł
1 szt.
121
1618040048
Uchwyt Zaciskowy
28,78 zł
1 szt.
122
1613490002
Nitowkręt
9,59 zł
1 szt.
123
1611316006
Taśma Zawiesz. Z Naciąg.
8,36 zł
1 szt.
150
1900452012
Tuleja Końcowa Żyły
4,06 zł
2 szt.
3/60
1616610072
Wentylator
7,13 zł
1 szt.
700
1617000154
UCHWYT WIERTARSKI
110,33 zł
1 szt.
701
1608571088
Uchwyt Wiertarski
97,79 zł
1 szt.
711
1617000133
Zestaw Części
Zapytaj
1 szt.
—
720
2602025070
Uchwyt Dodatkowy
48,83 zł
1 szt.
724
1613001009
Ogran. Miernika Głębok.
11,07 zł
1 szt.
750
2605438294
Skrzynka Do Noszenia
Zapytaj
1 szt.
—
755
1618580000
KĄTOWA GŁOWICA WIERTARSKA
Zapytaj
1 szt.
—
801
1615108062
Kadłub Silnika
77,74 zł
1 szt.
803
1614010229
Twornik Z Wentylatorem
Zapytaj
1 szt.
—
806
2600703011
Końcówka
9,59 zł
1 szt.
811
1607014117
Szczotka Węglowa
26,32 zł
1 szt.
819
1615806093
Obudowa Przekładni
189,30 zł
1 szt.
820
1617000981
Kołnierz Pośredni
99,02 zł
1 szt.
821
1616490061
Tuleja Ustalająca
235,67 zł
1 szt.
823
1616328042
TULEJA ZĘBATA
147,48 zł
1 szt.
824
1617000518
Wał Zębaty
147,48 zł
1 szt.
826
1617000517
Wał Zębaty
311,68 zł
1 szt.
830
1615819018
Łożysko napędowe
238,99 zł
1 szt.
832
1612026037
Pokrętło
26,69 zł
1 szt.
833
1617000163
Tuleja Ochronna
26,32 zł
1 szt.
847
1617000348
Pierścień Prowadzący
49,45 zł
1 szt.
865
1610920007
Łoż. Kulkowe Zwykłe Wzdł.
Zapytaj
1 szt.
—
888
160111A3H5
Tabliczka Znamionowa
8,36 zł
1 szt.
700/20
2603421226
Wkręt Z Łbem Stożk. Płas.
5,29 zł
1 szt.
821/01
1616490060
Tuleja Ustalająca
307,13 zł
1 szt.
701/700
2607950007
KLUCZ DO UCHWYTU ZĘBATEGO
20,66 zł
1 szt.
711/10/2
2604601004
Pierścień Sprężysty
5,29 zł
1 szt.