Części
Maszyny
Kontakt
Home
Maszyny
Młot udarowo-obrotowy
Bosch
AKUM. MŁOT OBROTOWY GBH 36 V-LI Plus
3611J06050 -
AKUM. MŁOT OBROTOWY Bosch GBH 36 V-LI Plus
100%
Poz:
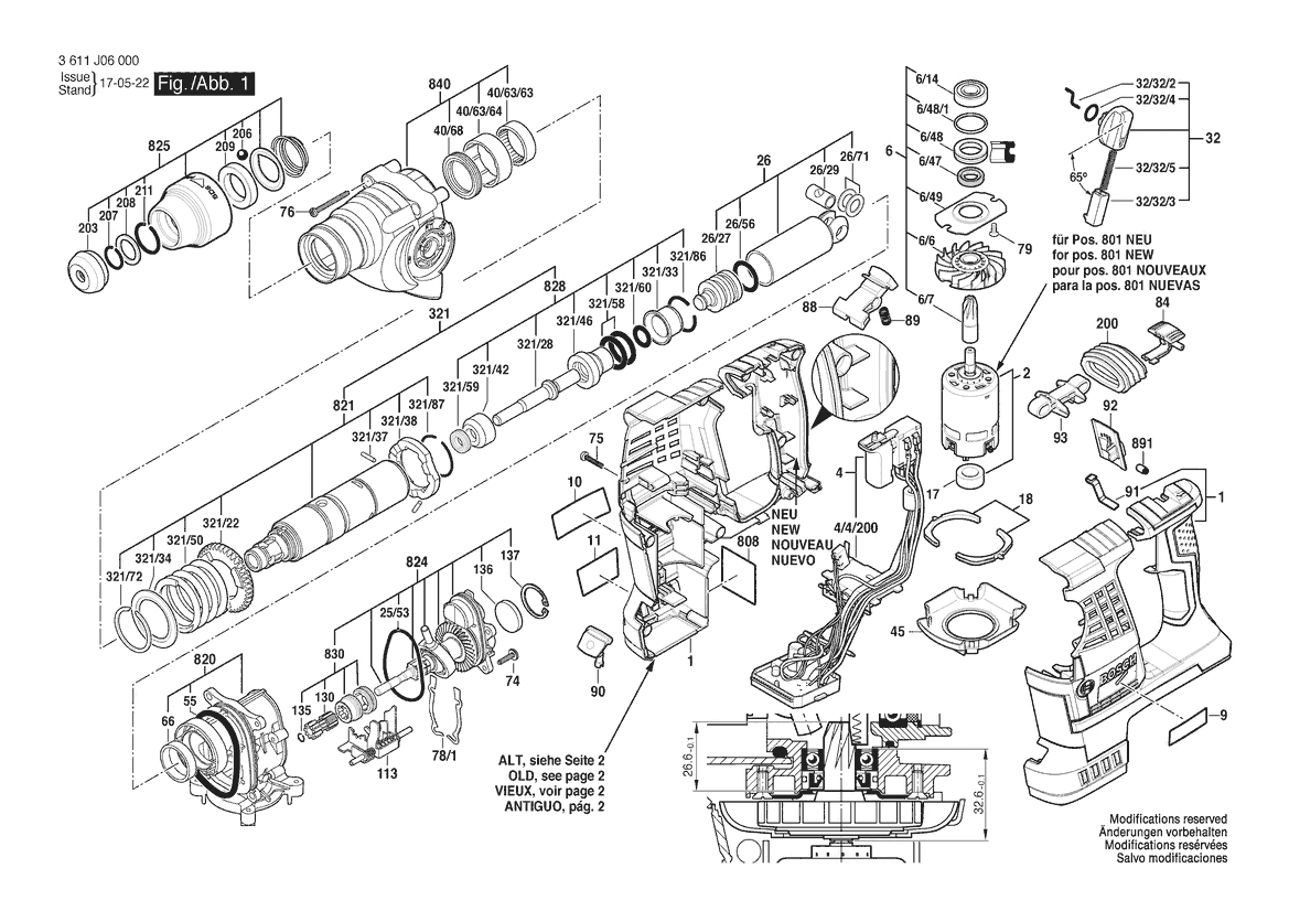
1
2
4
6
9
10
11
17
18
26
32
45
55
6/6
66
6/7
74
75
76
79
84
88
89
90
91
92
93
113
120
130
135
136
137
200
203
206
207
208
209
211
321
6/14
6/47
6/48
6/49
651
653
654
661
78/1
801
802
804
808
820
821
824
825
828
830
840
25/53
26/27
26/29
26/56
26/71
40/68
6/48/1
321/22
321/28
321/33
321/34
321/37
321/38
321/42
321/46
321/50
321/58
321/59
321/60
321/72
321/86
321/87
32/32/2
32/32/3
32/32/4
32/32/5
4/4/200
120/120
120/124
120/125
120/802
40/63/63
40/63/64
94 części
Sortuj
Poz.
Nr kat.
Nazwa
Cena brutto
Ilość
Zamów
1
16051082GT
Skorupa Obudowy
77,74 zł
1 szt.
2
1607022662
Silnik Prądu Stałego
454,98 zł
1 szt.
4
1600A00A4B
Moduł Elektroniczny
307,13 zł
1 szt.
6
1617000A5F
ZĘBATKA NAPĘDZAJĄCA
119,06 zł
1 szt.
9
160111C1CP
Tabliczka Firmy
8,36 zł
1 szt.
10
160111C1CN
Tabliczka Firmy
8,36 zł
1 szt.
11
161111C02G
Tabliczka Informacyjna
9,59 zł
1 szt.
17
1600A001HK
Pierścień Stykowy
7,13 zł
1 szt.
18
1600A001FP
Łoże Silnika
28,78 zł
2 szt.
26
16170006A5
TŁOK
85,24 zł
1 szt.
32
1612026151
Pokrętło
48,83 zł
1 szt.
45
1610591055
Pierścień Kier. Powietrza
5,29 zł
1 szt.
55
1610210206
Pierścień Uszczelniający
18,08 zł
1 szt.
6/6
1616610157
Wentylator
16,85 zł
1 szt.
66
1610202021
Łożysko Ślizgowe
8,36 zł
1 szt.
6/7
1600A01143
ZĘBATKA NAPĘDZAJĄCA
59,53 zł
1 szt.
74
160343000V
Wkręt Soczewkowy Torx
4,06 zł
4 szt.
75
2603490023
Wkręt Soczewkowy Torx
4,06 zł
9 szt.
76
2603490027
Wkręt Soczewkowy Torx
4,06 zł
4 szt.
79
1613435023
Śruba Do Gwint. Bezwiórk.
4,06 zł
2 szt.
84
1600A001E5
SUWAK PRZEŁĄCZNIKA
4,06 zł
1 szt.
88
1600A001CM
Przycisk
5,29 zł
1 szt.
89
1604612007
Sprężyna Dociskowa
7,13 zł
1 szt.
90
1600A001E3
Szyba Rozpraszająca
5,29 zł
1 szt.
91
1601200006
Sprężyna Płytkowa
4,06 zł
1 szt.
92
1600A001ED
Element Przełączający
7,13 zł
1 szt.
93
1600A0022Y
Prowadzenie
5,29 zł
1 szt.
113
1616325002
PRZEŁĄCZNIK
38,87 zł
1 szt.
120
160202508Y
Uchwyt Dodatkowy
77,74 zł
1 szt.
130
1616333049
TULEJA ZĘBATA
59,53 zł
1 szt.
135
1614601067
Pierścień Sprężysty
5,29 zł
1 szt.
136
1610205017
Tarcza Filcowa
4,06 zł
1 szt.
137
2916660012
Pierścień Zabezpieczajacy
5,29 zł
1 szt.
200
1600A001CL
Osłona Mieszkowa
16,85 zł
1 szt.
203
1610508047
Kołpak Ochronny
7,26 zł
1 szt.
206
1613230003
Kula
5,29 zł
1 szt.
207
1614601027
Pierścień Sprężysty
4,06 zł
1 szt.
208
1610101629
Tarcza Ustalająca
4,06 zł
1 szt.
209
1610102638
Podkładka Oporowa
11,07 zł
1 szt.
211
2916540012
Pierścień Sprężysty
Zapytaj
1 szt.
—
321
16170006CA
Uchwyt Narzędzia
235,67 zł
1 szt.
6/14
1610905044
Łożysko Kulkowe Zwykłe
28,78 zł
1 szt.
6/47
1610283047
PIERŚCIEN USZCZELNIAJĄCY
38,87 zł
1 szt.
6/48
1610290102
Pierścień Łożyskowy
20,66 zł
1 szt.
6/49
1615700044
POKRYWA ŁOŻYSKA
7,13 zł
1 szt.
651
1613001009
Ogran. Miernika Głębok.
11,07 zł
1 szt.
653
1607A3504R
Pakiet Akku
Zapytaj
1 szt.
—
654
2607225909
Szybka Ładowarka
454,98 zł
1 szt.
661
1615430010
Tubka Ze Smarem
18,08 zł
1 szt.
78/1
1600A003TA
Podkładka Regulacyjna
4,06 zł
1 szt.
801
16051082FG
Skorupa Obudowy
132,84 zł
1 szt.
802
1617000A5H
Silnik Prądu Stałego
377,24 zł
1 szt.
804
1600A011GZ
Moduł Elektroniczny
398,52 zł
1 szt.
808
160111A3H9
Tabliczka Znamionowa
8,36 zł
1 szt.
820
1617000A5J
Kołnierz Pośredni
110,33 zł
1 szt.
821
16170006C9
UCHWYT NARZĘDZIA
189,30 zł
1 szt.
824
1617000A5K
Wał Pośredni
235,67 zł
1 szt.
825
16170006CB
UCHWYT NARZĘDZIA
31,37 zł
1 szt.
828
1617000697
IGLICA
145,39 zł
1 szt.
830
1617000698
TULEJA ZĘBATA
110,33 zł
1 szt.
840
1617000699
KORPUS MECHANIZMU UDARU
97,79 zł
1 szt.
25/53
1610210245
Pierścień Samouszczeln.
9,59 zł
1 szt.
26/27
1610311019
Bijak
67,65 zł
1 szt.
26/29
1600A01TD0
Trzpień Tłoka
13,65 zł
1 szt.
26/56
1610210121
Pierścień Samouszczeln.
8,36 zł
1 szt.
26/71
1610100016
Tarcza Prowadząca
5,29 zł
2 szt.
40/68
1610283036
PIERŚCIEN USZCZELNIAJĄCY
26,32 zł
1 szt.
6/48/1
1610210208
Pierścień Samouszczeln.
5,29 zł
1 szt.
321/22
1616312004
Koło Zębate Czołowe
28,78 zł
1 szt.
321/28
1613124098
IGLICA
38,87 zł
1 szt.
321/33
1610590020
Tuleja Wspornika
20,66 zł
1 szt.
321/34
1610190067
Tarcza Oporowa
7,13 zł
1 szt.
321/37
1613100019
Kołek Walcowy
5,29 zł
3 szt.
321/38
1600A008AG
Płytka Ryglująca
11,07 zł
1 szt.
321/42
1610102084
Pierścień Rozruchowy
28,78 zł
1 szt.
321/46
1610390068
Tuleja Prowadząca
53,26 zł
1 szt.
321/50
1614615008
Sprężyna Dociskowa
18,08 zł
1 szt.
321/58
1610210105
Pierścień Samouszczeln.
13,90 zł
2 szt.
321/59
1600A009VC
USZCZELKA
9,59 zł
1 szt.
321/60
1610210209
Pierścień Samouszczeln.
5,29 zł
1 szt.
321/72
1604601027
Pierścień Sprężysty
4,06 zł
1 szt.
321/86
1614601034
Pierścień Sprężysty
7,13 zł
1 szt.
321/87
1604601028
Pierścień Sprężysty
4,06 zł
1 szt.
32/32/2
1614690009
Kołek Zabierakowy
11,07 zł
1 szt.
32/32/3
1612026035
Przycisk
5,41 zł
1 szt.
32/32/4
1610210046
Pierścień Samouszczeln.
5,29 zł
1 szt.
32/32/5
1614611006
Sprężyna Dociskowa
11,19 zł
1 szt.
4/4/200
1609280A56
Wspornik Kontaktu
43,91 zł
1 szt.
120/120
160202507H
Uchwyt Dodatkowy
33,83 zł
1 szt.
120/124
1611316021
Taśma Zawiesz. Z Naciąg.
9,59 zł
1 szt.
120/125
1613490001
Nitowkręt
28,78 zł
1 szt.
120/802
1617000685
Uchwyt Zaciskowy
16,85 zł
1 szt.
40/63/63
1600A001CN
Tuleja Igłowa
8,36 zł
1 szt.
40/63/64
1610390069
Tuleja
7,13 zł
1 szt.