Części
Maszyny
Kontakt
Home
Maszyny
Młot udarowo-obrotowy
Bosch
MŁOT UDAROWO-OBROTOWY ROTARY HAMMER
0611204048 -
MŁOT UDAROWO-OBROTOWY Bosch ROTARY HAMMER
100%
Poz:
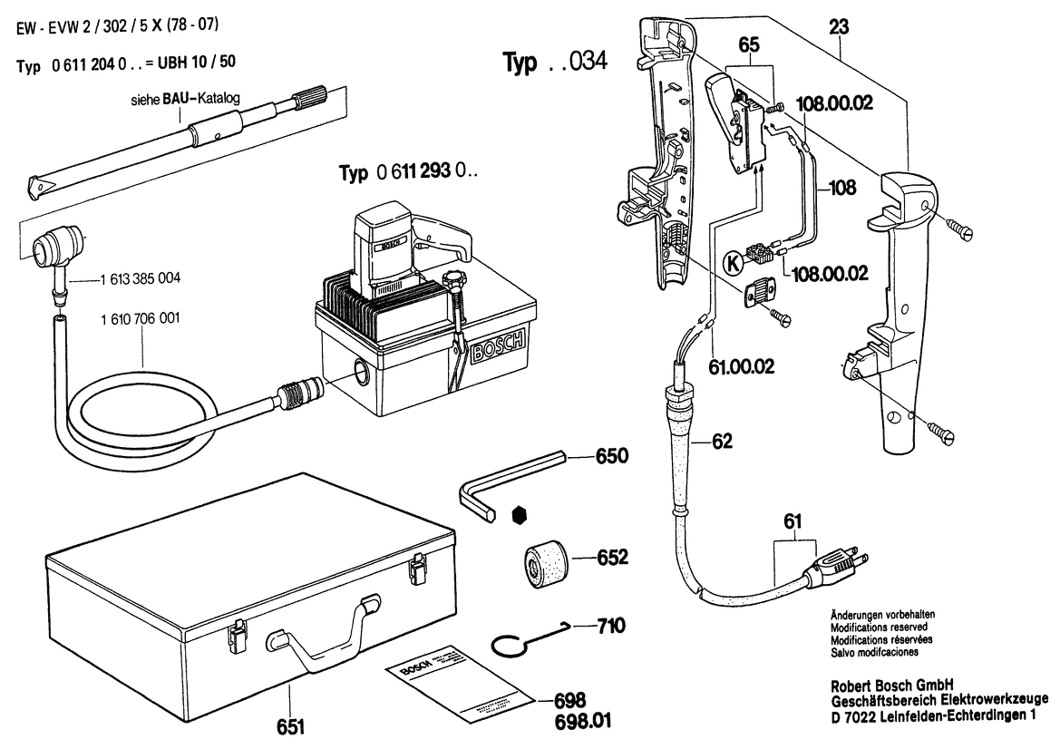
1
3
4
5
6
7
8
9
11
12
13
14
15
16
17
18
20
21
22
23
24
26
27
28
29
30
31
37
38
39
40
41
42
43
44
45
46
47
48
49
51
54
56
57
58
59
60
61
62
63
64
65
66
68
69
70
72
73
74
75
77
80
81
82
83
84
85
86
87
88
89
91
92
94
95
96
98
99
100
101
102
104
105
108
110
112
113
115
116
650
652
800
801
802
803
804
805
806
807
808
61/20
61/20/1
102 części
Sortuj
Poz.
Nr kat.
Nazwa
Cena brutto
Ilość
Zamów
1
1615106021
Kadłub Silnika
Zapytaj
1 szt.
—
3
1617000059
Stojan
Zapytaj
1 szt.
—
4
1614011019
Twornik
Zapytaj
1 szt.
—
5
1610108012
Uszczelka
5,29 zł
1 szt.
6
1610102013
Podkładka Regulacyjna
4,06 zł
1 szt.
7
1615805060
Kołnierz Łożyskowy
Zapytaj
1 szt.
—
8
1616610047
Wentylator
Zapytaj
1 szt.
—
9
1616110016
Wał Korbowy
Zapytaj
1 szt.
—
11
1616317017
Koło Zębate Czołowe
Zapytaj
1 szt.
—
12
1616328033
Koło Zębate Czołowe
Zapytaj
1 szt.
—
13
1611015012
Płytka Uszczelniająca
5,29 zł
1 szt.
14
1615808039
Pokrywa Przekładni
Zapytaj
1 szt.
—
15
1615500168
Pokrywa Zamykająca
7,13 zł
1 szt.
16
1615500276
Pokrywa Wentylatora
Zapytaj
1 szt.
—
17
1615500261
Pokrywa Wyłącznika
20,66 zł
1 szt.
18
1615500282
Pokrywa Zamykająca
Zapytaj
2 szt.
—
20
1614652000
Sprężyna Spiralna
Zapytaj
2 szt.
—
21
1612392001
Płytka Gumowa
Zapytaj
1 szt.
—
22
1612392000
Płytka Gumowa
Zapytaj
1 szt.
—
23
1615133025
Rękojeść
85,24 zł
1 szt.
24
1612025011
Uchwyt Dodatkowy
Zapytaj
1 szt.
—
26
1618710032
Bijak
Zapytaj
1 szt.
—
27
1618700026
TŁOK
Zapytaj
1 szt.
—
28
1615806022
Rura Prowadząca
Zapytaj
1 szt.
—
29
1615190002
CYLINDER
Zapytaj
1 szt.
—
30
1618598058
UCHWYT WIERTATSKI
Zapytaj
1 szt.
—
31
1615700012
Kołnierz Pośredni
Zapytaj
1 szt.
—
37
1610224001
Pierścień Mocujący
4,06 zł
1 szt.
38
1610114012
Tarcza Oporowa
33,83 zł
1 szt.
39
1616490002
Zabierak
Zapytaj
1 szt.
—
40
1612001022
Korbowód
Zapytaj
1 szt.
—
41
1610700016
Trzpień Tłoka
Zapytaj
1 szt.
—
42
1615500177
Pokrywa Zamykająca
Zapytaj
1 szt.
—
43
1616328029
Koło Zębate Czołowe
Zapytaj
1 szt.
—
44
1610209002
Pierścień Mocujący
Zapytaj
1 szt.
—
45
1616334005
Koło Talerzowe
Zapytaj
1 szt.
—
46
1614624009
Sprężyna Dociskowa
Zapytaj
1 szt.
—
47
1610100002
Podkładka
Zapytaj
1 szt.
—
48
1616334003
Koło Talerzowe
Zapytaj
1 szt.
—
49
1616325000
Zabierak
Zapytaj
1 szt.
—
51
1610102014
Podkładka Regulacyjna
Zapytaj
1 szt.
—
54
1610501028
Tuleja Łożyskowa
Zapytaj
1 szt.
—
56
1610300057
Sworzeń Lożyska
Zapytaj
1 szt.
—
57
160111A3H3
Tabliczka Znamionowa
8,36 zł
1 szt.
58
2917721034
Nitokołek Z Łbem Półokr.
4,06 zł
2 szt.
59
1613359000
Tuleja Prowadząca
Zapytaj
1 szt.
—
60
1613523005
Trzpień Mimośrodowy
Zapytaj
1 szt.
—
61
1607000227
Przewód Zasil. Sieciowy
85,24 zł
1 szt.
62
3600703011
Końcówka
8,36 zł
1 szt.
63
1611302006
Zacisk Mocujący
Zapytaj
1 szt.
—
64
1617328002
Filtr Przeciwzakłóceniowy
Zapytaj
1 szt.
—
65
1617200017
Przeł. Wejścia/Wyjścia
Zapytaj
1 szt.
—
66
1611091002
Zacisk Przyłączeniowy
4,06 zł
1 szt.
68
1610905001
Łożysko Kulkowe Zwykłe
48,83 zł
1 szt.
69
1610900013
Łożysko Kulkowe Zwykłe
33,83 zł
1 szt.
70
1610910049
Łożysko Igiełkowe
97,79 zł
1 szt.
72
1610910007
Łożysko Igiełkowe
67,65 zł
1 szt.
73
1610913001
Wieniec Iglic
Zapytaj
2 szt.
—
74
2916660024
Pierścień Zabezpieczajacy
16,85 zł
1 szt.
75
2916660013
UCHWYT
7,13 zł
1 szt.
77
2916660018
Pierścień Zabezpieczajacy
8,36 zł
1 szt.
80
2916680006
Pierścień Sprężysty
Zapytaj
2 szt.
—
81
1600150006
Podkładka Sprężysta
Zapytaj
2 szt.
—
82
2916680009
Pierścień Sprężysty
Zapytaj
4 szt.
—
83
1900210128
Pierścień Samouszczeln.
8,36 zł
1 szt.
84
1900210160
Pierścień Samouszczeln.
18,08 zł
1 szt.
85
1900210152
Pierścień Samouszczeln.
11,07 zł
1 szt.
86
1900210110
Pierścień Samouszczeln.
Zapytaj
1 szt.
—
87
1610210015
Pierścień Samouszczeln.
Zapytaj
1 szt.
—
88
3600210131
Pierścień Samouszczeln.
11,07 zł
2 szt.
89
1900210126
Pierścień Samouszczeln.
Zapytaj
1 szt.
—
91
2915061005
Nakrętka Sześciokątna
8,36 zł
1 szt.
92
1610190000
Kamień Ślizgowy
Zapytaj
1 szt.
—
94
1610550023
Sprężyna Talerzowa
Zapytaj
1 szt.
—
95
2910211011
Wkręt Do Blach
4,06 zł
5 szt.
96
2910021118
Śruba Z Łbem Walcowym
4,06 zł
2 szt.
98
1613412001
Wkręt Do Blach
5,29 zł
2 szt.
99
2910021204
Śruba Z Łbem Walcowym
Zapytaj
4 szt.
—
100
2910141199
Śr.Z Łb.Okr.O Gnieź.Sześ.
11,07 zł
12 szt.
101
2910141244
Śr.Z Łb.Okr.O Gnieź.Sześ.
5,41 zł
8 szt.
102
1614643000
Sprężyna Dociskowa
Zapytaj
1 szt.
—
104
1611110162
Tabliczka Firmy
Zapytaj
2 szt.
—
105
1601110058
Tabliczka Informacyjna
5,29 zł
1 szt.
108
1614437008
PRZEWÓD ŁĄCZĄCY
Zapytaj
2 szt.
—
110
2916601012
Pierścień Sprężysty
7,13 zł
1 szt.
112
1601110076
Tabliczka Naklejana
Zapytaj
1 szt.
—
113
2910011120
Śruba Z Łbem Walcowym
4,06 zł
2 szt.
115
1611110127
Tabliczka Informacyjna
Zapytaj
1 szt.
—
116
1611110126
Tabliczka Informacyjna
Zapytaj
1 szt.
—
650
1907950007
Śrubokręt Przegubowy
16,85 zł
1 szt.
652
1610508001
Pokrywa Zamykająca
Zapytaj
5 szt.
—
800
1617099000
TULEJA MŁOTA - ZESPÓŁ
Zapytaj
1 szt.
—
801
1617000013
Zestaw Uchwytów Narzędzi
Zapytaj
1 szt.
—
802
1617000014
BLOKADA -ZESPÓŁ
Zapytaj
1 szt.
—
803
1617000015
UCHWYT - ZESPÓŁ
Zapytaj
1 szt.
—
804
1617000020
Skrzynka Serwisowa
Zapytaj
1 szt.
—
805
1617031004
Zestaw Uszczelek
Zapytaj
1 szt.
—
806
1617000025
Zestaw Części
Zapytaj
1 szt.
—
807
1617031009
Stojan
Zapytaj
1 szt.
—
808
1617014110
Zestaw Szczotek Węglowych
59,53 zł
1 szt.
61/20
1900452012
Tuleja Końcowa Żyły
4,06 zł
2 szt.
61/20/1
1900452003
Tuleja Końcowa Żyły
5,29 zł
2 szt.