Części
Maszyny
Kontakt
Home
Maszyny
Młot udarowo-obrotowy
Bosch
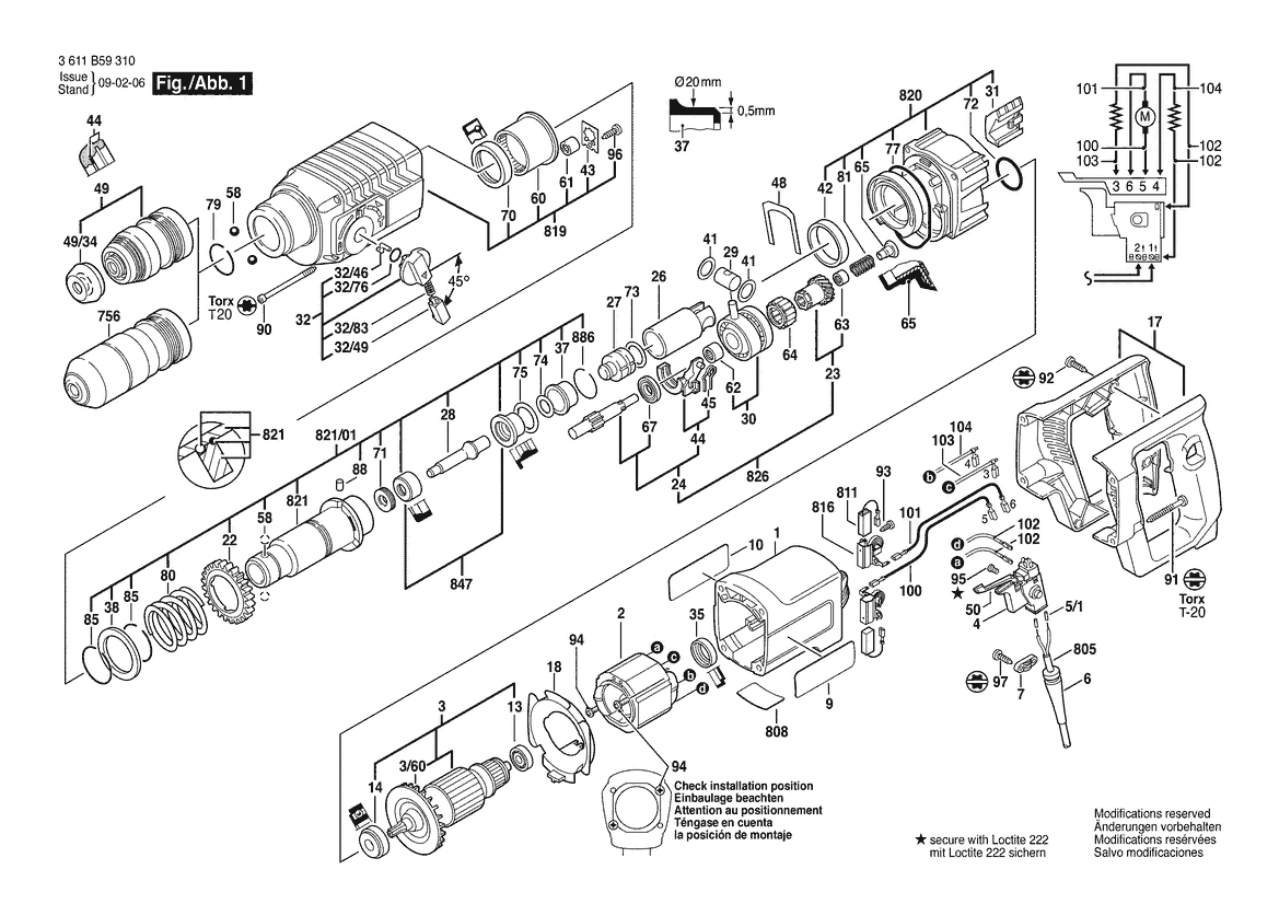
MŁOT UDAROWO-OBROTOWY 11224VSRC
3611B59310 -
MŁOT UDAROWO-OBROTOWY Bosch 11224VSRC
100%
Poz:
1
2
3
4
6
7
9
10
13
14
17
18
22
23
24
26
27
28
29
30
31
32
35
37
38
41
42
43
44
45
48
49
50
5/1
58
60
61
62
63
64
65
67
70
71
72
73
74
75
77
79
80
81
85
88
90
91
92
93
94
95
96
97
100
101
102
103
104
120
121
122
123
124
3/60
756
805
808
811
816
819
820
821
822
826
847
886
32/46
32/49
32/76
32/83
49/34
821/01
91 części
Sortuj
Poz.
Nr kat.
Nazwa
Cena brutto
Ilość
Zamów
1
1615108060
Kadłub Silnika
48,83 zł
1 szt.
2
1614220105
Stojan
111,93 zł
1 szt.
3
2610003331
Twornik
251,90 zł
1 szt.
4
1617200066
Wyłącznik
Zapytaj
1 szt.
—
6
2600703018
Końcówka
8,36 zł
1 szt.
7
2601035001
Uchwyt Przewodu
5,29 zł
1 szt.
9
1611110Y27
Tabliczka Firmy
Zapytaj
1 szt.
—
10
2610908994
TABLICZKA OSTRZEGAWCZA
Zapytaj
1 szt.
—
13
1610905025
Łożysko Kulkowe Zwykłe
18,08 zł
1 szt.
14
1610905048
Łożysko Kulkowe Zwykłe
20,66 zł
1 szt.
17
1615132053
Rękojeść
59,53 zł
1 szt.
18
1610522009
Pierścień Kier. Powietrza
4,18 zł
1 szt.
22
1616317602
Koło Zębate Czołowe
39,36 zł
1 szt.
23
1616328042
TULEJA ZĘBATA
147,48 zł
1 szt.
24
1617000518
Wał Zębaty
147,48 zł
1 szt.
26
1618700062
TŁOK
49,45 zł
1 szt.
27
1618710057
Bijak
54,00 zł
1 szt.
28
1613124052
IGLICA
34,32 zł
1 szt.
29
1613105012
Trzpień Tłoka
11,07 zł
1 szt.
30
1615819018
Łożysko napędowe
238,99 zł
1 szt.
31
1615510003
Kratka Ochronna
8,49 zł
1 szt.
32
1612026037
Pokrętło
26,69 zł
1 szt.
35
1610206021
Pierścień Gumowy
5,29 zł
1 szt.
37
1610390017
Tulejka Tłumikowa
17,10 zł
1 szt.
38
1610102026
Tarcza Oporowa
8,49 zł
1 szt.
41
1610101011
Podkładka Dystansowa
5,29 zł
2 szt.
42
1610202015
Łożysko Ślizgowe
9,72 zł
1 szt.
43
1611098005
Blacha Zabezpieczająca
9,72 zł
1 szt.
44
1615820092
EL. STERUJĄCY
8,49 zł
1 szt.
45
1614651014
Sprężyna Łącząca
5,41 zł
1 szt.
48
1611016003
Blacha Trzymająca
7,26 zł
1 szt.
49
1617000327
Uchwyt Szybkozmienny
251,90 zł
1 szt.
50
1617200062
Przełącznik
38,87 zł
1 szt.
5/1
1900452012
Tuleja Końcowa Żyły
4,06 zł
2 szt.
58
1903230010
Kula
4,06 zł
2 szt.
60
1610910073
Łożysko Igiełkowe
34,32 zł
1 szt.
61
1610910098
Tuleja Igłowa
11,19 zł
1 szt.
62
1610910074
Tuleja Igłowa
11,19 zł
1 szt.
63
1610910064
Tuleja Igłowa
Zapytaj
1 szt.
—
64
1610913010
Wieniec Iglic
13,90 zł
1 szt.
65
1610591016
Łożysko Ślizgowe
9,72 zł
1 szt.
67
1610905016
Łożysko Kulkowe Zwykłe
31,86 zł
1 szt.
70
1610283019
USZCZELKA
26,32 zł
1 szt.
71
1610290029
Zbierak
11,19 zł
1 szt.
72
1610210068
Pierścień Samouszczeln.
5,29 zł
1 szt.
73
1610210187
Pierścień Samouszczeln.
7,26 zł
1 szt.
74
1610210104
Pierścień Samouszczeln.
8,49 zł
1 szt.
75
1610210105
Pierścień Samouszczeln.
13,90 zł
1 szt.
77
1610210106
Pierścień Samouszczeln.
8,49 zł
1 szt.
79
1614601026
Pierścień Sprężysty
5,41 zł
1 szt.
80
1614634005
Sprężyna Dociskowa
5,41 zł
1 szt.
81
1614611009
Sprężyna Dociskowa
5,41 zł
1 szt.
85
1614601011
Pierścień Sprężysty
5,41 zł
2 szt.
88
1613200007
Rolka
5,41 zł
3 szt.
90
1603435036
Wkręt Do Blach
5,29 zł
4 szt.
91
1613435006
Wkręt Do Blach
5,29 zł
4 szt.
92
2603490023
Wkręt Soczewkowy Torx
4,06 zł
4 szt.
93
2910211005
Wkręt Do Blach
4,06 zł
4 szt.
94
2603435015
Wkręt Z Rowkiem Krzyżowym
4,06 zł
2 szt.
95
2603410001
Śruba Z Łbem Walcowym
5,29 zł
2 szt.
96
2912401018
Wkręt Do Blach
4,06 zł
1 szt.
97
2603490022
Śruba
4,06 zł
2 szt.
100
1614448033
PRZEWÓD ŁĄCZĄCY
5,29 zł
1 szt.
101
1614448032
PRZEWÓD ŁĄCZĄCY
5,29 zł
1 szt.
102
1614448028
PRZEWÓD ŁĄCZĄCY
5,29 zł
2 szt.
103
1614448030
PRZEWÓD ŁĄCZĄCY
5,29 zł
1 szt.
104
1614448031
PRZEWÓD ŁĄCZĄCY
5,29 zł
1 szt.
120
1612025019
Uchwyt Dodatkowy
20,66 zł
1 szt.
121
2608040176
Uchwyt Zaciskowy
20,66 zł
1 szt.
122
1613490002
Nitowkręt
9,59 zł
1 szt.
123
1611316006
Taśma Zawiesz. Z Naciąg.
8,36 zł
1 szt.
124
1613001009
Ogran. Miernika Głębok.
11,07 zł
1 szt.
3/60
1616610072
Wentylator
7,13 zł
1 szt.
756
1617000332
UCHWYT SZYBKOMOCUJĄCY
382,53 zł
1 szt.
805
3604460555
Przewód Zasil. Sieciowy
38,87 zł
1 szt.
808
2610954677
Tabliczka Znamionowa
Zapytaj
1 szt.
—
811
1617014127
Zestaw Szczotek Węglowych
31,37 zł
1 szt.
816
1614336022
Uchwyt Szczotek
9,59 zł
1 szt.
819
1615806093
Obudowa Przekładni
189,30 zł
1 szt.
820
1617000981
Kołnierz Pośredni
99,02 zł
1 szt.
821
1617000325
UCHWYT NARZĘDZIA
147,48 zł
1 szt.
822
2602025070
Uchwyt Dodatkowy
48,83 zł
1 szt.
826
1617000517
Wał Zębaty
311,68 zł
1 szt.
847
1617000348
Pierścień Prowadzący
49,45 zł
1 szt.
886
1614601024
Pierścień Sprężysty
5,41 zł
1 szt.
32/46
1614690002
Kołek Zabierakowy
5,41 zł
1 szt.
32/49
1612026035
Przycisk
5,41 zł
1 szt.
32/76
1610210046
Pierścień Samouszczeln.
5,29 zł
1 szt.
32/83
1614611006
Sprężyna Dociskowa
11,19 zł
1 szt.
49/34
1610508047
Kołpak Ochronny
7,26 zł
1 szt.
821/01
1617000326
UCHWYT NARZĘDZIA
255,84 zł
1 szt.