Części
Maszyny
Kontakt
Home
Maszyny
Młot udarowo-obrotowy
Bosch
GBH 24 VFR
0611246738 -
GBH 24 VFR Bosch GBH 24 VFR
100%
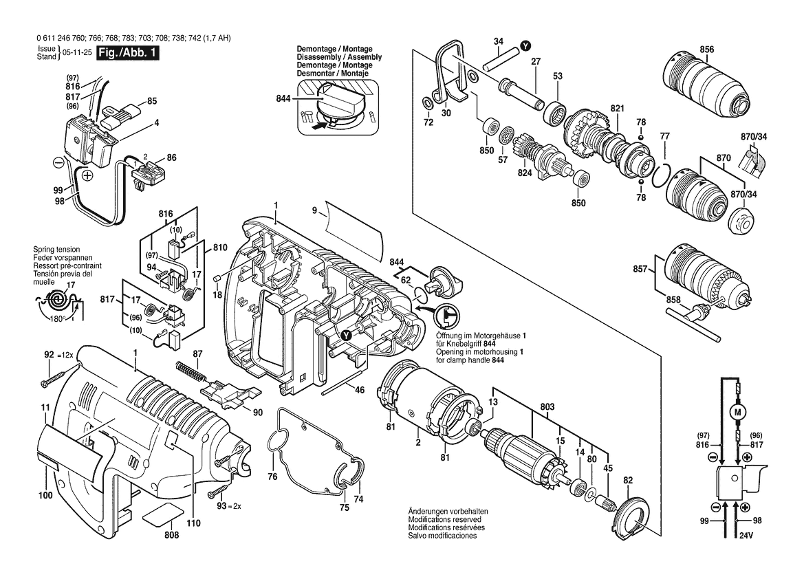
Poz:
1
2
4
9
11
13
14
15
17
18
27
30
34
45
46
53
57
62
72
74
75
76
77
78
80
81
82
85
86
87
90
92
93
94
98
99
100
110
120
121
122
123
652
653
654
655
661
803
808
810
816
817
820
821
824
844
850
856
857
858
870
870/34
62 części
Sortuj
Poz.
Nr kat.
Nazwa
Cena brutto
Ilość
Zamów
1
1615104011
Skorupa Obudowy
Zapytaj
1 szt.
—
2
2610942109
Stojan
53,26 zł
1 szt.
4
1617200067
Przeł. Wejścia/Wyjścia
Zapytaj
1 szt.
—
9
1611110A45
Tabliczka Firmy
Zapytaj
1 szt.
—
11
1611110935
Tabliczka Informacyjna
Zapytaj
1 szt.
—
13
1600905033
Łożysko Kulkowe Zwykłe
26,32 zł
1 szt.
14
2600905052
Łożysko Kulkowe Zwykłe
26,32 zł
1 szt.
15
1616610080
Wentylator
Zapytaj
1 szt.
—
17
1604652013
Sprężyna Spiralna
5,29 zł
2 szt.
18
2603100056
Guma Tłumiąca
5,29 zł
1 szt.
27
1618710076
Bijak
Zapytaj
1 szt.
—
30
1611911000
DŻWIGNIA
Zapytaj
1 szt.
—
34
1613100021
Sworzeń Łożyska
Zapytaj
1 szt.
—
45
1616316602
ZĘBATKA NAPĘDZAJĄCA
Zapytaj
1 szt.
—
46
1613160022
Kołek Walcowy
4,06 zł
1 szt.
53
1610910077
Tuleja Igłowa
13,65 zł
1 szt.
57
1610920009
Łożysko Walcowe Wzdłużne
8,36 zł
1 szt.
62
1610210125
Pierścień Samouszczeln.
4,06 zł
1 szt.
72
1610100007
Podkładka Dystansowa
4,06 zł
2 szt.
74
1611015045
Rama Uszczelniająca
16,85 zł
1 szt.
75
1611015041
Rama Uszczelniająca
4,06 zł
1 szt.
76
1610210138
Pierścień Uszczelniający
4,06 zł
1 szt.
77
1614601026
Pierścień Sprężysty
5,41 zł
1 szt.
78
1903230010
Kula
4,06 zł
2 szt.
80
1610100008
Uszczelka
Zapytaj
1 szt.
—
81
1610290043
Pierścień Centrujący
7,13 zł
2 szt.
82
1610591017
Pierścień Kier. Powietrza
Zapytaj
1 szt.
—
85
1613231006
SUWAK PRZEŁĄCZNIKA
4,06 zł
1 szt.
86
1609280157
Wspornik Kontaktu
Zapytaj
1 szt.
—
87
1614611012
Sprężyna Dociskowa
Zapytaj
1 szt.
—
90
1613231007
Suwak Zapadkowy
Zapytaj
1 szt.
—
92
2912401021
Wkręt Do Blach
4,06 zł
12 szt.
93
2912401019
Wkręt Do Blach
4,06 zł
2 szt.
94
2912401005
Wkręt Do Blach
4,06 zł
4 szt.
98
1614416012
PRZEWÓD ŁĄCZĄCY
Zapytaj
1 szt.
—
99
1614416011
PRZEWÓD ŁĄCZĄCY
Zapytaj
1 szt.
—
100
1611110914
Tabliczka Informacyjna
Zapytaj
2 szt.
—
110
2601119110
TABLICZKA OSTRZEGAWCZA
Zapytaj
1 szt.
—
120
1612025019
Uchwyt Dodatkowy
20,66 zł
1 szt.
121
1618040067
Uchwyt Zaciskowy
Zapytaj
1 szt.
—
122
1613490002
Nitowkręt
9,59 zł
1 szt.
123
1611316006
Taśma Zawiesz. Z Naciąg.
8,36 zł
1 szt.
652
1613001009
Ogran. Miernika Głębok.
11,07 zł
1 szt.
653
2607335163
AKUMULATOR
Zapytaj
1 szt.
—
654
2607224493
Szybka Ładowarka
Zapytaj
1 szt.
—
655
1610508032
Kołpak Ochronny
7,13 zł
1 szt.
661
1615430010
Tubka Ze Smarem
18,08 zł
1 szt.
803
1617000319
Twornik Z Wentylatorem
307,13 zł
1 szt.
808
160111A3H5
Tabliczka Znamionowa
8,36 zł
1 szt.
810
1617014131
Zestaw Szczotek Węglowych
Zapytaj
1 szt.
—
816
1617000379
Uchwyt Szczotek
Zapytaj
1 szt.
—
817
1617000380
Uchwyt Szczotek
Zapytaj
1 szt.
—
820
1612025049
Uchwyt Dodatkowy
Zapytaj
1 szt.
—
821
1617000387
CYLINDER
Zapytaj
1 szt.
—
824
1617000314
Wał Pośredni
132,84 zł
1 szt.
844
1617000322
Pokrętło
11,07 zł
1 szt.
850
1617000975
Tuleja Łożyskowa
18,08 zł
2 szt.
856
1617000332
UCHWYT SZYBKOMOCUJĄCY
382,53 zł
1 szt.
857
1618571029
UCHWYT WIERTARSKI ZĘBATY
251,90 zł
1 szt.
858
2607950007
KLUCZ DO UCHWYTU ZĘBATEGO
20,66 zł
1 szt.
870
1617000327
Uchwyt Szybkozmienny
251,90 zł
1 szt.
870/34
1610508047
Kołpak Ochronny
7,26 zł
1 szt.