Części
Maszyny
Kontakt
Home
Maszyny
Młot udarowo-obrotowy
Bosch
MŁOT UDAROWO-OBROTOWY GBH 2-24 RE
3611B720C1 -
MŁOT UDAROWO-OBROTOWY Bosch GBH 2-24 RE
100%
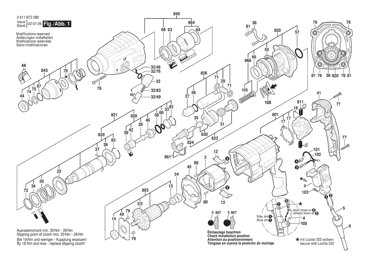
Poz:
2
4
5
6
12
13
14
16
17
22
27
28
29
31
32
33
34
3/5
35
36
37
38
41
42
44
45
46
49
50
54
55
56
57
58
59
60
63
64
66
68
70
71
72
74
75
76
77
79
80
81
82
83
87
101
102
103
105
651
691
801
803
807
811
820
821
822
823
824
826
828
829
830
840
843
861
864
866
870
871
872
892
893
894
895
32/46
32/49
32/76
32/83
870/2
822/120
822/124
822/125
822/802
93 części
Sortuj
Poz.
Nr kat.
Nazwa
Cena brutto
Ilość
Zamów
2
1619P12750
Stojan
54,00 zł
1 szt.
4
160720030S
Wyłącznik
78,72 zł
1 szt.
5
1614460052
Przewód Zasil. Sieciowy
86,35 zł
1 szt.
6
1600703035
Końcówka
8,36 zł
1 szt.
12
1614465011
Filtr Przeciwzakłóceniowy
20,66 zł
2 szt.
13
1610905025
Łożysko Kulkowe Zwykłe
18,08 zł
1 szt.
14
1610905048
Łożysko Kulkowe Zwykłe
20,66 zł
1 szt.
16
1619P16871
Płytka Szczotkowa
39,36 zł
1 szt.
17
1616B10337
STYK
5,29 zł
1 szt.
22
1616312004
Koło Zębate Czołowe
28,78 zł
1 szt.
27
1610311018
Bijak
59,53 zł
1 szt.
28
1613124081
IGLICA
28,78 zł
1 szt.
29
1613105012
Trzpień Tłoka
11,07 zł
1 szt.
31
1610913016
Wieniec Iglic
11,07 zł
1 szt.
32
1612026157
Pokrętło
38,87 zł
1 szt.
33
1610590014
Tuleja Wspornika
7,13 zł
1 szt.
34
1619P12280
Tarcza Oporowa
7,13 zł
1 szt.
3/5
1619P12021
Wentylator
7,13 zł
1 szt.
35
1616B10325
Łożysko Ślizgowe
5,29 zł
1 szt.
36
1615808106
Wspornik Łożyska
5,29 zł
1 szt.
37
1613100019
Kołek Walcowy
5,29 zł
3 szt.
38
1610190048
Płytka Ryglująca
16,85 zł
1 szt.
41
1619P12191
Pokrywa Obudowy
20,66 zł
1 szt.
42
1610102073
Pierścień Rozruchowy
16,85 zł
1 szt.
44
1610508034
Kołpak Ochronny
Zapytaj
1 szt.
—
45
1619P12192
Pierścień Kier. Powietrza
7,13 zł
1 szt.
46
2608670714
Tuleja Prowadząca
16,85 zł
1 szt.
49
1615700044
POKRYWA ŁOŻYSKA
7,13 zł
1 szt.
50
1614611020
Sprężyna Dociskowa
9,59 zł
1 szt.
54
1610502016
Tuleja Gumowa
4,06 zł
1 szt.
55
1619P18144
Pierścień Samouszczeln.
4,06 zł
1 szt.
56
1610210187
Pierścień Samouszczeln.
7,26 zł
1 szt.
57
1610210068
Pierścień Samouszczeln.
5,29 zł
1 szt.
58
1610210178
Pierścień Samouszczeln.
5,29 zł
1 szt.
59
1610283035
PIERŚCIEN USZCZELNIAJĄCY
18,08 zł
1 szt.
60
1610210176
Pierścień Samouszczeln.
4,06 zł
1 szt.
63
1610910063
Tuleja Igłowa
18,08 zł
1 szt.
64
1619P12278
Tarcza Oporowa
5,29 zł
1 szt.
66
1610202021
Łożysko Ślizgowe
8,36 zł
1 szt.
68
1610283017
PIERŚCIEN USZCZELNIAJĄCY
26,32 zł
1 szt.
70
1903230013
Kula
5,29 zł
1 szt.
71
1610101011
Podkładka Dystansowa
5,29 zł
2 szt.
72
1604601027
Pierścień Sprężysty
4,06 zł
1 szt.
74
1614601027
Pierścień Sprężysty
4,06 zł
1 szt.
75
1610101629
Tarcza Ustalająca
4,06 zł
2 szt.
76
1613435022
Śruba Do Gwint. Bezwiórk.
5,29 zł
4 szt.
77
2603490024
Wkręt Soczewkowy Torx
5,29 zł
3 szt.
79
1613435023
Śruba Do Gwint. Bezwiórk.
4,06 zł
2 szt.
80
1619P08803
Śruba Do Gwint. Bezwiórk.
4,06 zł
2 szt.
81
1613435029
Śruba Do Gwint. Bezwiórk.
4,06 zł
2 szt.
82
1614601034
Pierścień Sprężysty
7,13 zł
1 szt.
83
1604601028
Pierścień Sprężysty
4,06 zł
2 szt.
87
2916540012
Pierścień Sprężysty
Zapytaj
1 szt.
—
101
1614449014
PRZEWÓD ŁĄCZĄCY
7,13 zł
1 szt.
102
1614449015
PRZEWÓD ŁĄCZĄCY
5,29 zł
1 szt.
103
1613435043
Śruba
4,06 zł
1 szt.
105
1614611021
Sprężyna Dociskowa
5,29 zł
1 szt.
651
1613001009
Ogran. Miernika Głębok.
11,07 zł
1 szt.
691
1615438409
ZAMKNIĘCIE
20,66 zł
2 szt.
801
1619P13454
Kadłub Silnika
85,24 zł
1 szt.
803
1619P15613
Twornik
111,93 zł
1 szt.
807
2601035001
Uchwyt Przewodu
5,29 zł
1 szt.
811
1617000525
Zestaw Szczotek Węglowych
20,66 zł
1 szt.
820
1619P13451
Kołnierz Pośredni
59,53 zł
1 szt.
821
1619P13452
Rura
170,48 zł
1 szt.
822
160202508X
Uchwyt Dodatkowy
43,91 zł
1 szt.
823
1619P13456
Wał Zębaty
59,53 zł
1 szt.
824
1619P13457
Wał Zębaty
43,91 zł
1 szt.
826
1617000557
TŁOK
67,65 zł
1 szt.
828
1619P13453
IGLICA
59,53 zł
1 szt.
829
1619P13455
Rura
110,33 zł
1 szt.
830
1615819028
Łożysko napędowe
85,24 zł
1 szt.
840
1619P13458
Obudowa Przekładni
77,74 zł
1 szt.
843
1619P13459
Kołpak Ochronny
26,32 zł
1 szt.
861
1619P13460
EL. STERUJĄCY
7,13 zł
1 szt.
864
1619P13461
Tarcza Oporowa
13,65 zł
1 szt.
866
1614611022
Łożysko Ślizgowe
8,36 zł
1 szt.
870
1613523011
UCHWYT WIERTARSKI
Zapytaj
1 szt.
—
871
1608571088
Uchwyt Wiertarski
97,79 zł
1 szt.
872
2607950007
KLUCZ DO UCHWYTU ZĘBATEGO
20,66 zł
2 szt.
892
1615430001
Tubka Ze Smarem
67,65 zł
1 szt.
893
1615430002
Tubka Ze Smarem
170,48 zł
1 szt.
894
1615430020
Tubka Ze Smarem
67,65 zł
1 szt.
895
1615430019
Zbiornik Oleju
235,67 zł
1 szt.
32/46
1619P09571
Kołek Zabierakowy
4,06 zł
1 szt.
32/49
1612026035
Przycisk
5,41 zł
1 szt.
32/76
1610210046
Pierścień Samouszczeln.
5,29 zł
1 szt.
32/83
1614611006
Sprężyna Dociskowa
11,19 zł
1 szt.
870/2
2603421207
Wkręt Z Łbem Stożk. Płas.
5,29 zł
1 szt.
822/120
160202507H
Uchwyt Dodatkowy
33,83 zł
1 szt.
822/124
1611316021
Taśma Zawiesz. Z Naciąg.
9,59 zł
1 szt.
822/125
1613490002
Nitowkręt
9,59 zł
1 szt.
822/802
1617000475
Uchwyt Zaciskowy
31,37 zł
1 szt.