Części
Maszyny
Kontakt
Home
Maszyny
Młot udarowo-obrotowy
Bosch
MŁOT UDAROWO-OBROTOWY GBH 2-24 DSE
0611218632 -
MŁOT UDAROWO-OBROTOWY Bosch GBH 2-24 DSE
100%
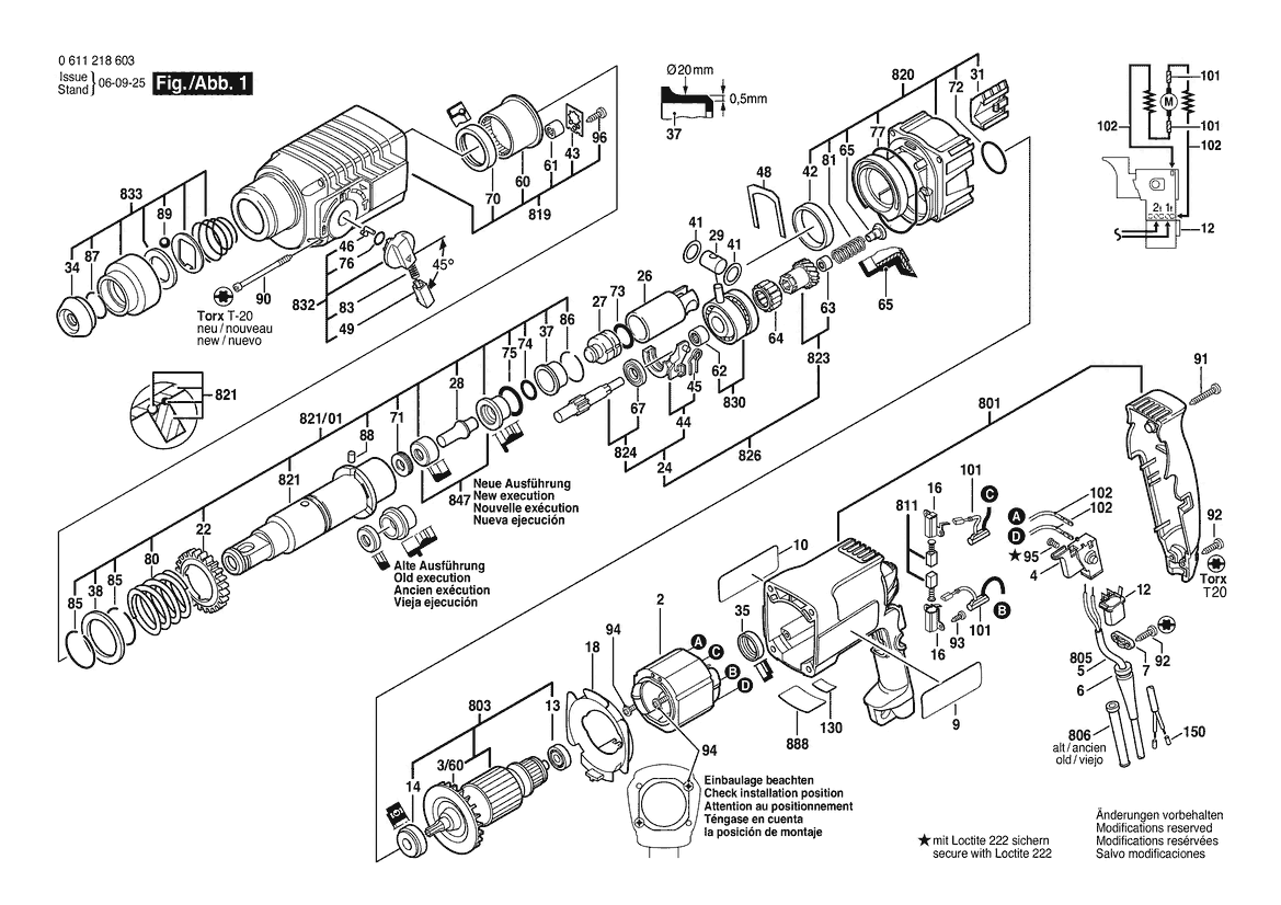
Poz:
2
4
5
6
7
9
10
12
13
14
16
18
22
26
27
28
29
31
34
35
37
38
41
42
43
44
45
46
48
49
60
61
62
63
64
65
67
70
71
72
73
74
75
76
77
80
81
83
85
86
87
88
89
90
91
92
93
94
95
96
101
102
120
121
122
123
3/60
700
701
711
720
724
750
755
801
803
806
811
819
820
821
823
824
826
830
832
833
847
865
888
700/20
821/01
701/700
711/10/2
94 części
Sortuj
Poz.
Nr kat.
Nazwa
Cena brutto
Ilość
Zamów
2
1604220254
Stojan
84,00 zł
1 szt.
—
4
2607200204
Wyłącznik
Zapytaj
1 szt.
—
5
1614460049
Przewód Zasil. Sieciowy
Zapytaj
1 szt.
—
6
2600703018
Końcówka
12,00 zł
1 szt.
—
7
1611035005
Uchwyt Przewodu
11,00 zł
1 szt.
—
9
1611110X33
Tabliczka Firmy
15,00 zł
1 szt.
—
10
1611110563
Tabliczka Informacyjna
15,00 zł
1 szt.
—
12
1617328025
Filtr Przeciwzakłóceniowy
18,08 zł
1 szt.
—
13
1610905025
Łożysko Kulkowe Zwykłe
25,00 zł
1 szt.
—
14
1610905048
Łożysko Kulkowe Zwykłe
31,00 zł
1 szt.
—
16
2604337016
Uchwyt Szczotek
8,00 zł
2 szt.
—
18
1610522009
Pierścień Kier. Powietrza
4,18 zł
1 szt.
—
22
1616317602
Koło Zębate Czołowe
44,00 zł
1 szt.
—
26
1618700062
TŁOK
49,45 zł
1 szt.
—
27
1618710057
Bijak
59,00 zł
1 szt.
—
28
1613124040
IGLICA
21,00 zł
1 szt.
—
29
1613105012
Trzpień Tłoka
15,00 zł
1 szt.
—
31
1615510003
Kratka Ochronna
12,00 zł
1 szt.
—
34
1610508008
Kołpak Ochronny
11,00 zł
1 szt.
—
35
1610206021
Pierścień Gumowy
9,00 zł
1 szt.
—
37
1610390017
Tulejka Tłumikowa
21,00 zł
1 szt.
—
38
1610102026
Tarcza Oporowa
8,49 zł
1 szt.
—
41
1610101011
Podkładka Dystansowa
9,00 zł
2 szt.
—
42
1610202015
Łożysko Ślizgowe
13,00 zł
1 szt.
—
43
1611098005
Blacha Zabezpieczająca
13,00 zł
1 szt.
—
44
1615820092
EL. STERUJĄCY
12,00 zł
1 szt.
—
45
1614651014
Sprężyna Łącząca
9,00 zł
1 szt.
—
46
1614690002
Kołek Zabierakowy
9,00 zł
1 szt.
—
48
1611016003
Blacha Trzymająca
11,00 zł
1 szt.
—
49
1612026035
Przycisk
9,00 zł
1 szt.
—
60
1610910073
Łożysko Igiełkowe
39,00 zł
1 szt.
—
61
1610910098
Tuleja Igłowa
15,00 zł
1 szt.
—
62
1610910074
Tuleja Igłowa
15,00 zł
1 szt.
—
63
1610910064
Tuleja Igłowa
Zapytaj
1 szt.
—
64
1610913010
Wieniec Iglic
17,00 zł
1 szt.
—
65
1610591016
Łożysko Ślizgowe
13,00 zł
1 szt.
—
67
1610905016
Łożysko Kulkowe Zwykłe
36,00 zł
1 szt.
—
70
1610283019
USZCZELKA
31,00 zł
1 szt.
—
71
1610290029
Zbierak
15,00 zł
1 szt.
—
72
1610210068
Pierścień Samouszczeln.
9,00 zł
1 szt.
—
73
1610210187
Pierścień Samouszczeln.
11,00 zł
1 szt.
—
74
1610210104
Pierścień Samouszczeln.
12,00 zł
1 szt.
—
75
1610210105
Pierścień Samouszczeln.
17,00 zł
1 szt.
—
76
1610210046
Pierścień Samouszczeln.
11,00 zł
1 szt.
—
77
1610210106
Pierścień Samouszczeln.
12,00 zł
1 szt.
—
80
1614634005
Sprężyna Dociskowa
9,00 zł
1 szt.
—
81
1614611009
Sprężyna Dociskowa
9,00 zł
1 szt.
—
83
1614611006
Sprężyna Dociskowa
15,00 zł
1 szt.
—
85
1614601011
Pierścień Sprężysty
9,00 zł
2 szt.
—
86
1614601024
Pierścień Sprężysty
9,00 zł
1 szt.
—
87
2916540012
Pierścień Sprężysty
Zapytaj
1 szt.
—
88
1613200007
Rolka
9,00 zł
3 szt.
—
89
1903230013
Kula
11,00 zł
1 szt.
—
90
1603435019
Wkręt Do Blach
Zapytaj
4 szt.
—
91
1603435051
Wkręt Do Blach
11,00 zł
1 szt.
—
92
1603435050
Wkręt Do Blach
9,00 zł
4 szt.
—
93
2910211005
Wkręt Do Blach
8,00 zł
4 szt.
—
94
2603435015
Wkręt Z Rowkiem Krzyżowym
11,00 zł
2 szt.
—
95
2603410001
Śruba Z Łbem Walcowym
9,00 zł
2 szt.
—
96
2912401018
Wkręt Do Blach
8,00 zł
1 szt.
—
101
1614465008
Filtr Przeciwzakłóceniowy
25,00 zł
2 szt.
—
102
2604448005
Przewód Elektryczny
9,00 zł
2 szt.
—
120
1612025019
Uchwyt Dodatkowy
25,00 zł
1 szt.
—
121
1618040048
Uchwyt Zaciskowy
34,00 zł
1 szt.
—
122
1613490002
Nitowkręt
9,59 zł
1 szt.
—
123
1611316006
Taśma Zawiesz. Z Naciąg.
12,00 zł
1 szt.
—
3/60
1616610072
Wentylator
11,00 zł
1 szt.
—
700
1617000154
UCHWYT WIERTARSKI
117,00 zł
1 szt.
—
701
1608571088
Uchwyt Wiertarski
105,00 zł
1 szt.
—
711
1617000133
Zestaw Części
Zapytaj
1 szt.
—
720
2602025070
Uchwyt Dodatkowy
54,00 zł
1 szt.
—
724
1613001009
Ogran. Miernika Głębok.
15,00 zł
1 szt.
—
750
2605438294
Skrzynka Do Noszenia
Zapytaj
1 szt.
—
755
1618580000
KĄTOWA GŁOWICA WIERTARSKA
Zapytaj
1 szt.
—
801
1615108062
Kadłub Silnika
77,74 zł
1 szt.
—
803
1614010732
Twornik Z Wentylatorem
359,00 zł
1 szt.
—
806
2600703011
Końcówka
13,00 zł
1 szt.
—
811
1607014117
Szczotka Węglowa
34,00 zł
1 szt.
—
819
1615806093
Obudowa Przekładni
198,00 zł
1 szt.
—
820
1617000981
Kołnierz Pośredni
105,00 zł
1 szt.
—
821
1616490061
Tuleja Ustalająca
244,00 zł
1 szt.
—
823
1616328042
TULEJA ZĘBATA
147,48 zł
1 szt.
—
824
1617000518
Wał Zębaty
147,48 zł
1 szt.
—
826
1617000517
Wał Zębaty
311,68 zł
1 szt.
—
830
1615819018
Łożysko napędowe
238,99 zł
1 szt.
—
832
1612026037
Pokrętło
31,00 zł
1 szt.
—
833
1617000163
Tuleja Ochronna
31,00 zł
1 szt.
—
847
1617000348
Pierścień Prowadzący
54,00 zł
1 szt.
—
865
1610920007
Łoż. Kulkowe Zwykłe Wzdł.
Zapytaj
1 szt.
—
888
160111A3H5
Tabliczka Znamionowa
12,00 zł
1 szt.
—
700/20
2603421226
Wkręt Z Łbem Stożk. Płas.
9,00 zł
1 szt.
—
821/01
1616490060
Tuleja Ustalająca
316,00 zł
1 szt.
—
701/700
2607950007
KLUCZ DO UCHWYTU ZĘBATEGO
25,00 zł
1 szt.
—
711/10/2
2604601004
Pierścień Sprężysty
9,00 zł
1 szt.
—