Części
Maszyny
Kontakt
Home
Maszyny
Młot udarowo-obrotowy
Bosch
MŁOT UDAROWO-OBROTOWY GBH 2-24 DFR
0611238703 -
MŁOT UDAROWO-OBROTOWY Bosch GBH 2-24 DFR
100%
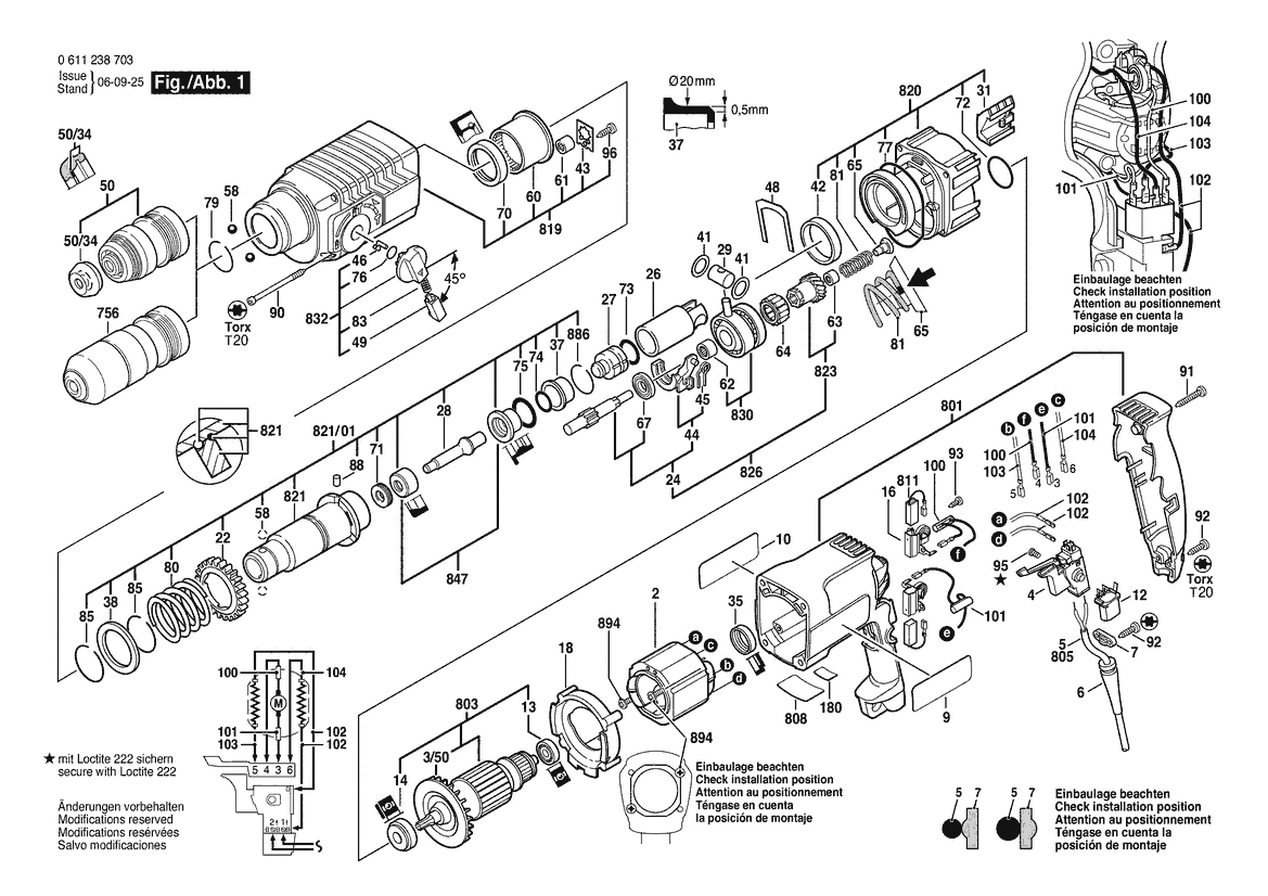
Poz:
2
4
6
7
9
10
12
13
14
16
18
22
24
26
27
28
29
31
35
37
38
41
42
43
44
45
46
48
49
50
58
60
61
62
63
64
65
67
70
71
72
73
74
75
76
77
79
80
81
83
85
88
90
91
92
93
95
96
100
101
102
103
104
3/50
756
801
803
805
808
811
819
820
821
822
823
826
830
832
847
879
886
894
50/34
821/01
822/120
822/124
822/125
822/802
88 części
Sortuj
Poz.
Nr kat.
Nazwa
Cena brutto
Ilość
Zamów
2
1614220172
Stojan
84,00 zł
1 szt.
—
4
1617200077
Wyłącznik
126,00 zł
1 szt.
—
6
2600703018
Końcówka
12,00 zł
1 szt.
—
7
1611035005
Uchwyt Przewodu
11,00 zł
1 szt.
—
9
1611110852
Tabliczka Firmy
15,00 zł
1 szt.
—
10
1611110853
Tabliczka Firmy
12,00 zł
1 szt.
—
12
1617328026
Filtr Przeciwzakłóceniowy
31,00 zł
1 szt.
—
13
1610905025
Łożysko Kulkowe Zwykłe
25,00 zł
1 szt.
—
14
1610905048
Łożysko Kulkowe Zwykłe
31,00 zł
1 szt.
—
16
1617000343
Uchwyt Szczotek
39,00 zł
2 szt.
—
18
1610522009
Pierścień Kier. Powietrza
4,18 zł
1 szt.
—
22
1616317602
Koło Zębate Czołowe
44,00 zł
1 szt.
—
24
1617000518
Wał Zębaty
147,48 zł
1 szt.
—
26
1618700062
TŁOK
49,45 zł
1 szt.
—
27
1618710057
Bijak
59,00 zł
1 szt.
—
28
1613124052
IGLICA
39,00 zł
1 szt.
—
29
1613105012
Trzpień Tłoka
15,00 zł
1 szt.
—
31
1615510003
Kratka Ochronna
12,00 zł
1 szt.
—
35
1610206021
Pierścień Gumowy
9,00 zł
1 szt.
—
37
1610390017
Tulejka Tłumikowa
21,00 zł
1 szt.
—
38
1610102026
Tarcza Oporowa
8,49 zł
1 szt.
—
41
1610101011
Podkładka Dystansowa
9,00 zł
2 szt.
—
42
1610202015
Łożysko Ślizgowe
13,00 zł
1 szt.
—
43
1611098005
Blacha Zabezpieczająca
13,00 zł
1 szt.
—
44
1615820092
EL. STERUJĄCY
12,00 zł
1 szt.
—
45
1614651014
Sprężyna Łącząca
9,00 zł
1 szt.
—
46
1614690002
Kołek Zabierakowy
9,00 zł
1 szt.
—
48
1611016003
Blacha Trzymająca
11,00 zł
1 szt.
—
49
1612026035
Przycisk
9,00 zł
1 szt.
—
50
1617000327
Uchwyt Szybkozmienny
261,00 zł
1 szt.
—
58
1903230010
Kula
8,00 zł
2 szt.
—
60
1610910073
Łożysko Igiełkowe
39,00 zł
1 szt.
—
61
1610910098
Tuleja Igłowa
15,00 zł
1 szt.
—
62
1610910074
Tuleja Igłowa
15,00 zł
1 szt.
—
63
1610910064
Tuleja Igłowa
Zapytaj
1 szt.
—
64
1610913010
Wieniec Iglic
17,00 zł
1 szt.
—
65
1610591016
Łożysko Ślizgowe
13,00 zł
1 szt.
—
67
1610905016
Łożysko Kulkowe Zwykłe
36,00 zł
1 szt.
—
70
1610283019
USZCZELKA
31,00 zł
1 szt.
—
71
1610290029
Zbierak
15,00 zł
1 szt.
—
72
1610210068
Pierścień Samouszczeln.
9,00 zł
1 szt.
—
73
1610210187
Pierścień Samouszczeln.
11,00 zł
1 szt.
—
74
1610210104
Pierścień Samouszczeln.
12,00 zł
1 szt.
—
75
1610210105
Pierścień Samouszczeln.
17,00 zł
1 szt.
—
76
1610210046
Pierścień Samouszczeln.
11,00 zł
1 szt.
—
77
1610210106
Pierścień Samouszczeln.
12,00 zł
1 szt.
—
79
1614601026
Pierścień Sprężysty
9,00 zł
1 szt.
—
80
1614634005
Sprężyna Dociskowa
9,00 zł
1 szt.
—
81
1614611009
Sprężyna Dociskowa
9,00 zł
1 szt.
—
83
1614611006
Sprężyna Dociskowa
15,00 zł
1 szt.
—
85
1614601011
Pierścień Sprężysty
9,00 zł
2 szt.
—
88
1613200007
Rolka
9,00 zł
3 szt.
—
90
1603435036
Wkręt Do Blach
9,00 zł
4 szt.
—
91
2603490026
Wkręt O Socz. Łbie Stożk.
8,00 zł
1 szt.
—
92
2603490023
Wkręt Soczewkowy Torx
8,00 zł
4 szt.
—
93
2910211005
Wkręt Do Blach
8,00 zł
4 szt.
—
95
2603410001
Śruba Z Łbem Walcowym
9,00 zł
2 szt.
—
96
2912401018
Wkręt Do Blach
8,00 zł
2 szt.
—
100
2604465086
Filtr Przeciwzakłóceniowy
22,00 zł
1 szt.
—
101
2604465097
Filtr Przeciwzakłóceniowy
22,00 zł
1 szt.
—
102
2604448005
Przewód Elektryczny
9,00 zł
2 szt.
—
103
1614448017
PRZEWÓD ŁĄCZĄCY
11,00 zł
1 szt.
—
104
2604448137
PRZEWÓD ŁĄCZĄCY
Zapytaj
1 szt.
—
3/50
1616610095
Wentylator
11,00 zł
1 szt.
—
756
1617000328
UCHWYT SZYBKOMOCUJĄCY
Zapytaj
1 szt.
—
801
1617000477
Kadłub Silnika
66,00 zł
1 szt.
—
803
1614010227
Twornik Z Wentylatorem
251,90 zł
1 szt.
—
805
1614460026
Przewód Zasil. Sieciowy
39,00 zł
1 szt.
—
808
160111A3H5
Tabliczka Znamionowa
12,00 zł
1 szt.
—
811
1617014134
Zestaw Szczotek Węglowych
34,00 zł
1 szt.
—
819
1615806093
Obudowa Przekładni
198,00 zł
1 szt.
—
820
1617000981
Kołnierz Pośredni
105,00 zł
1 szt.
—
821
1617000325
UCHWYT NARZĘDZIA
153,00 zł
1 szt.
—
822
2602025118
Uchwyt Dodatkowy
54,00 zł
1 szt.
—
823
1616328042
TULEJA ZĘBATA
147,48 zł
1 szt.
—
826
1617000517
Wał Zębaty
311,68 zł
1 szt.
—
830
1615819018
Łożysko napędowe
238,99 zł
1 szt.
—
832
1612026037
Pokrętło
31,00 zł
1 szt.
—
847
1617000348
Pierścień Prowadzący
54,00 zł
1 szt.
—
879
1613001009
Ogran. Miernika Głębok.
15,00 zł
1 szt.
—
886
1614601024
Pierścień Sprężysty
9,00 zł
1 szt.
—
894
2603435015
Wkręt Z Rowkiem Krzyżowym
11,00 zł
2 szt.
—
50/34
1610508047
Kołpak Ochronny
11,00 zł
1 szt.
—
821/01
1617000326
UCHWYT NARZĘDZIA
255,84 zł
1 szt.
—
822/120
1612025019
Uchwyt Dodatkowy
25,00 zł
1 szt.
—
822/124
1611316006
Taśma Zawiesz. Z Naciąg.
12,00 zł
1 szt.
—
822/125
1613490002
Nitowkręt
9,59 zł
1 szt.
—
822/802
2608040176
Uchwyt Zaciskowy
25,00 zł
1 szt.
—