Części
Maszyny
Kontakt
Home
Maszyny
Lasery i dalmierze
DeWalt
Laser
DW005K-Type-3 -
Laser DeWalt
100%
Poz:
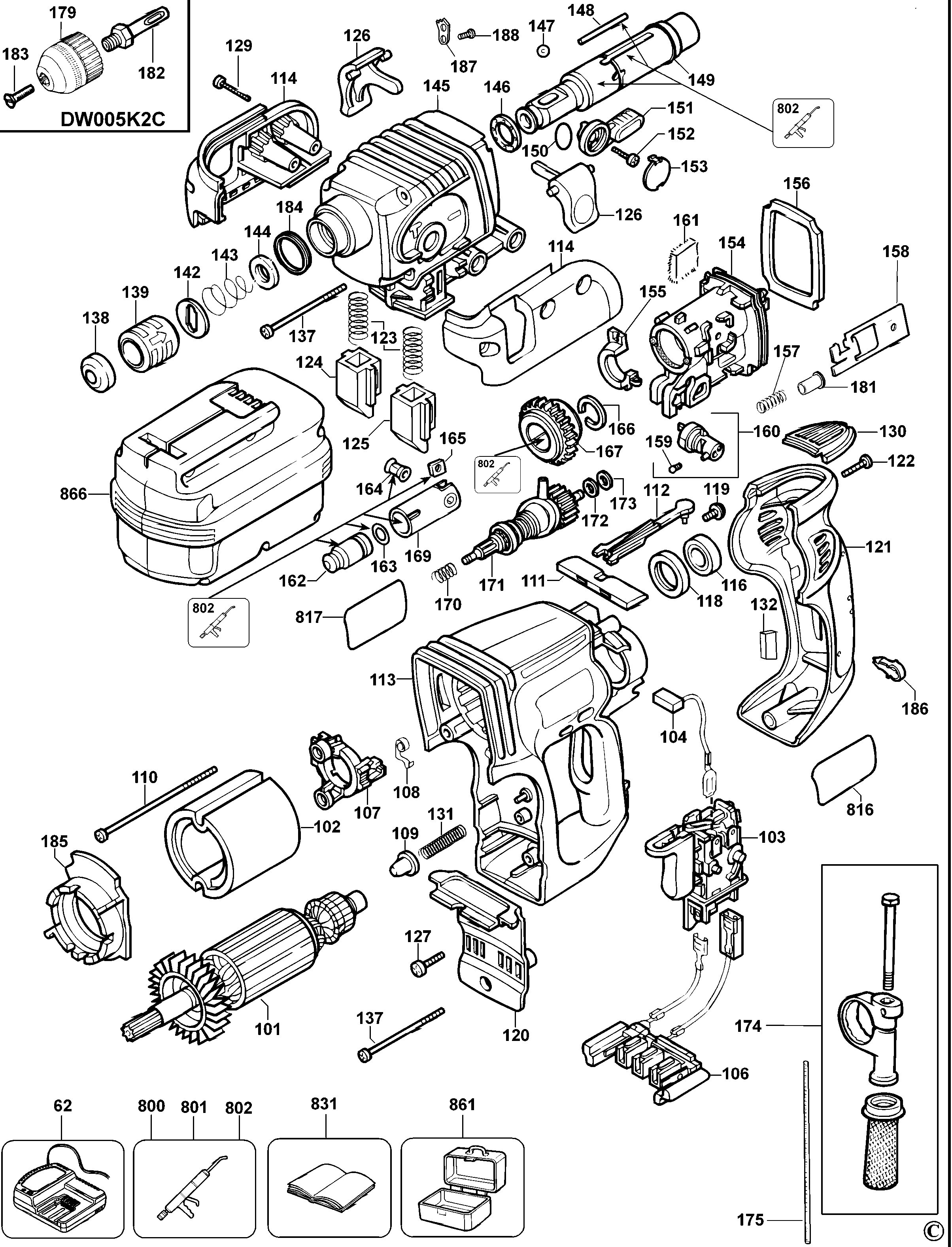
62
101
102
103
104
106
107
108
109
110
111
112
113
114
116
118
119
120
121
122
123
124
125
126
127
129
130
131
132
137
138
139
142
143
144
145
146
147
148
149
150
151
152
153
154
155
156
157
158
159
160
161
162
163
164
165
166
167
169
170
171
172
173
174
175
179
181
182
183
184
185
187
188
800
801
802
816
817
866
79 części
Sortuj
Poz.
Nr kat.
Nazwa
Cena brutto
Ilość
Zamów
62
487135-01
Charger 24V (Euro)
Zapytaj
1 szt.
—
101
487132-00
Twornik - Podzespół
Zapytaj
1 szt.
—
102
487133-00
Magnes - Podzespół
Zapytaj
1 szt.
—
103
487136-00
Wyłącznik - Podzespół
Zapytaj
1 szt.
—
104
487114-00
Szczotka I Prowadnica
Zapytaj
1 szt.
—
106
387530-02
Blok Zacisku
Zapytaj
1 szt.
—
107
487154-00
Szczotka Frame
Zapytaj
1 szt.
—
108
445860-00
Sprężyna Szczotki
7,00 zł
1 szt.
—
109
487086-00
Gałka
Zapytaj
1 szt.
—
110
330065-03
Śruba
Zapytaj
1 szt.
—
111
329956-01
Suwak
Zapytaj
1 szt.
—
112
329957-01
Dźwignia
Zapytaj
1 szt.
—
113
329861-01
Osłona Silnika - Podzespół
Zapytaj
1 szt.
—
114
487100-00
Pokrywa - Podzespół
Zapytaj
1 szt.
—
116
330003-60
Łożysko
18,00 zł
1 szt.
—
118
935030
Tuleja
Zapytaj
1 szt.
—
119
329794-00
Śruba
Zapytaj
1 szt.
—
120
329955-00
Pokrywa
Zapytaj
1 szt.
—
121
329860-01
Uchwyt Pokrywy
Zapytaj
1 szt.
—
122
330065-08
Śruba
7,00 zł
1 szt.
—
123
329876-00
Sprężyna
Zapytaj
1 szt.
—
124
329948-01
Block Rh
Zapytaj
1 szt.
—
125
329948-00
Block Lh
Zapytaj
1 szt.
—
126
329950-00
Zwolnienie Przycisku
Zapytaj
1 szt.
—
127
330065-06
Śruba
7,00 zł
1 szt.
—
129
330065-21
Śruba
7,00 zł
1 szt.
—
130
487088-00
Wkładka
Zapytaj
1 szt.
—
131
N035544
Sprężyna
Zapytaj
1 szt.
—
132
930026-01
Odbój
7,00 zł
1 szt.
—
137
324044-02
Śruba
Zapytaj
1 szt.
—
138
323489-00
Kołpak
9,00 zł
1 szt.
—
139
576756-00
Pierścień
Zapytaj
1 szt.
—
142
578387-00
Podkładka
9,00 zł
1 szt.
—
143
871690
Sprężyna
7,00 zł
1 szt.
—
144
324432-00
Uszczelniacz - Podzespół
14,00 zł
1 szt.
—
145
329941-02
Skrzynka Przekładni - Podzespół
Zapytaj
1 szt.
—
146
329907-00
Podkładka
24,00 zł
1 szt.
—
147
487033-00
Kulka
Zapytaj
1 szt.
—
148
325880-05
Kołek
Zapytaj
1 szt.
—
149
578473-01
Wrzeciono - Podzespół
Zapytaj
1 szt.
—
150
916323
O-Ring
Zapytaj
1 szt.
—
151
327119-00
Dźwignia
7,00 zł
1 szt.
—
152
323924-08
Śruba
7,00 zł
1 szt.
—
153
328809-00
Pokrywa
Zapytaj
1 szt.
—
154
329935-00
Obudowa Łożyska
Zapytaj
1 szt.
—
155
328507-00
Tarcza Osłonowa
Zapytaj
1 szt.
—
156
323572-00
Uszczelniacz
Zapytaj
1 szt.
—
157
323395-17
Sprężyna
Zapytaj
1 szt.
—
158
327081-01
Płyta
Zapytaj
1 szt.
—
159
326467-00
Zapadka
7,00 zł
1 szt.
—
160
327094-01
Krzywka
21,00 zł
1 szt.
—
161
327093-00
Filtr
Zapytaj
1 szt.
—
162
N032136
Suwak - Podzespół
57,00 zł
1 szt.
—
163
577168-00
O-Ring
7,00 zł
1 szt.
—
164
487143-00
Oś
27,00 zł
1 szt.
—
165
327072-00
Podkładka Regulacyjna
7,00 zł
1 szt.
—
166
323762-02
Pierścień Sprężynujący
7,00 zł
1 szt.
—
167
487401-01
Sprzęgło - Podzespół
Zapytaj
1 szt.
—
169
487067-00
Tłok
102,00 zł
1 szt.
—
170
323395-33
Sprężyna
Zapytaj
1 szt.
—
171
586535-00
Wał Wewnętrzny - Podzespół
Zapytaj
1 szt.
—
172
324430-03
Łożysko Oporowe
Zapytaj
1 szt.
—
173
324431-03
Podkładka 7
Zapytaj
1 szt.
—
174
939794-02
Uchwyt Boczny - Podzespół
51,00 zł
1 szt.
—
175
580787-00
Ogranicznik Głębokości
8,00 zł
1 szt.
—
179
583096-02
Uchwyt - Podzespół
Zapytaj
1 szt.
—
181
329211-00
Tuleja
Zapytaj
1 szt.
—
182
352065
Złączka
18,00 zł
1 szt.
—
183
945013-00
Śruba
7,00 zł
1 szt.
—
184
581092-00
Uszczelniacz
Zapytaj
1 szt.
—
185
329862-00
Baffle Fan
Zapytaj
1 szt.
—
187
577058-00
Płyta
Zapytaj
1 szt.
—
188
930553
Śruba
Zapytaj
1 szt.
—
800
870889-02
Smar
51,00 zł
1 szt.
—
801
328771-07
Smar
32,00 zł
1 szt.
—
802
487130-04
Smar
27,00 zł
1 szt.
—
816
578759-00
Etykieta Towarowa
Zapytaj
1 szt.
—
817
569037-00
Tabliczka Znamionowa
18,00 zł
1 szt.
—
866
578671-01
Battery 24V - 3.0Ah
Zapytaj
1 szt.
—