Części
Maszyny
Kontakt
Home
Maszyny
Gwintownica
Bosch
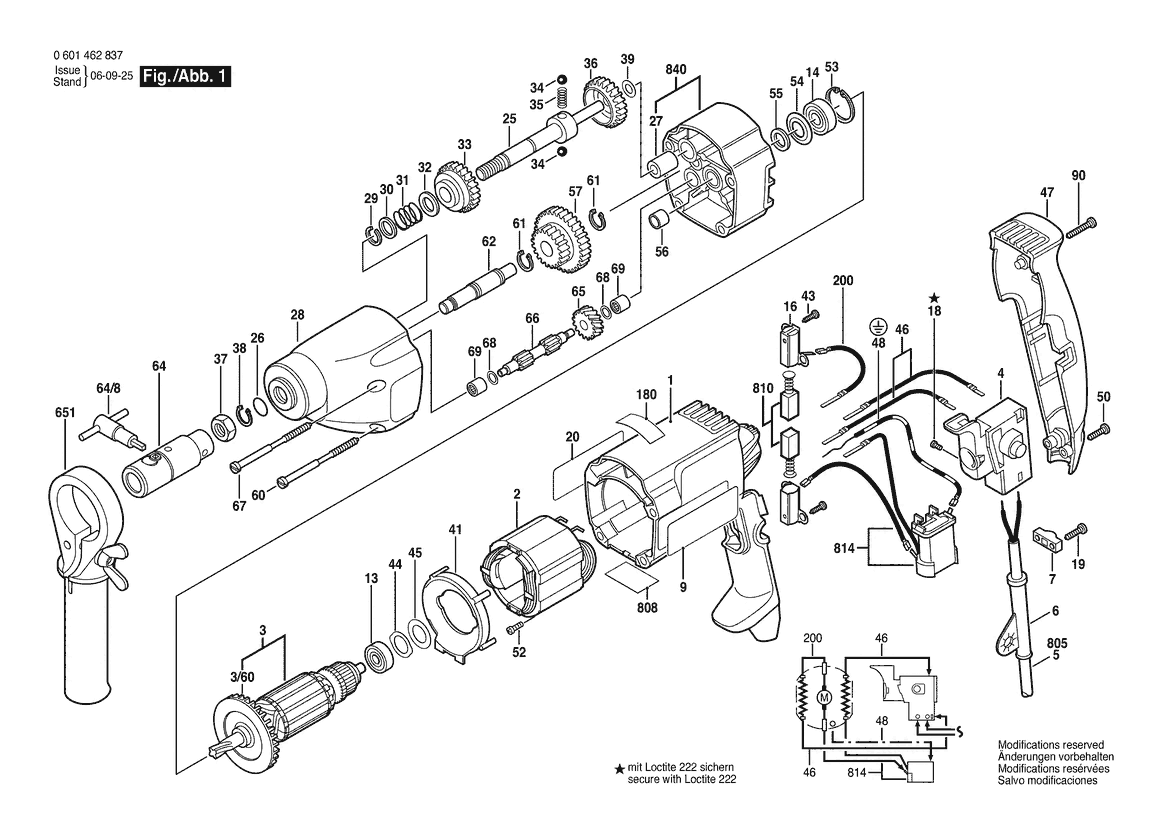
Gwintownik GGW 10 E
0601462837 -
Gwintownik Bosch GGW 10 E
100%
Poz:
1
2
3
4
5
6
7
9
13
14
16
18
20
25
26
27
28
29
30
31
32
33
34
35
36
37
38
39
41
43
44
45
46
47
48
50
52
53
54
55
56
57
60
61
62
64
65
66
67
68
69
90
200
3/60
64/8
808
810
814
840
59 części
Sortuj
Poz.
Nr kat.
Nazwa
Cena brutto
Ilość
Zamów
1
2605104309
Kadłub Silnika
85,24 zł
1 szt.
2
2604220430
Stojan
99,02 zł
1 szt.
3
2604010613
Twornik
172,94 zł
1 szt.
4
2607200184
Wyłącznik
172,94 zł
1 szt.
5
2604460114
Przewód Zasil. Sieciowy
Zapytaj
1 szt.
—
6
2600707060
Końcówka
7,13 zł
1 szt.
7
2601035001
Uchwyt Przewodu
5,29 zł
1 szt.
9
3601110341
Tabliczka Naklejana
Zapytaj
1 szt.
—
13
1900905018
Łożysko Kulkowe
59,53 zł
1 szt.
14
2600905021
Łożysko Kulkowe Zwykłe
28,78 zł
1 szt.
16
2604337003
Uchwyt Szczotek
7,13 zł
2 szt.
18
2603410001
Śruba Z Łbem Walcowym
5,29 zł
2 szt.
20
3601110342
Tabliczka Naklejana
Zapytaj
1 szt.
—
25
3606135003
WRZECIONO WIERTARSKIE
398,52 zł
1 szt.
26
3600210065
Pierścień Samouszczeln.
Zapytaj
1 szt.
—
27
3600328036
Tuleja Łożyskowa
Zapytaj
1 szt.
—
28
3605190131
Obudowa Przekładni
528,90 zł
1 szt.
29
3600118009
Pierścień Zabezpieczajacy
4,06 zł
1 szt.
30
3600101043
Podkładka
11,07 zł
1 szt.
31
3604616016
Sprężyna Dociskowa
Zapytaj
1 szt.
—
32
3600101044
Podkładka Regulacyjna
Zapytaj
1 szt.
—
33
3606316071
Koło Zębate Czołowe
349,69 zł
1 szt.
34
1903230011
Kula
5,29 zł
2 szt.
35
3604610018
Sprężyna Dociskowa
4,06 zł
1 szt.
36
3606316020
Koło Zębate Czołowe
349,69 zł
1 szt.
37
3603300007
Nakrętka
Zapytaj
1 szt.
—
38
3600118010
Pierścień Zabezpieczajacy
Zapytaj
1 szt.
—
39
2600100505
Podkładka Regulacyjna
Zapytaj
1 szt.
—
41
2601328033
Pierścień Zakrywający
Zapytaj
1 szt.
—
43
1613435034
Wkręt O Socz. Łbie Stożk.
4,06 zł
4 szt.
44
2600150004
Podkładka Regulacyjna
7,13 zł
1 szt.
45
2600101020
Podkładka Regulacyjna
5,29 zł
1 szt.
46
2604448005
Przewód Elektryczny
5,29 zł
1 szt.
47
2605132049
Pokrywa Obudowy
Zapytaj
1 szt.
—
48
2604448097
Przewód Uziemiający
5,29 zł
1 szt.
50
2910211019
Wkręt Do Blach
4,06 zł
2 szt.
52
2603435015
Wkręt Z Rowkiem Krzyżowym
4,06 zł
2 szt.
53
2916660008
Pierścień Zabezpieczajacy
7,13 zł
1 szt.
54
2600500002
Podkładka
5,29 zł
1 szt.
55
2600108077
Pierścień Filcowy
5,29 zł
1 szt.
56
2600400008
Tuleja Wciskana
5,29 zł
1 szt.
57
3606328000
Koło Zębate Czołowe
Zapytaj
1 szt.
—
60
1603435036
Wkręt Do Blach
5,29 zł
2 szt.
61
2916650903
Pierścień Zabezpieczajacy
5,29 zł
2 szt.
62
3603124000
Oś
189,30 zł
1 szt.
64
2608573003
Uchwyt Wiertarski
Zapytaj
1 szt.
—
65
3606316021
Koło Zębate Czołowe
189,30 zł
1 szt.
66
3606337062
Wał Z Kołem Zębatym
189,30 zł
1 szt.
67
2603435012
Wkręt Do Blach
Zapytaj
2 szt.
—
68
2600100613
Podkładka Regulacyjna
5,29 zł
2 szt.
69
9001140359
Tuleja Igłowa
20,66 zł
2 szt.
90
2910211022
Wkręt Do Blach
4,06 zł
1 szt.
200
2604448100
Kabel Łączący
4,06 zł
1 szt.
3/60
2606610049
Wentylator
7,13 zł
1 szt.
64/8
2607950012
KLUCZ DO UCHWYTU ZĘBATEGO
53,26 zł
1 szt.
808
160111A3H3
Tabliczka Znamionowa
8,36 zł
1 szt.
810
2604321905
Zestaw Szczotek Węglowych
26,32 zł
1 szt.
814
2607329011
Zestaw Części Zamiennych
Zapytaj
1 szt.
—
840
3605700054
Kołnierz Pośredni
Zapytaj
1 szt.
—