Części
Maszyny
Kontakt
Home
Maszyny
Gwintownica
Bosch
Gwintownik HGR 55/10
0602463101 -
Gwintownik Bosch HGR 55/10
100%
Poz:
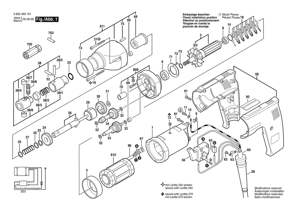
1
3
4
6
8
9
10
11
12
14
18
19
20
21
23
24
25
26
27
29
30
31
32
3/3
33
34
35
38
52
56
58
59
60
61
62
63
64
66
67
68
69
70
71
72
73
74
75
95
99
38/1
38/2
38/3
38/4
38/5
38/6
38/7
38/8
700
703
809
810
811
62 części
Sortuj
Poz.
Nr kat.
Nazwa
Cena brutto
Ilość
Zamów
1
3605102044
Kadłub Silnika
Zapytaj
1 szt.
—
3
3604080020
Wirnik
Zapytaj
1 szt.
—
4
1600502005
Pierścień Kier. Powietrza
12,00 zł
1 szt.
—
6
1610905011
Łożysko Kulkowe Zwykłe
54,00 zł
1 szt.
—
8
1900905015
Łożysko Kulkowe Zwykłe
117,00 zł
1 szt.
—
9
3601321001
Pałąk Zaciskowy
15,00 zł
1 szt.
—
10
3600150006
Podkładka Sprężysta
12,00 zł
1 szt.
—
11
2910110120
Śruba Z Łbem Płaskim
8,00 zł
1 szt.
—
12
3603402000
Wkręt Bez Łba
9,00 zł
1 szt.
—
14
3600210039
Pierścień Samouszczeln.
31,00 zł
1 szt.
—
18
3600150013
Sprężyna Talerzowa
15,00 zł
11 szt.
—
19
3603414001
Śr.Z Łb.Okr.O Gnieź.Sześ.
9,72 zł
1 szt.
—
20
2910141122
Śr.Z Łb.Okr.O Gnieź.Sześ.
11,00 zł
2 szt.
—
21
2910141140
Śr.Z Łb.Okr.O Gnieź.Sześ.
9,00 zł
2 szt.
—
23
1900210009
Pierścień Samouszczeln.
Zapytaj
1 szt.
—
24
1606325010
Koło Zębate Czołowe
Zapytaj
1 szt.
—
25
1600224025
Pierścień Sprężysty
12,00 zł
1 szt.
—
26
2603124066
Wał Napędowy
Zapytaj
1 szt.
—
27
2604630000
Sprężyna Dociskowa
Zapytaj
1 szt.
—
29
2600400023
Tulejka Dystansowa
Zapytaj
1 szt.
—
30
1606325011
Koło Zębate Czołowe
Zapytaj
1 szt.
—
31
1600100631
Podkładka Regulacyjna
9,00 zł
1 szt.
—
32
2600100613
Podkładka Regulacyjna
9,00 zł
4 szt.
—
3/3
1606610105
Wentylator
54,00 zł
1 szt.
—
33
1606328092
Wał Z Kołem Zębatym
Zapytaj
1 szt.
—
34
1606328093
Wał Z Kołem Zębatym
Zapytaj
1 szt.
—
35
2600101513
Podkładka
9,00 zł
2 szt.
—
38
2608573000
UCHWYT DWUSZCZĘKOWY
Zapytaj
1 szt.
—
52
1603110003
KLIN NAPINAJĄCY
Zapytaj
1 szt.
—
56
3607200003
Wyłącznik
105,00 zł
1 szt.
—
58
3605132039
Rękojeść
Zapytaj
1 szt.
—
59
3600703011
Końcówka
13,00 zł
1 szt.
—
60
3604462050
Przewód Elekt. Ze Złączem
Zapytaj
1 szt.
—
61
2603490023
Wkręt Soczewkowy Torx
8,00 zł
7 szt.
—
62
2910021116
Śruba Z Łbem Walcowym
11,00 zł
2 szt.
—
63
1601302014
Zacisk Mocujący
9,00 zł
1 szt.
—
64
1901091012
Listwa Zaciskowa
21,00 zł
1 szt.
—
66
3600707032
Wąż Skurczowy
Zapytaj
1 szt.
—
67
3604477008
Tuleja Końcowa Żyły
8,00 zł
3 szt.
—
68
2600322043
Tuleja Łożyskowa
Zapytaj
1 szt.
—
69
2600300058
Tuleja Łożyskowa
Zapytaj
4 szt.
—
70
3600328036
Tuleja Łożyskowa
Zapytaj
1 szt.
—
71
3600190012
Tarcza Ustalająca
Zapytaj
1 szt.
—
72
2910780050
Wkręt Z Łbem Stożk. Płas.
Zapytaj
3 szt.
—
73
1600210045
Pierścień Samouszczeln.
9,00 zł
1 szt.
—
74
2600400026
Pierścień Ustalający
Zapytaj
1 szt.
—
75
2917500120
Kołek Walcowy
Zapytaj
1 szt.
—
95
3601106053
Tabliczka Znamionowa
21,00 zł
1 szt.
—
99
3601119236
Tabliczka Informacyjna
15,00 zł
1 szt.
—
38/1
1600328021
Zabierak
271,95 zł
1 szt.
—
38/2
1604617002
Sprężyna Dociskowa
Zapytaj
1 szt.
—
38/3
1600506000
Obudowa Sprężyny
Zapytaj
1 szt.
—
38/4
1603219006
Zabierak
349,69 zł
1 szt.
—
38/5
1613100012
Kołek Walcowy
12,00 zł
1 szt.
—
38/6
1603502000
Kołek Gwintowany
74,00 zł
1 szt.
—
38/7
1600390002
Szczęki Mocujące
Zapytaj
1 szt.
—
38/8
1600390003
Szczęki Mocujące
Zapytaj
1 szt.
—
700
3608502000
UCHWYT GWINTOWNICY
Zapytaj
1 szt.
—
703
1603110000
KLIN NAPINAJĄCY
Zapytaj
1 szt.
—
809
1605820179
Osłona Łożyska
Zapytaj
1 szt.
—
810
1604229200
Stojan
1659,00 zł
1 szt.
—
811
2605806097
Obudowa Przekładni
Zapytaj
1 szt.
—