Części
Maszyny
Kontakt
Home
Maszyny
Gwintownica
Bosch
Gwintownik GGW 10 E
0601462838 -
Gwintownik Bosch GGW 10 E
100%
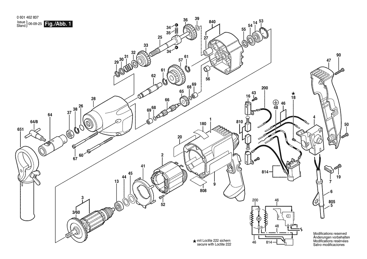
Poz:
1
2
3
4
5
6
7
9
13
14
16
18
20
25
26
27
28
29
30
31
32
33
34
35
36
37
38
39
41
43
44
45
46
47
48
50
52
53
54
55
56
57
60
61
62
64
65
66
67
68
69
90
180
200
3/60
64/8
651
808
810
814
840
61 części
Sortuj
Poz.
Nr kat.
Nazwa
Cena brutto
Ilość
Zamów
1
2605104309
Kadłub Silnika
92,00 zł
1 szt.
—
2
2604220427
Stojan
Zapytaj
1 szt.
—
3
2604010610
Twornik
311,68 zł
1 szt.
—
4
2607200185
Wyłącznik
208,49 zł
1 szt.
—
5
2604460135
Przewód Zasil. Sieciowy
66,00 zł
1 szt.
—
6
2600707061
Końcówka
13,00 zł
1 szt.
—
7
2601035001
Uchwyt Przewodu
9,00 zł
1 szt.
—
9
3601110341
Tabliczka Naklejana
Zapytaj
1 szt.
—
13
1900905018
Łożysko Kulkowe
66,00 zł
1 szt.
—
14
2600905021
Łożysko Kulkowe Zwykłe
34,00 zł
1 szt.
—
16
2604337003
Uchwyt Szczotek
11,00 zł
2 szt.
—
18
2603410001
Śruba Z Łbem Walcowym
9,00 zł
2 szt.
—
20
3601110342
Tabliczka Naklejana
Zapytaj
1 szt.
—
25
3606135003
WRZECIONO WIERTARSKIE
405,00 zł
1 szt.
—
26
3600210065
Pierścień Samouszczeln.
Zapytaj
1 szt.
—
27
3600328036
Tuleja Łożyskowa
Zapytaj
1 szt.
—
28
3605190131
Obudowa Przekładni
484,00 zł
1 szt.
—
29
3600118009
Pierścień Zabezpieczajacy
8,00 zł
1 szt.
—
30
3600101043
Podkładka
15,00 zł
1 szt.
—
31
3604616016
Sprężyna Dociskowa
Zapytaj
1 szt.
—
32
3600101044
Podkładka Regulacyjna
Zapytaj
1 szt.
—
33
3606316071
Koło Zębate Czołowe
359,00 zł
1 szt.
—
34
1903230011
Kula
12,00 zł
2 szt.
—
35
3604610018
Sprężyna Dociskowa
8,00 zł
1 szt.
—
36
3606316020
Koło Zębate Czołowe
359,00 zł
1 szt.
—
37
3603300007
Nakrętka
Zapytaj
1 szt.
—
38
3600118010
Pierścień Zabezpieczajacy
Zapytaj
1 szt.
—
39
2600100505
Podkładka Regulacyjna
Zapytaj
1 szt.
—
41
2601328033
Pierścień Zakrywający
Zapytaj
1 szt.
—
43
1613435034
Wkręt O Socz. Łbie Stożk.
8,00 zł
4 szt.
—
44
2600150004
Podkładka Regulacyjna
11,00 zł
1 szt.
—
45
2600101020
Podkładka Regulacyjna
9,00 zł
1 szt.
—
46
2604448005
Przewód Elektryczny
9,00 zł
1 szt.
—
47
2605132049
Pokrywa Obudowy
Zapytaj
1 szt.
—
48
2604448097
Przewód Uziemiający
9,00 zł
1 szt.
—
50
2910211019
Wkręt Do Blach
8,00 zł
2 szt.
—
52
2603435015
Wkręt Z Rowkiem Krzyżowym
11,00 zł
2 szt.
—
53
2916660008
Pierścień Zabezpieczajacy
11,00 zł
1 szt.
—
54
2600500002
Podkładka
9,00 zł
1 szt.
—
55
2600108077
Pierścień Filcowy
9,00 zł
1 szt.
—
56
2600400008
Tuleja Wciskana
9,00 zł
1 szt.
—
57
3606328000
Koło Zębate Czołowe
Zapytaj
1 szt.
—
60
1603435036
Wkręt Do Blach
9,00 zł
2 szt.
—
61
2916650903
Pierścień Zabezpieczajacy
9,00 zł
2 szt.
—
62
3603124000
Oś
198,00 zł
1 szt.
—
64
2608573003
Uchwyt Wiertarski
Zapytaj
1 szt.
—
65
3606316021
Koło Zębate Czołowe
198,00 zł
1 szt.
—
66
3606337062
Wał Z Kołem Zębatym
198,00 zł
1 szt.
—
67
2603435012
Wkręt Do Blach
Zapytaj
2 szt.
—
68
2600100613
Podkładka Regulacyjna
9,00 zł
2 szt.
—
69
9001140359
Tuleja Igłowa
25,00 zł
2 szt.
—
90
2910211022
Wkręt Do Blach
8,00 zł
1 szt.
—
180
3601119137
TABLICZKA OSTRZEGAWCZA
15,00 zł
1 szt.
—
200
2604448100
Kabel Łączący
8,00 zł
1 szt.
—
3/60
2606610049
Wentylator
11,00 zł
1 szt.
—
64/8
2607950012
KLUCZ DO UCHWYTU ZĘBATEGO
59,00 zł
1 szt.
—
651
2602025057
Uchwyt Dodatkowy
Zapytaj
1 szt.
—
808
160111A3H3
Tabliczka Znamionowa
12,00 zł
1 szt.
—
810
2604321905
Zestaw Szczotek Węglowych
31,00 zł
1 szt.
—
814
2607329011
Zestaw Części Zamiennych
Zapytaj
1 szt.
—
840
3605700054
Kołnierz Pośredni
Zapytaj
1 szt.
—