Części
Maszyny
Kontakt
Home
Maszyny
Frezarki
DeWalt
Frezarka
DW685K-Type-3 -
Frezarka DeWalt
100%
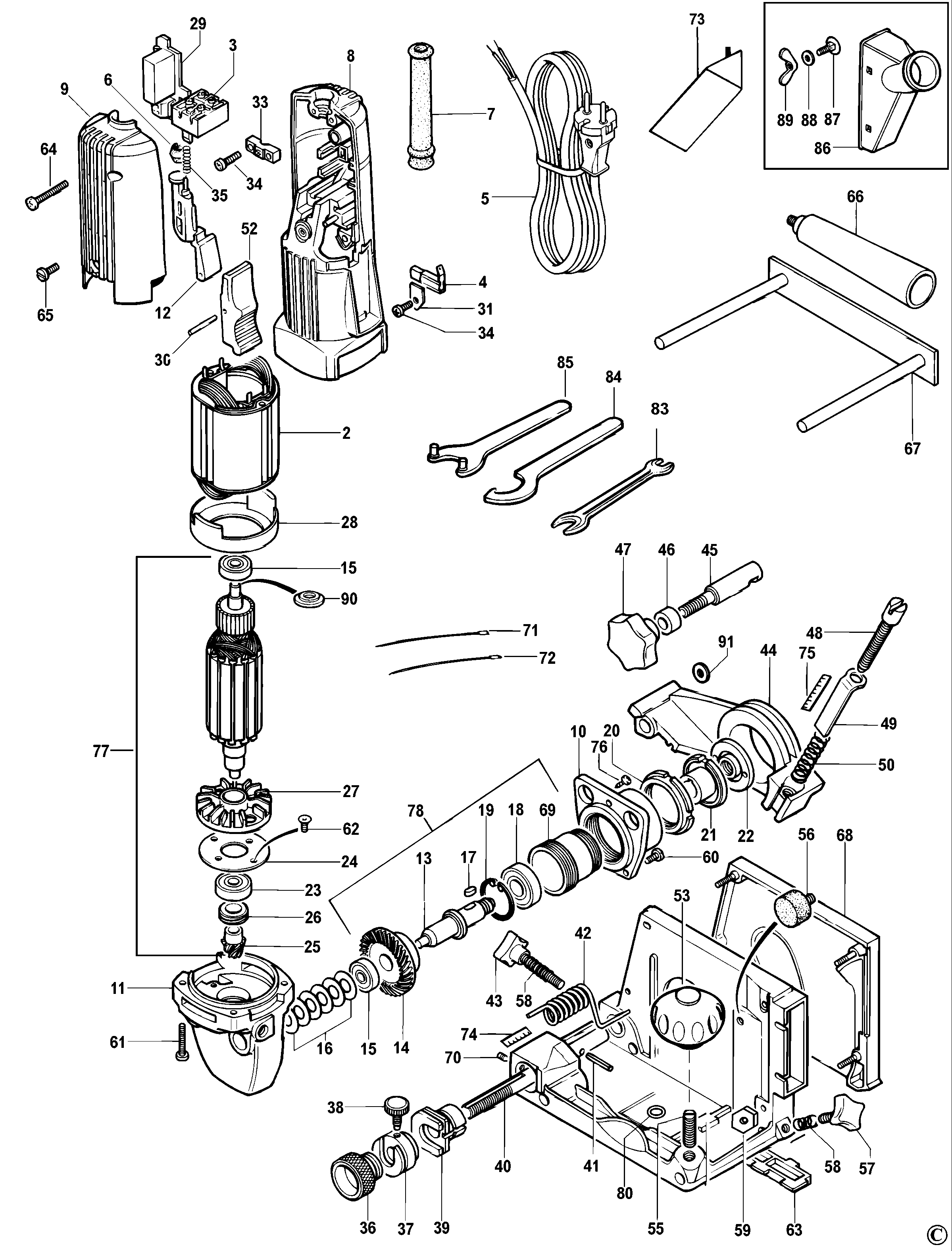
Poz:
2
3
4
5
6
7
8
9
10
11
12
13
14
15
16
17
18
19
20
21
22
23
24
25
26
27
28
29
29
30
31
33
34
35
36
37
38
39
40
41
42
43
44
45
46
47
48
49
50
52
53
55
56
57
58
59
60
61
62
63
64
65
66
67
68
69
70
71
72
73
74
75
76
77
78
80
83
84
85
86
87
88
89
90
91
85 części
Sortuj
Poz.
Nr kat.
Nazwa
Cena brutto
Ilość
Zamów
2
140102103
Stojan 220V
Zapytaj
1 szt.
—
3
140160300
Wyłącznik
Zapytaj
1 szt.
—
4
140105702
Uchwyt Szczotki 230V
69,00 zł
1 szt.
—
5
330120-86
Przewód Zasilający
69,00 zł
1 szt.
—
6
140161100
Kołpak
Zapytaj
1 szt.
—
7
012160900
Tuleja
Zapytaj
1 szt.
—
8
249505-02
Skrzynka Pola
Zapytaj
1 szt.
—
9
249507-02
Pokrywa
Zapytaj
1 szt.
—
10
140151900
Płyta
Zapytaj
1 szt.
—
11
249236-10
Skrzynka Przekładni - Podzespół
Zapytaj
1 szt.
—
12
941095
Dźwignia
15,00 zł
1 szt.
—
13
140151201
Wybierak
Zapytaj
1 szt.
—
14
140150902
Przekładnia
Zapytaj
1 szt.
—
15
141830000
Łożysko
34,00 zł
1 szt.
—
16
140931422
Sprężyna
Zapytaj
1 szt.
—
17
021827000
Klucz
Zapytaj
1 szt.
—
18
013830000
Łożysko
Zapytaj
1 szt.
—
19
038821200
Pierścień Sprężynujący
Zapytaj
1 szt.
—
20
140153400
Pierścień Blokujący
Zapytaj
1 szt.
—
21
140155400
Występ
Zapytaj
1 szt.
—
22
140153300
Podkładka Blokująca
38,00 zł
1 szt.
—
23
142830000
Łożysko
Zapytaj
1 szt.
—
24
140153302
Podkładka Oporowa
Zapytaj
1 szt.
—
25
140150200
Przekładnia
Zapytaj
1 szt.
—
26
140152800
Olejarka
Zapytaj
1 szt.
—
27
140130501
Wentylator
Zapytaj
1 szt.
—
28
140120600
Przegroda
Zapytaj
1 szt.
—
29
065121902
Kondensator
Zapytaj
1 szt.
—
29
142121900
Kondensator
Zapytaj
1 szt.
—
30
018810000
Kołek
7,00 zł
1 szt.
—
31
140931226
Zacisk
Zapytaj
1 szt.
—
33
379684
Zacisk Przewodu
Zapytaj
1 szt.
—
34
249416-06
Śruba
Zapytaj
1 szt.
—
35
024931038
Sprężyna
Zapytaj
1 szt.
—
36
140112400
Nakrętka
Zapytaj
1 szt.
—
37
140110700
Pierścień
Zapytaj
1 szt.
—
38
140117100
Śruba
Zapytaj
1 szt.
—
39
140114000
Panew
Zapytaj
1 szt.
—
40
140112300
Oś Obrotowa
Zapytaj
1 szt.
—
41
011810202
Kołek
Zapytaj
1 szt.
—
42
140932209
Sprężyna
15,00 zł
1 szt.
—
43
140824100
Gałka
Zapytaj
1 szt.
—
44
140113400
Wspornik
Zapytaj
1 szt.
—
45
140117101
Zacisk
Zapytaj
1 szt.
—
46
140117600
Tuleja
Zapytaj
1 szt.
—
47
023824200
Gałka
27,00 zł
1 szt.
—
48
140117102
Screw.Temp
Zapytaj
1 szt.
—
49
249088-00
Płyta
Zapytaj
1 szt.
—
50
140934020
Sprężyna
Zapytaj
1 szt.
—
52
140120506
Dźwignia
10,00 zł
1 szt.
—
53
379019
Gałka
Zapytaj
1 szt.
—
55
249434-00
Śruba
Zapytaj
1 szt.
—
56
761299-00
Stopa
12,00 zł
1 szt.
—
57
025922908
Gałka
Zapytaj
1 szt.
—
58
868082-00
Sprężyna
7,00 zł
1 szt.
—
59
591114-00
Nakrętka
7,00 zł
1 szt.
—
60
249424-01
Śruba
Zapytaj
1 szt.
—
61
249416-04
Śruba
Zapytaj
1 szt.
—
62
860205-04
Śruba
7,00 zł
1 szt.
—
63
249112-00
Wkładka
Zapytaj
1 szt.
—
64
949896-11
Śruba
7,00 zł
1 szt.
—
65
249424-02
Śruba
7,00 zł
1 szt.
—
66
573115-00
Uchwyt Boczny
14,00 zł
1 szt.
—
67
140106900
Prowadnica
123,00 zł
1 szt.
—
68
140106600
Stół I Płyta- Podzespół
Zapytaj
1 szt.
—
69
140152300
Panew
Zapytaj
1 szt.
—
70
011814600
Kołek
Zapytaj
1 szt.
—
71
140164501
Lead 140Mm Red
Zapytaj
1 szt.
—
72
140164502
Lead 130Mm Yellow
Zapytaj
1 szt.
—
73
140106903
Prowadnica
Zapytaj
1 szt.
—
74
249280-00
Podziałka
Zapytaj
1 szt.
—
75
249279-00
Podziałka
Zapytaj
1 szt.
—
76
249424-00
Śruba
Zapytaj
1 szt.
—
77
140100204
Twornik Kit 220
Zapytaj
1 szt.
—
78
140102200
Przekładnia
Zapytaj
1 szt.
—
80
249223-00
Podkładka M8
Zapytaj
1 szt.
—
83
941580-00
Klucz Płaski 13-17Mm
27,00 zł
1 szt.
—
84
025351500
Klucz Oczkowy
42,00 zł
1 szt.
—
85
249109-00
Klucz Pin
123,00 zł
1 szt.
—
86
249113-00
Złączka
Zapytaj
1 szt.
—
87
249407-00
Śruba
Zapytaj
1 szt.
—
88
249233-00
Podkładka
7,00 zł
1 szt.
—
89
249225-02
Nakrętka Wing
Zapytaj
1 szt.
—
90
930051
Dystans
Zapytaj
1 szt.
—
91
933515
Podkładka
Zapytaj
1 szt.
—