Części
Maszyny
Kontakt
Home
Maszyny
Frezarki
DeWalt
Frezarka
MOF177-Type-1 -
Frezarka DeWalt
100%
Poz:
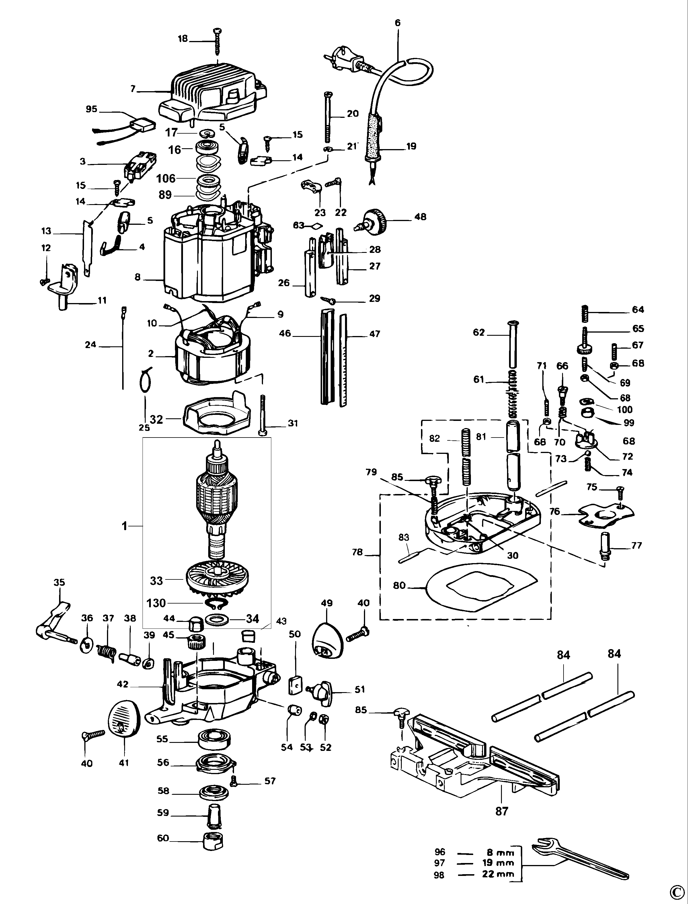
1
2
2
3
4
4
5
7
8
9
10
11
12
13
14
15
16
17
18
19
20
21
22
23
24
25
26
27
28
29
30
31
32
33
34
36
38
39
40
41
42
43
44
45
46
47
48
49
50
51
52
53
54
55
57
60
61
62
63
64
65
66
67
68
69
71
72
73
74
75
78
79
80
81
82
83
84
85
87
89
95
96
97
98
99
100
106
130
88 części
Sortuj
Poz.
Nr kat.
Nazwa
Cena brutto
Ilość
Zamów
1
869367-00
Zestaw Serwisowy 230V
Zapytaj
1 szt.
—
2
941473-00
Stojan 220V
Zapytaj
1 szt.
—
2
761200-00
Stojan 115V
Zapytaj
1 szt.
—
3
868128-00
Wyłącznik
Zapytaj
1 szt.
—
4
940146-00
Szczotka 230V
27,00 zł
1 szt.
—
4
940146-01
Szczotka 115V
42,00 zł
1 szt.
—
5
761202-00
Zestaw Ze Szczotkami - Podzespół
27,00 zł
1 szt.
—
7
248401-06
Zakończenie
42,00 zł
1 szt.
—
8
249640-00
Osłona - Zestaw Naprawczy
Zapytaj
1 szt.
—
9
868129-12
Prowadnica Szczotki
Zapytaj
1 szt.
—
10
868129-00
Lead 175Mm Red
7,00 zł
1 szt.
—
11
177120500
Dźwignia
Zapytaj
1 szt.
—
12
249412-10
Śruba
7,00 zł
1 szt.
—
13
868123-00
Suwak
16,00 zł
1 szt.
—
14
868133-00
Zacisk
21,00 zł
1 szt.
—
15
949896-11
Śruba
7,00 zł
1 szt.
—
16
868768-13
Łożysko
32,00 zł
1 szt.
—
17
860079-03
Pierścień Sprężynujący
7,00 zł
1 szt.
—
18
249416-04
Śruba
Zapytaj
1 szt.
—
19
868520-00
Osłona Przewodu
7,00 zł
1 szt.
—
20
249424-24
Śruba
7,00 zł
1 szt.
—
21
930248-00
Podkładka
7,00 zł
1 szt.
—
22
760996-00
Screw.Temp
Zapytaj
1 szt.
—
23
177162700
Zacisk Przewodu
Zapytaj
1 szt.
—
24
868129-02
Lead 80Mm Red
7,00 zł
1 szt.
—
25
249232-00
Nakrętka M4
Zapytaj
1 szt.
—
26
248395-05
Podpora Lewa
Zapytaj
1 szt.
—
27
248394-05
Podpora Prawa
Zapytaj
1 szt.
—
28
868124-01
Soczewka
16,00 zł
1 szt.
—
29
860428-04
Śruba
7,00 zł
1 szt.
—
30
761225-02
Nakrętka
7,00 zł
1 szt.
—
31
248934-00
Śruba
7,00 zł
1 szt.
—
32
177120600
Baffle Fan
Zapytaj
1 szt.
—
33
N041821
Wentylator
21,00 zł
1 szt.
—
34
868127-02
Dystans
7,00 zł
1 szt.
—
36
031120602
Podkładka
Zapytaj
1 szt.
—
38
031120901
Dystans
Zapytaj
1 szt.
—
39
031126000
Zacisk
Zapytaj
1 szt.
—
40
869355-00
Zestaw Naprawczy
85,00 zł
1 szt.
—
41
869355-00
Zestaw Naprawczy
85,00 zł
1 szt.
—
42
248200-00
Osłona - Podzespół
Zapytaj
1 szt.
—
43
174980164
Panew
Zapytaj
1 szt.
—
44
868150-00
Nakrętka
12,00 zł
1 szt.
—
45
942910-00
Nakrętka
27,00 zł
1 szt.
—
46
868122-00
Zębatka
57,00 zł
1 szt.
—
47
249281-00
Podziałka
7,00 zł
1 szt.
—
48
761243-05
Wałek Zębaty
42,00 zł
1 szt.
—
49
869355-00
Zestaw Naprawczy
85,00 zł
1 szt.
—
50
868119-00
Płyta
12,00 zł
1 szt.
—
51
939840-05
Śruba Wing
21,00 zł
1 szt.
—
52
249411-00
Nakrętka M6
Zapytaj
1 szt.
—
53
743415
Podkładka
Zapytaj
1 szt.
—
54
031120902
Dystans
Zapytaj
1 szt.
—
55
868132-03
Łożysko
85,00 zł
1 szt.
—
57
249424-02
Śruba
7,00 zł
1 szt.
—
60
942893-01
Nakrętka Tuleji Zaciskowej
32,00 zł
1 szt.
—
61
868115-00
Sprężyna
9,00 zł
1 szt.
—
62
868566-01
Pręt
7,00 zł
1 szt.
—
63
151820200
Podkładka
Zapytaj
1 szt.
—
64
868113-00
Sprężyna
7,00 zł
1 szt.
—
65
868125-00
Śruba
15,00 zł
1 szt.
—
66
249432-00
Śruba
Zapytaj
1 szt.
—
67
942931-02
Screw.Temp
7,00 zł
1 szt.
—
68
860083-02
Nakrętka
7,00 zł
1 szt.
—
69
942931-01
Śruba
7,00 zł
1 szt.
—
71
942931-00
Śruba
7,00 zł
1 szt.
—
72
720674-01
Głowica Rewolwerowa
Zapytaj
1 szt.
—
73
720664-00
Kulka
7,00 zł
1 szt.
—
74
868082-00
Sprężyna
7,00 zł
1 szt.
—
75
249412-20
Śruba
7,00 zł
1 szt.
—
78
329820-49
Płyta Podstawy - Podzespół
610,00 zł
1 szt.
—
79
868082-00
Sprężyna
7,00 zł
1 szt.
—
80
177111702
Podstawa
Zapytaj
1 szt.
—
81
329820-49
Płyta Podstawy - Podzespół
610,00 zł
1 szt.
—
82
329820-49
Płyta Podstawy - Podzespół
610,00 zł
1 szt.
—
83
069913906
Kołek
Zapytaj
1 szt.
—
84
868147-01
Pręt
32,00 zł
1 szt.
—
85
326573-01
Śruba Wing
7,00 zł
1 szt.
—
87
948581-00
Prowadnica - Podzespół
245,00 zł
1 szt.
—
89
248978-00
Podkładka Sprężysta
7,00 zł
1 szt.
—
95
868120-00
Kondensator
14,00 zł
1 szt.
—
96
868148-00
Klucz
16,00 zł
1 szt.
—
97
027351200
Klucz
Zapytaj
1 szt.
—
98
868111-00
Klucz
21,00 zł
1 szt.
—
99
868092-00
Podkładka
Zapytaj
1 szt.
—
100
860658-01
Podkładka
7,00 zł
1 szt.
—
106
868127-01
Dystans
14,00 zł
1 szt.
—
130
941541-00
Pierścień Sprężynujący
7,00 zł
1 szt.
—