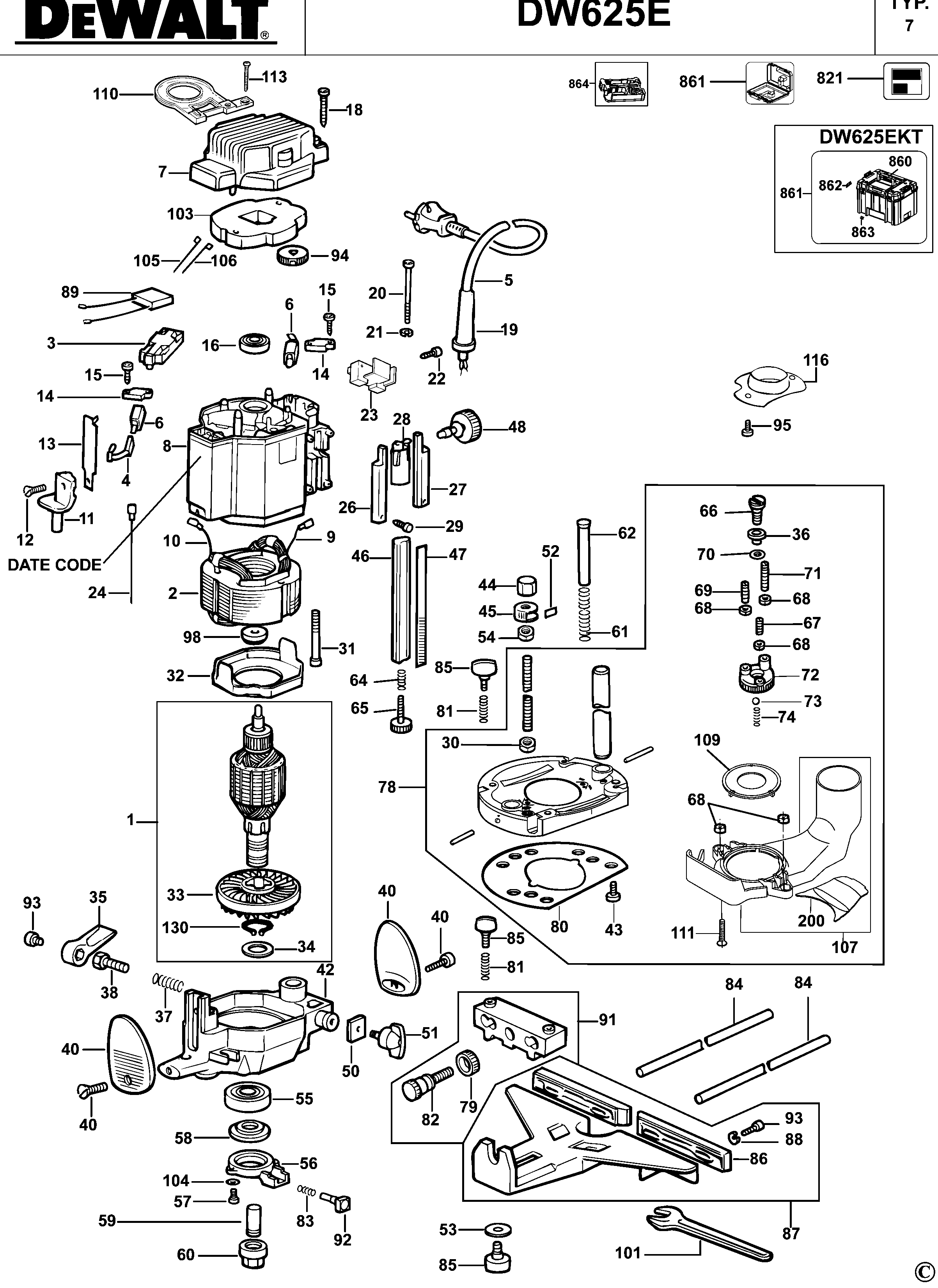
Części
Maszyny
Kontakt
Home
Maszyny
Frezarki
DeWalt
Frezarka
DW625E-Type-7 -
Frezarka DeWalt
100%
Poz:
1
2
3
4
5
6
7
8
9
10
11
12
13
14
15
16
18
19
20
21
22
23
24
26
27
28
29
30
31
32
33
34
35
36
37
38
40
42
43
44
45
46
47
48
50
51
52
53
54
55
56
57
58
59
60
61
62
64
65
66
67
68
69
70
71
72
73
74
78
79
80
81
82
83
84
84
85
86
87
88
89
91
92
93
94
95
98
101
103
104
105
106
107
109
110
111
113
116
130
200
821
860
861
861
862
863
864
107 części
Sortuj
Poz.
Nr kat.
Nazwa
Cena brutto
Ilość
Zamów
1
N431792
Twornik 230V
521,00 zł
1 szt.
—
2
N431793
Stojan 230V
257,00 zł
1 szt.
—
3
868128-00
Wyłącznik
Zapytaj
1 szt.
—
4
869368-00
Szczotka Pair 230V
69,00 zł
1 szt.
—
5
868632-00
Przewód I Wtyczka
78,00 zł
1 szt.
—
6
760208-00
Zestaw Ze Szczotkami - Podzespół
32,00 zł
1 szt.
—
7
N348019
Zakończenie
51,00 zł
1 szt.
—
8
N410361
Osłona Silnika
115,00 zł
1 szt.
—
9
N426129
Lead Yellow
7,00 zł
1 szt.
—
10
868129-04
Lead 95Mm Red
7,00 zł
1 szt.
—
11
868145-00
Dźwignia
15,00 zł
1 szt.
—
12
249412-10
Śruba
7,00 zł
1 szt.
—
13
868123-00
Suwak
16,00 zł
1 szt.
—
14
868133-00
Zacisk
21,00 zł
1 szt.
—
15
860428-04
Śruba
7,00 zł
1 szt.
—
16
N110359
Łożysko
10,00 zł
1 szt.
—
18
249220-00
Śruba
7,00 zł
1 szt.
—
19
720703-00
Ochraniacz
7,00 zł
1 szt.
—
20
249424-24
Śruba
7,00 zł
1 szt.
—
21
930248-00
Podkładka
7,00 zł
1 szt.
—
22
860084-04
Śruba
7,00 zł
1 szt.
—
23
248180-00
Zacisk Przewodu
9,00 zł
1 szt.
—
24
868129-02
Lead 80Mm Red
7,00 zł
1 szt.
—
26
248395-00
Podpora Lewa
9,00 zł
1 szt.
—
27
248394-00
Podpora Prawa
9,00 zł
1 szt.
—
28
868124-01
Soczewka
16,00 zł
1 szt.
—
29
860428-04
Śruba
7,00 zł
1 szt.
—
30
761225-02
Nakrętka
7,00 zł
1 szt.
—
31
248934-00
Śruba
7,00 zł
1 szt.
—
32
N388121
Baffle Fan
21,00 zł
1 szt.
—
33
N388100
Wentylator
27,00 zł
1 szt.
—
34
868127-02
Dystans
7,00 zł
1 szt.
—
35
942906-00
Dźwignia
27,00 zł
1 szt.
—
36
329836-00
Panew
7,00 zł
1 szt.
—
37
942909-00
Sprężyna
7,00 zł
1 szt.
—
38
868204-00
Śruba
21,00 zł
1 szt.
—
40
869355-00
Zestaw Naprawczy
85,00 zł
1 szt.
—
42
942898-00
Osłona Dolna
380,00 zł
1 szt.
—
43
860205-04
Śruba
7,00 zł
1 szt.
—
44
868150-00
Nakrętka
12,00 zł
1 szt.
—
45
942910-00
Nakrętka
27,00 zł
1 szt.
—
46
868122-00
Zębatka
57,00 zł
1 szt.
—
47
249281-00
Podziałka
7,00 zł
1 szt.
—
48
761243-05
Wałek Zębaty
42,00 zł
1 szt.
—
50
868119-00
Płyta
12,00 zł
1 szt.
—
51
939840-05
Śruba Wing
21,00 zł
1 szt.
—
52
942912-00
Sprężyna
7,00 zł
1 szt.
—
53
249221-00
Podkładka
7,00 zł
1 szt.
—
54
942911-00
Przycisk
24,00 zł
1 szt.
—
55
868132-03
Łożysko
85,00 zł
1 szt.
—
56
942900-03
Zacisk
51,00 zł
1 szt.
—
57
249424-02
Śruba
7,00 zł
1 szt.
—
58
N436230
Nakrętka Blokady
32,00 zł
1 szt.
—
59
868116-00
Tuleja Zaciskowa
123,00 zł
1 szt.
—
60
942893-01
Nakrętka Tuleji Zaciskowej
32,00 zł
1 szt.
—
61
868115-00
Sprężyna
9,00 zł
1 szt.
—
62
868566-01
Pręt
7,00 zł
1 szt.
—
64
868113-00
Sprężyna
7,00 zł
1 szt.
—
65
868125-00
Śruba
15,00 zł
1 szt.
—
66
330045-05
Śruba
7,00 zł
1 szt.
—
67
942931-02
Screw.Temp
7,00 zł
1 szt.
—
68
860083-02
Nakrętka
7,00 zł
1 szt.
—
69
942931-01
Śruba
7,00 zł
1 szt.
—
70
327012-00
Podkładka Sprężysta
7,00 zł
1 szt.
—
71
942931-00
Śruba
7,00 zł
1 szt.
—
72
N547463
Głowica Rewolwerowa
18,00 zł
1 szt.
—
73
720664-00
Kulka
7,00 zł
1 szt.
—
74
868082-00
Sprężyna
7,00 zł
1 szt.
—
78
329820-49
Płyta Podstawy - Podzespół
610,00 zł
1 szt.
—
79
942918-00
Indeks
8,00 zł
1 szt.
—
80
328645-00
Podstawa
57,00 zł
1 szt.
—
81
868082-00
Sprężyna
7,00 zł
1 szt.
—
82
942917-00
Śruba Special
78,00 zł
1 szt.
—
83
942904-00
Sprężyna
7,00 zł
1 szt.
—
84
326966-00
Pręt 10Mm X 300Mm
27,00 zł
1 szt.
—
84
868147-01
Pręt
32,00 zł
1 szt.
—
85
326573-01
Śruba Wing
7,00 zł
1 szt.
—
86
942915-00
Osłona
42,00 zł
1 szt.
—
87
948581-01
Prowadnica - Podzespół
123,00 zł
1 szt.
—
88
860073-01
Podkładka
7,00 zł
1 szt.
—
89
869361-00
Kondensator
14,00 zł
1 szt.
—
91
948582-01
Uchwyt - Podzespół
123,00 zł
1 szt.
—
92
942930-00
Blokada
14,00 zł
1 szt.
—
93
943023-00
Śruba
7,00 zł
1 szt.
—
94
249067-01
Koło
15,00 zł
1 szt.
—
95
249412-20
Śruba
7,00 zł
1 szt.
—
98
868141-00
Nabiegunnik
27,00 zł
1 szt.
—
101
868111-00
Klucz
21,00 zł
1 szt.
—
103
868142-07
Pcb 230V
188,00 zł
1 szt.
—
104
932839-00
Podkładka
7,00 zł
1 szt.
—
105
868129-03
Lead 100Mm Red
7,00 zł
1 szt.
—
106
868129-05
Lead 100Mm Red
7,00 zł
1 szt.
—
107
329839-00
Osłona
235,00 zł
1 szt.
—
109
326599-01
Kołpak
14,00 zł
1 szt.
—
110
944817-00
Uchwyt
21,00 zł
1 szt.
—
111
869076-00
Śruba
7,00 zł
1 szt.
—
113
931297-00
Śruba
9,00 zł
1 szt.
—
116
249098-00
Tuleja Osłonowa
51,00 zł
1 szt.
—
130
941541-00
Pierścień Sprężynujący
7,00 zł
1 szt.
—
200
329538-00
Pokrywa
85,00 zł
1 szt.
—
821
N428608
Tabliczka Znamionowa
9,00 zł
1 szt.
—
860
H1400196008
Rękojeść
Zapytaj
1 szt.
—
861
578772-01
Kit Box
Zapytaj
1 szt.
—
861
N445186
Skrzynka Zestawu
285,00 zł
1 szt.
—
862
N409477
Zaczep
10,00 zł
1 szt.
—
863
P910190
Zaczep
15,00 zł
1 szt.
—
864
1008947-00
Wkładka
115,00 zł
1 szt.
—