Części
Maszyny
Kontakt
Home
Maszyny
Frezarki
DeWalt
Frezarka
MOF96E-Type-1 -
Frezarka DeWalt
100%
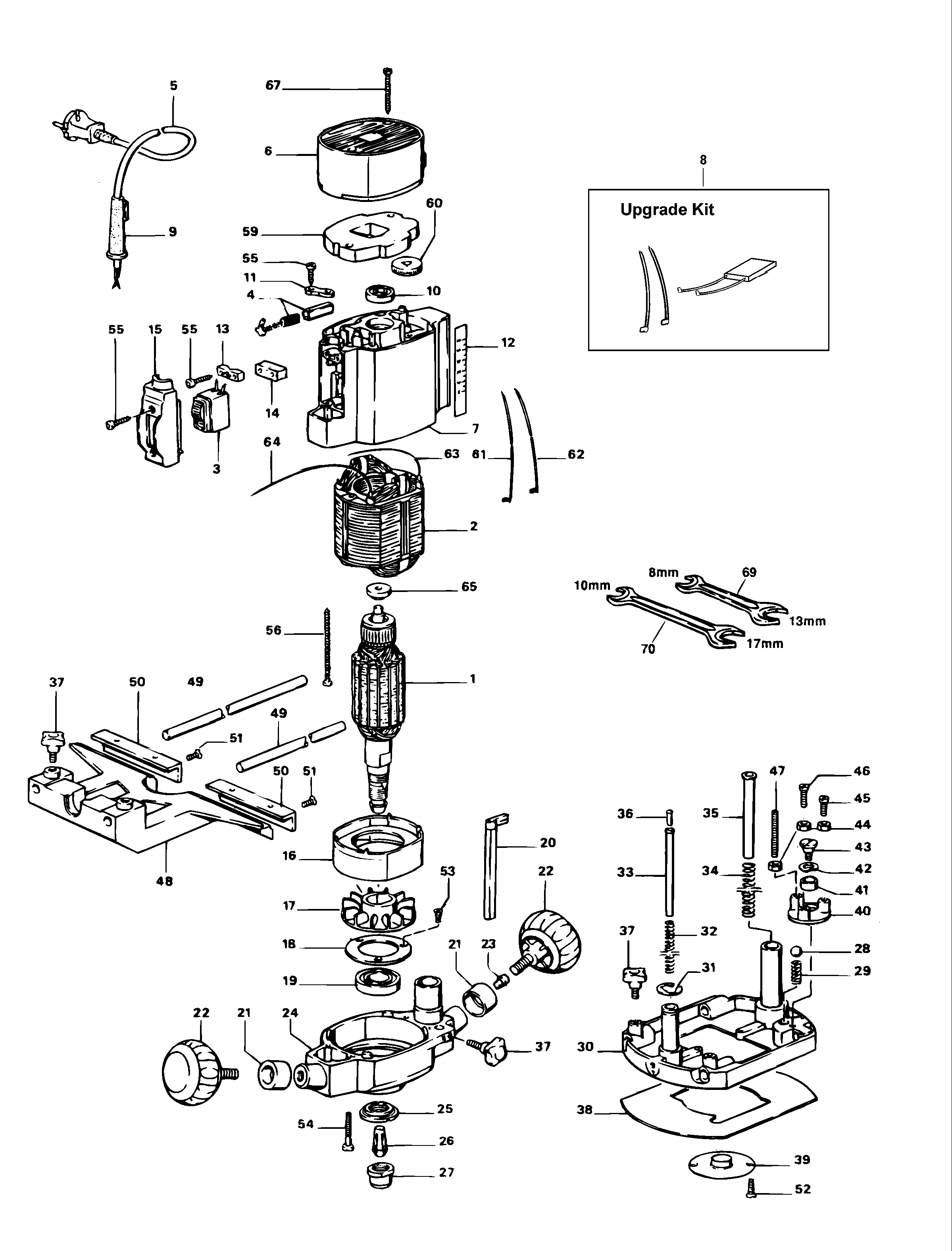
Poz:
1
1
2
3
4
4
5
5
5
6
7
8
9
10
11
12
13
14
15
16
17
18
19
20
21
22
23
24
25
27
27
28
29
30
31
32
33
34
35
36
37
38
40
41
42
43
44
45
46
47
48
49
50
51
52
53
54
55
56
59
60
61
62
63
64
65
67
69
70
69 części
Sortuj
Poz.
Nr kat.
Nazwa
Cena brutto
Ilość
Zamów
1
868627-00
Twornik 230V
Zapytaj
1 szt.
—
1
868627-02
Twornik
Zapytaj
1 szt.
—
2
096102105
Stojan 220V
Zapytaj
1 szt.
—
3
N566709
Wyłącznik
199,00 zł
1 szt.
—
4
247533-11
BRUSH & HOLDER 230V
69,00 zł
1 szt.
—
4
248447-11
Szczotka I Uchwyt - Podzespół
34,00 zł
1 szt.
—
5
868097-00
Przewód
Zapytaj
1 szt.
—
5
096101907
Przewód
Zapytaj
1 szt.
—
5
868068-00
Przewód
Zapytaj
1 szt.
—
6
249026-00
Pokrywa Szczotki
Zapytaj
1 szt.
—
7
943047-01
Skrzynka Pola
Zapytaj
1 szt.
—
8
581285-00
Tłumik
Zapytaj
1 szt.
—
9
868520-00
Osłona Przewodu
7,00 zł
1 szt.
—
10
N110358
Łożysko
18,00 zł
1 szt.
—
11
868069-00
Zacisk
7,00 zł
1 szt.
—
12
249278-00
Podziałka
Zapytaj
1 szt.
—
13
576118-00
Zacisk Przewodu
7,00 zł
1 szt.
—
14
096120703
Osłona
Zapytaj
1 szt.
—
15
247700-01
Pokrywa
14,00 zł
1 szt.
—
16
868522-00
Baffle Fan
Zapytaj
1 szt.
—
17
943054-00
Wentylator
21,00 zł
1 szt.
—
18
868047-00
Płyta
18,00 zł
1 szt.
—
19
868768-16
Łożysko
27,00 zł
1 szt.
—
20
868523-01
Ogranicznik Głębokości
27,00 zł
1 szt.
—
21
249108-00
Panew
Zapytaj
1 szt.
—
22
869284-05
Uchwyt - Podzespół
27,00 zł
1 szt.
—
23
869284-23
Gałka - Podzespół
51,00 zł
1 szt.
—
24
248954-00
Osłona Dolna
306,00 zł
1 szt.
—
25
868052-00
Nakrętka
21,00 zł
1 szt.
—
27
326286-00
Tuleja Zaciskowa I Nakrętka - Podzespół
137,00 zł
1 szt.
—
27
326286-01
Tuleja Zaciskowa I Nakrętka - Podzespół
123,00 zł
1 szt.
—
28
720664-00
Kulka
7,00 zł
1 szt.
—
29
868082-00
Sprężyna
7,00 zł
1 szt.
—
30
868613-00
Płyta Podstawy - Podzespół
Zapytaj
1 szt.
—
31
943032-00
Pierścień Sprężynujący
7,00 zł
1 szt.
—
32
096934010
Sprężyna
Zapytaj
1 szt.
—
33
096815201
Pręt
Zapytaj
1 szt.
—
34
096934007
Sprężyna
Zapytaj
1 szt.
—
35
868566-00
Pręt
7,00 zł
1 szt.
—
36
096815000
Nit
Zapytaj
1 szt.
—
37
025922908
Gałka
Zapytaj
1 szt.
—
38
096120702
Podstawa
Zapytaj
1 szt.
—
40
720674-01
Głowica Rewolwerowa
Zapytaj
1 szt.
—
41
868092-00
Podkładka
Zapytaj
1 szt.
—
42
860658-01
Podkładka
7,00 zł
1 szt.
—
43
249432-00
Śruba
Zapytaj
1 szt.
—
44
860083-02
Nakrętka
7,00 zł
1 szt.
—
45
942931-02
Screw.Temp
7,00 zł
1 szt.
—
46
942931-01
Śruba
7,00 zł
1 szt.
—
47
868109-00
Śruba
7,00 zł
1 szt.
—
48
948651-00
Prowadnica - Podzespół
182,00 zł
1 szt.
—
49
868080-00
Pręt
15,00 zł
1 szt.
—
50
249090-00
Osłona
12,00 zł
1 szt.
—
51
720685-00
Screw.Temp
Zapytaj
1 szt.
—
52
249412-20
Śruba
7,00 zł
1 szt.
—
53
860205-04
Śruba
7,00 zł
1 szt.
—
54
249416-10
Śruba
Zapytaj
1 szt.
—
55
949896-12
Śruba
7,00 zł
1 szt.
—
56
868528-00
Śruba
Zapytaj
1 szt.
—
59
868529-04
Regulator Prędkości
188,00 zł
1 szt.
—
60
249067-01
Koło
15,00 zł
1 szt.
—
61
868530-00
Lead Brown
Zapytaj
1 szt.
—
62
868530-01
Lead Red
Zapytaj
1 szt.
—
63
868530-06
Lead Brown
Zapytaj
1 szt.
—
64
868530-03
Lead Blue
Zapytaj
1 szt.
—
65
868141-00
Nabiegunnik
27,00 zł
1 szt.
—
67
949896-12
Śruba
7,00 zł
1 szt.
—
69
868078-00
Klucz
Zapytaj
1 szt.
—
70
941580-00
Klucz Płaski 13-17Mm
27,00 zł
1 szt.
—