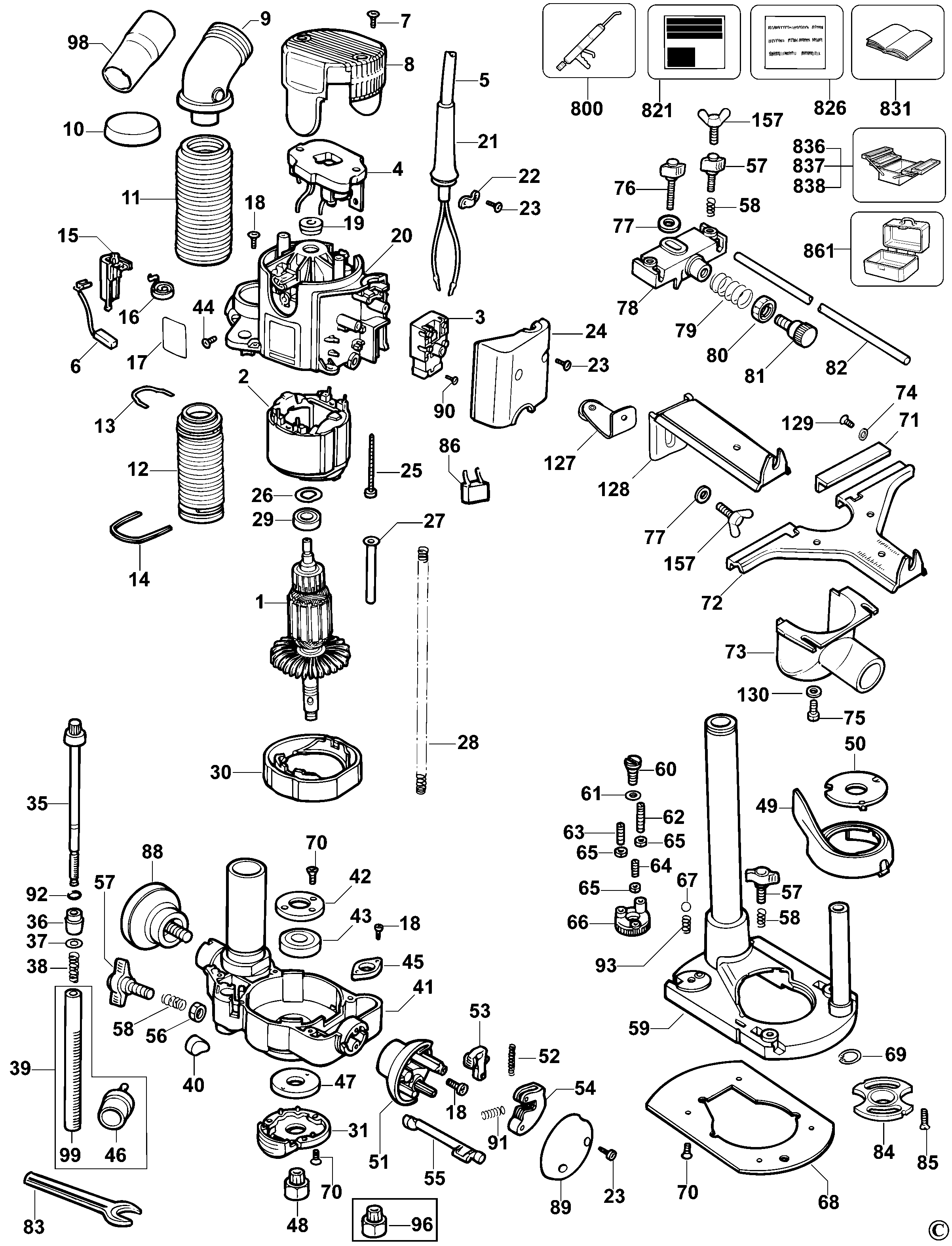
Części
Maszyny
Kontakt
Home
Maszyny
Frezarki
DeWalt
Frezarka
DW621-220-Type-1 -
Frezarka DeWalt
100%
Poz:
1
2
3
4
5
6
7
8
9
10
11
12
13
14
15
16
17
18
19
20
21
22
23
24
25
26
27
28
29
30
31
35
36
37
38
40
41
42
43
44
45
46
47
48
49
50
51
52
53
54
55
56
57
58
59
60
61
62
63
64
65
66
67
68
69
70
71
71
72
72
73
73
74
75
76
77
78
78
79
80
81
82
83
84
85
86
88
89
90
91
92
93
98
99
129
129
130
800
836
837
838
101 części
Sortuj
Poz.
Nr kat.
Nazwa
Cena brutto
Ilość
Zamów
1
N030339
Silnik Sa 230V
610,00 zł
1 szt.
—
2
327429-10
Stojan 230V
Zapytaj
1 szt.
—
3
323132-00
Wyłącznik
69,00 zł
1 szt.
—
4
326297-00
Electronic 230V
354,00 zł
1 szt.
—
5
N571221
Cordset (Euro)
78,00 zł
1 szt.
—
6
580017-00
Szczotka 230V
24,00 zł
1 szt.
—
7
330065-13
Śruba
7,00 zł
1 szt.
—
8
N535743
Zakończenie
42,00 zł
1 szt.
—
9
N434647
Złączka Do Odkurzacza
51,00 zł
1 szt.
—
10
326287-00
Kołpak
8,00 zł
1 szt.
—
11
326268-00
Miech
Zapytaj
1 szt.
—
12
326283-00
Sprężyna - Podzespół
78,00 zł
1 szt.
—
13
326279-00
Klips
7,00 zł
1 szt.
—
14
326607-00
Klips
14,00 zł
1 szt.
—
15
326933-01
Uchwyt
Zapytaj
1 szt.
—
16
326667-00
Sprężyna Szczotki
8,00 zł
1 szt.
—
17
861315-00
Etykieta Towarowa
7,00 zł
1 szt.
—
18
324006-00
Śruba
7,00 zł
1 szt.
—
19
326251-00
Magnes
27,00 zł
1 szt.
—
20
328252-02
Osłona Silnika
170,00 zł
1 szt.
—
21
320785
Osłona Przewodu
8,00 zł
1 szt.
—
22
821070
Zacisk Przewodu
7,00 zł
1 szt.
—
23
330065-06
Śruba
7,00 zł
1 szt.
—
24
N535730
Pokrywa Wyłącznika
27,00 zł
1 szt.
—
25
330065-10
Śruba
7,00 zł
1 szt.
—
26
326845-00
Podkładka Sprężysta
9,00 zł
1 szt.
—
27
329016-00
Osłona
7,00 zł
1 szt.
—
28
323395-13
Sprężyna
7,00 zł
1 szt.
—
29
605040-63
Łożysko
15,00 zł
1 szt.
—
30
496154-00
Baffle Fan
14,00 zł
1 szt.
—
31
326616-04
Blokada Wrzeciona
57,00 zł
1 szt.
—
35
326600-00
Regulator
Zapytaj
1 szt.
—
36
326265-00
Podziałka
9,00 zł
1 szt.
—
37
321118
Podkładka
7,00 zł
1 szt.
—
38
323395-14
Sprężyna
7,00 zł
1 szt.
—
40
326602-00
Wkładka
18,00 zł
1 szt.
—
41
328254-00
Osłona Dolna
Zapytaj
1 szt.
—
42
326285-00
Zacisk
8,00 zł
1 szt.
—
43
570936-00
Łożysko
42,00 zł
1 szt.
—
44
330065-04
Śruba
7,00 zł
1 szt.
—
45
326606-00
Osłona
7,00 zł
1 szt.
—
46
326294-02
Wałek Zębaty
34,00 zł
1 szt.
—
47
326673-00
Pierścień Blokujący
34,00 zł
1 szt.
—
48
326286-00
Tuleja Zaciskowa I Nakrętka - Podzespół
137,00 zł
1 szt.
—
49
326273-00
Osłona Przeciwpyłowa
14,00 zł
1 szt.
—
50
326599-00
Nasadka 21 Mm
9,00 zł
1 szt.
—
51
326598-01
Uchwyt Prawy
9,00 zł
1 szt.
—
52
328202-01
Wyłącznik - Podzespół
18,00 zł
1 szt.
—
53
326601-00
Gałka Blokująca
Zapytaj
1 szt.
—
54
328202-01
Wyłącznik - Podzespół
18,00 zł
1 szt.
—
55
326256-00
Dźwignia
7,00 zł
1 szt.
—
56
949726-05
Nakrętka
7,00 zł
1 szt.
—
57
326573-01
Śruba Wing
7,00 zł
1 szt.
—
58
868082-00
Sprężyna
7,00 zł
1 szt.
—
59
328253-00
Płyta Podstawy - Podzespół
279,00 zł
1 szt.
—
60
326610-00
Śruba
10,00 zł
1 szt.
—
61
327012-00
Podkładka Sprężysta
7,00 zł
1 szt.
—
62
868109-00
Śruba
7,00 zł
1 szt.
—
63
942931-01
Śruba
7,00 zł
1 szt.
—
64
942931-02
Screw.Temp
7,00 zł
1 szt.
—
65
860083-02
Nakrętka
7,00 zł
1 szt.
—
66
N547463
Głowica Rewolwerowa
18,00 zł
1 szt.
—
67
720664-00
Kulka
7,00 zł
1 szt.
—
68
326270-00
Płyta Podstawy
78,00 zł
1 szt.
—
69
324821-00
Pierścień Sprężynujący
7,00 zł
1 szt.
—
70
945121-00
Screw.Temp
7,00 zł
1 szt.
—
71
249090-00
Osłona
12,00 zł
1 szt.
—
71
328788-00
Osłona
18,00 zł
1 szt.
—
72
326238-00
Prowadnica
Zapytaj
1 szt.
—
72
328784-00
Prowadnica
34,00 zł
1 szt.
—
73
328786-00
Wylot
24,00 zł
1 szt.
—
73
326274-00
Wylot
Zapytaj
1 szt.
—
74
330016-01
Podkładka
7,00 zł
1 szt.
—
75
949886-30
Śruba
Zapytaj
1 szt.
—
76
326573-02
Śruba
9,00 zł
1 szt.
—
77
330016-02
Podkładka
7,00 zł
1 szt.
—
78
328785-00
Wspornik
78,00 zł
1 szt.
—
78
326237-00
Wspornik
Zapytaj
1 szt.
—
79
323395-21
Sprężyna
9,00 zł
1 szt.
—
80
942918-00
Indeks
8,00 zł
1 szt.
—
81
326239-00
Regulator
27,00 zł
1 szt.
—
82
868080-00
Pręt
15,00 zł
1 szt.
—
83
31351301
Klucz
24,00 zł
1 szt.
—
84
326276-03
Tuleja Osłonowa
34,00 zł
1 szt.
—
85
911141
Śruba
7,00 zł
1 szt.
—
86
949877-01
Kondensator
9,00 zł
1 szt.
—
88
326300-00
Gałka - Podzespół
34,00 zł
1 szt.
—
89
326313-01
Pokrywa
51,00 zł
1 szt.
—
90
911026
Śruba
7,00 zł
1 szt.
—
91
323395-22
Sprężyna
7,00 zł
1 szt.
—
92
323711-26
O-Ring
7,00 zł
1 szt.
—
93
868082-00
Sprężyna
7,00 zł
1 szt.
—
98
328592-00
Złączka
8,00 zł
1 szt.
—
99
326309-01
Zębatka
102,00 zł
1 szt.
—
129
945121-00
Screw.Temp
7,00 zł
1 szt.
—
129
324006-00
Śruba
7,00 zł
1 szt.
—
130
937883
Podkładka
Zapytaj
1 szt.
—
800
870889-02
Smar
51,00 zł
1 szt.
—
836
559582-99
Klucz
297,00 zł
1 szt.
—
837
559585-98
Przyrząd Montażowy
22,00 zł
1 szt.
—
838
559585-99
Kołek
19,00 zł
1 szt.
—