Części
Maszyny
Kontakt
Home
Maszyny
Frezarki
DeWalt
Frezarka
DW631K-Type-1 -
Frezarka DeWalt
100%
Poz:
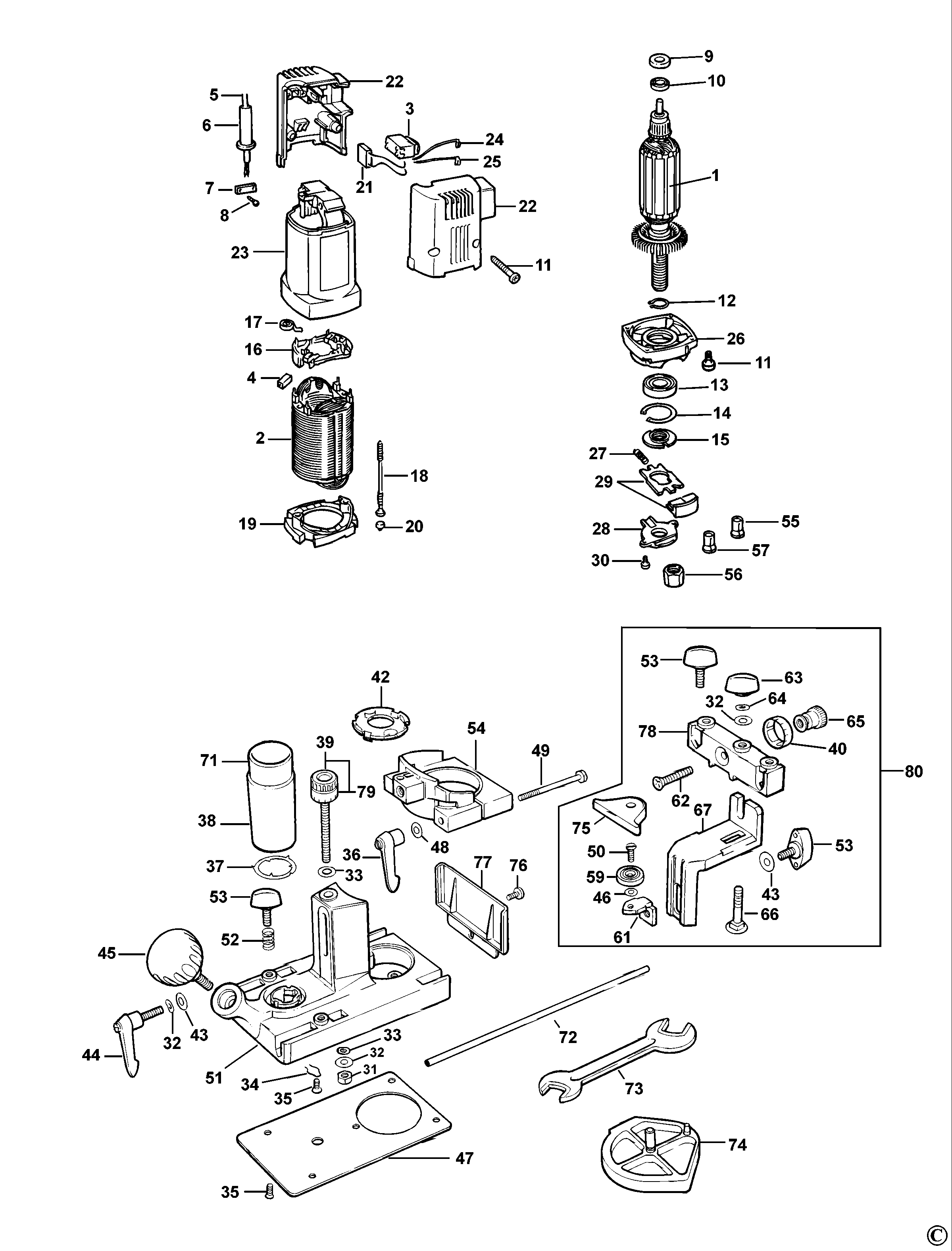
1
1
2
2
2
3
4
4
5
6
7
8
9
10
11
12
13
14
15
16
16
17
18
19
20
21
22
23
24
25
26
27
28
29
30
31
32
33
34
35
36
37
38
39
40
42
43
44
45
46
47
48
49
50
51
52
53
54
55
56
57
57
59
61
62
63
64
65
66
67
71
72
73
74
75
76
77
78
79
80
80 części
Sortuj
Poz.
Nr kat.
Nazwa
Cena brutto
Ilość
Zamów
1
868630-00
Twornik
Zapytaj
1 szt.
—
1
949740-01
Twornik 115V
Zapytaj
1 szt.
—
2
930441-00
Stojan 240V
Zapytaj
1 szt.
—
2
930436-00
Stojan 115V
Zapytaj
1 szt.
—
2
930441-01
Pole
Zapytaj
1 szt.
—
3
N566709
Wyłącznik
199,00 zł
1 szt.
—
4
930760-00
Szczotka 230V
7,00 zł
1 szt.
—
4
930802-00
Szczotka
34,00 zł
1 szt.
—
5
330120-86
Przewód Zasilający
69,00 zł
1 szt.
—
6
949835-01
Ochraniacz
Zapytaj
1 szt.
—
7
930103-00
Zacisk Przewodu
7,00 zł
1 szt.
—
8
930276
Śruba
Zapytaj
1 szt.
—
9
930029-00
Uchwyt Bearing
7,00 zł
1 szt.
—
10
330003-34
Łożysko
27,00 zł
1 szt.
—
11
930079-01
Śruba
Zapytaj
1 szt.
—
12
930098-00
Ustalacz
7,00 zł
1 szt.
—
13
868768-02
Łożysko
42,00 zł
1 szt.
—
14
931398
Pierścień
Zapytaj
1 szt.
—
15
944484-00
Pierścień Blokujący
Zapytaj
1 szt.
—
16
930746-00
Uchwty Szczotki - Podzespół
Zapytaj
1 szt.
—
16
930749-00
Płytk Uchwytu Szczotki
Zapytaj
1 szt.
—
17
930090-00
Sprężyna Szczotki
Zapytaj
1 szt.
—
18
930077-00
Śruba
Zapytaj
1 szt.
—
19
943173-00
Przegroda
Zapytaj
1 szt.
—
20
933657-00
Kołpak
Zapytaj
1 szt.
—
21
949877-01
Kondensator
9,00 zł
1 szt.
—
22
943172-02
Uchwyt - Podzespół
Zapytaj
1 szt.
—
23
943169-02
Skrzynka Pola
Zapytaj
1 szt.
—
24
949801-11
Przewód
Zapytaj
1 szt.
—
25
949801-10
Przewód
Zapytaj
1 szt.
—
26
943178-01
Osłona
Zapytaj
1 szt.
—
27
N406641
Ugięcie Resoru
7,00 zł
1 szt.
—
28
944386-00
Pokrywa
Zapytaj
1 szt.
—
29
947048-00
Przycisk - Podzespół
Zapytaj
1 szt.
—
30
930224-01
Śruba
Zapytaj
1 szt.
—
31
931035-00
Nakrętka
Zapytaj
1 szt.
—
32
937545-00
Podkładka Sprężysta
Zapytaj
1 szt.
—
33
930102-00
Podkładka
Zapytaj
1 szt.
—
34
946288-00
Sprężyna
Zapytaj
1 szt.
—
35
945121-00
Screw.Temp
7,00 zł
1 szt.
—
36
949723-01
Ochwyt Blokady
Zapytaj
1 szt.
—
37
946289-00
Sprężyna
Zapytaj
1 szt.
—
38
918412-00
Złączka
Zapytaj
1 szt.
—
39
943219-02
Regulator
Zapytaj
1 szt.
—
40
942918-01
Indeks
Zapytaj
1 szt.
—
42
946286-00
Nakładka
Zapytaj
1 szt.
—
43
931005
Podkładka
Zapytaj
1 szt.
—
44
949723-02
Ochwyt Blokady
Zapytaj
1 szt.
—
45
947143-00
Rękojeść
Zapytaj
1 szt.
—
46
860073-00
Podkładka
7,00 zł
1 szt.
—
47
946287-00
Płyta Podstawy
Zapytaj
1 szt.
—
48
930925
Podkładka
Zapytaj
1 szt.
—
49
943184
Śruba
Zapytaj
1 szt.
—
50
949889-01
Śruba
Zapytaj
1 szt.
—
51
946275-01
Podstawa
Zapytaj
1 szt.
—
52
868082-00
Sprężyna
7,00 zł
1 szt.
—
53
326573-01
Śruba Wing
7,00 zł
1 szt.
—
54
946284-01
Podpora
Zapytaj
1 szt.
—
55
943269-02
Tuleja Zaciskowa 8Mm
85,00 zł
1 szt.
—
56
943270-00
Nakrętka Tuleji Zaciskowej
137,00 zł
1 szt.
—
57
943269-00
Tuleja Zaciskowa 6Mm
Zapytaj
1 szt.
—
57
943269-01
Tuleja Zaciskowa 6.35Mm
Zapytaj
1 szt.
—
59
330003-34
Łożysko
27,00 zł
1 szt.
—
61
946279-00
Podpora
Zapytaj
1 szt.
—
62
949889-08
Śruba
Zapytaj
1 szt.
—
63
942895-01
Gałka
Zapytaj
1 szt.
—
64
930925
Podkładka
Zapytaj
1 szt.
—
65
946282-00
Regulator
Zapytaj
1 szt.
—
66
860301-05
Screw.Temp
Zapytaj
1 szt.
—
67
946276-01
Podpora
Zapytaj
1 szt.
—
71
770238
Reductor
Zapytaj
1 szt.
—
72
720683-00
Pręt
Zapytaj
1 szt.
—
73
945393-00
Klucz
Zapytaj
1 szt.
—
74
946649-00
Płyta
Zapytaj
1 szt.
—
75
946292-00
Prowadnica Fence
Zapytaj
1 szt.
—
76
949870-06
Śruba
Zapytaj
1 szt.
—
77
946651-00
Osłona
Zapytaj
1 szt.
—
78
946283-01
Podpora
Zapytaj
1 szt.
—
79
942918-00
Indeks
8,00 zł
1 szt.
—
80
947411-02
Osłona - Podzespół
Zapytaj
1 szt.
—