Części
Maszyny
Kontakt
Home
Maszyny
Frezarka
Bosch
FREZARKA GFF 18V-22
3601F20100 -
FREZARKA Bosch GFF 18V-22
100%
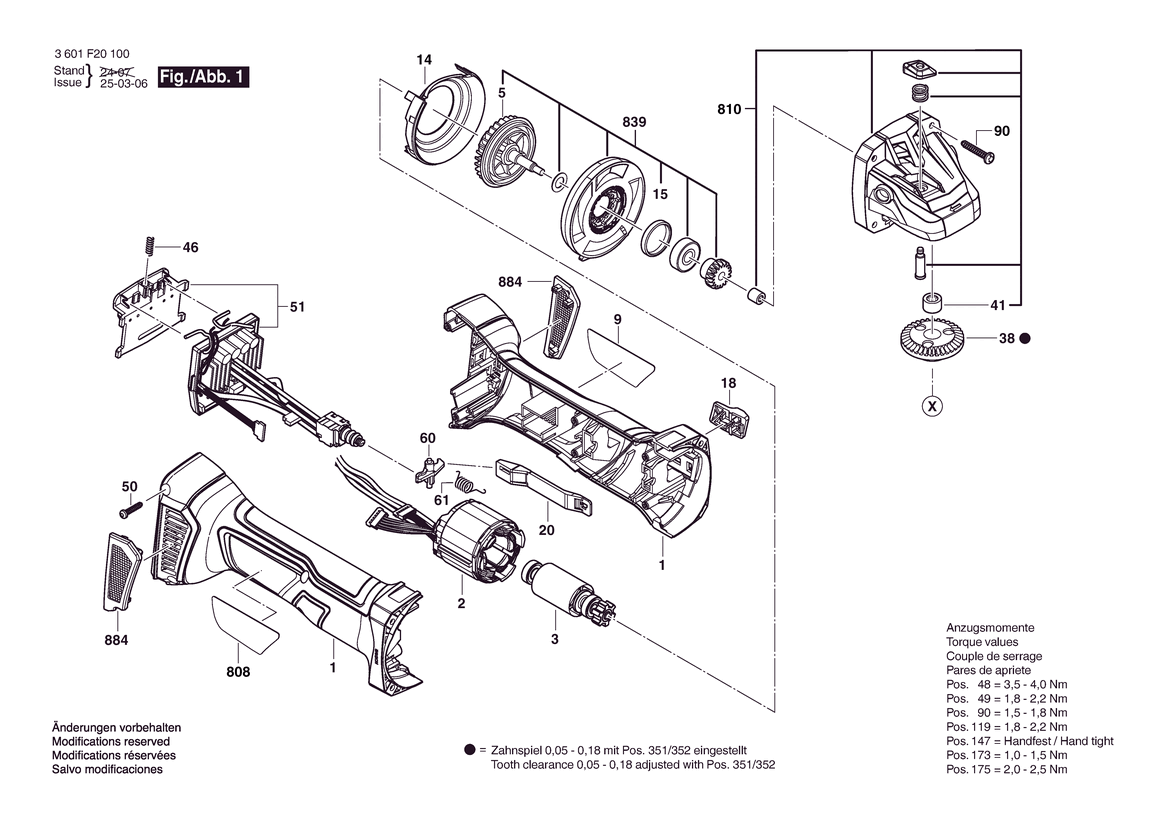
Poz:
1
2
3
5
9
10
11
14
15
18
20
29
32
38
41
46
48
49
50
51
60
61
90
119
120
128
143
144
145
175
176
198
199
351
352
657
658
659
660
808
810
839
884
894
895
10/129
10/130
10/131
10/132
10/133
10/134
10/135
10/136
10/137
10/138
10/139
10/140
10/141
10/142
10/146
10/147
10/148
10/149
10/158
10/159
10/160
10/181
10/182
10/183
10/184
10/185
10/188
10/192
11/166
11/173
75 części
Sortuj
Poz.
Nr kat.
Nazwa
Cena brutto
Ilość
Zamów
1
1619P15044
Kadłub Silnika
33,83 zł
1 szt.
2
1600A01A6N
Stojan
97,79 zł
1 szt.
3
1600A01A6S
Wirnik
110,33 zł
1 szt.
5
1619P15054
Wentylator
5,29 zł
1 szt.
9
160111C5ET
Tabliczka Firmy
Zapytaj
1 szt.
—
10
1600A02LT3
null
Zapytaj
1 szt.
—
11
1600A02LT4
Kołnierz Pośredni
Zapytaj
1 szt.
—
14
1600591065
Pierścień Kier. Powietrza
8,36 zł
1 szt.
15
1600206025
Pierścień Gumowy
7,13 zł
1 szt.
18
1619P15338
Uchwyt Wyłącznika
5,29 zł
1 szt.
20
1619P15050
Zasuwa Nastawna
4,06 zł
1 szt.
29
1619P02820
Pierścień Samouszczeln.
5,29 zł
1 szt.
32
1600A02N5H
Śzpula
Zapytaj
1 szt.
—
38
1619P15331
Koło Talerzowe
Zapytaj
1 szt.
—
41
1600200029
Łożysko Ślizgowe
9,59 zł
1 szt.
46
1609280477
Sprężyna Dociskowa
4,06 zł
1 szt.
48
3603435055
Wkręt Soczewkowy Torx
8,36 zł
4 szt.
49
2914491410
Śruba Do Gwint. Bezwiórk.
4,06 zł
2 szt.
50
2609110201
Wkr.Z Łbem Stoż. Pł. Torx
4,06 zł
6 szt.
51
1600A01NC3
Moduł Elektroniczny
271,95 zł
1 szt.
60
1619P15795
Dźwignia Zwrotna
4,06 zł
1 szt.
61
1619P15806
Sprężyna Skrętowa
4,06 zł
1 szt.
90
2603490024
Wkręt Soczewkowy Torx
5,29 zł
4 szt.
119
1619P07611
Śruba Z Łbem Sześciokątn.
11,07 zł
2 szt.
120
16051321AE
Rękojeść
Zapytaj
1 szt.
—
128
1600A02LP7
Kołek Walcowy
Zapytaj
2 szt.
—
143
1600A027JS
Nakrętka Okrągła
Zapytaj
1 szt.
—
144
1600A02LR2
Tulejka Dystansowa
Zapytaj
1 szt.
—
145
3605700154
Kołnierz Przyjmujący
59,53 zł
1 szt.
175
2610924685
Śruba Regulacyjna
4,06 zł
2 szt.
176
1600A02LR0
Osłona
Zapytaj
1 szt.
—
198
160111C5CS
Naklejka
Zapytaj
1 szt.
—
199
160111C5CT
Naklejka
Zapytaj
1 szt.
—
351
1619P02821
Podkładka Regulacyjna
4,06 zł
1 szt.
352
1619P02822
Podkładka Regulacyjna
5,29 zł
1 szt.
657
1600A02LR1
Płyta Pośrednia
Zapytaj
1 szt.
—
658
1600A02UW6
WOREK NA PYŁ
Zapytaj
1 szt.
—
659
1607950052
KLUCZ DWUCZOPOWY
11,07 zł
1 szt.
660
3608641013
FREZ TARCZOWY
Zapytaj
1 szt.
—
808
160111AD37
Tabliczka Znamionowa
Zapytaj
1 szt.
—
810
1619P16238
Obudowa Przekładni
Zapytaj
1 szt.
—
839
1619P16235
WAŁEK ZĘBATY STOŻKOWY
Zapytaj
1 szt.
—
884
1607000CA9
Zespół Filtra
33,83 zł
1 szt.
894
1615430020
Tubka Ze Smarem
67,65 zł
1 szt.
895
1605430003
Tubka Ze Smarem
119,06 zł
1 szt.
10/129
1600A02LP5
Śruba Okrągła Płaska
Zapytaj
1 szt.
—
10/130
1600A02LM8
Rama
Zapytaj
1 szt.
—
10/131
1600A02LN7
Kołek Walcowy
Zapytaj
2 szt.
—
10/132
1610210043
Pierścień Samouszczeln.
5,29 zł
2 szt.
10/133
1600A02LP9
Sprężyna Ściągająca
Zapytaj
2 szt.
—
10/134
160461205E
Sprężyna Dociskowa
Zapytaj
2 szt.
—
10/135
1600A02LN8
Kula
Zapytaj
2 szt.
—
10/136
1600A02LP4
Tarcza Pasowana
Zapytaj
2 szt.
—
10/137
1600A02LN9
Nakrętka Sześciokątna
Zapytaj
2 szt.
—
10/138
1600A02LP0
Dźwignia Mocująca
Zapytaj
2 szt.
—
10/139
1600A02LP6
Wkręt Soczewkowy
Zapytaj
2 szt.
—
10/140
1600A02LN4
Zderzak gumowy
Zapytaj
1 szt.
—
10/141
1600150047
Pierścień Zabezpieczajacy
Zapytaj
3 szt.
—
10/142
1600A02LN0
Dolna Część Obudowy
Zapytaj
1 szt.
—
10/146
1600A02LP1
Płytka Zamykająca
Zapytaj
1 szt.
—
10/147
1600A02LP2
Korek
Zapytaj
1 szt.
—
10/148
16002100B9
Pierścień Samouszczeln.
Zapytaj
1 szt.
—
10/149
1600A02LN5
ZŁĄCZE ODSYSANIA
Zapytaj
1 szt.
—
10/158
1600A02LM9
Górna Część Obudowy
Zapytaj
1 szt.
—
10/159
160341001U
Śruba Z Łbem Walcowym
Zapytaj
1 szt.
—
10/160
1600A02LN6
Ogran. Miernika Głębok.
Zapytaj
1 szt.
—
10/181
16034350A8
Śruba Z Łbem Sześciokątn.
Zapytaj
1 szt.
—
10/182
1600A02LN1
Ogranicznik obr. elementu
Zapytaj
1 szt.
—
10/183
1600A02LP3
Śruba Radełkowa
Zapytaj
1 szt.
—
10/184
160120000N
Sprężyna Płytkowa
Zapytaj
1 szt.
—
10/185
160630001N
Koło Zębate
Zapytaj
1 szt.
—
10/188
1600A02LN2
Element Zaciskowy
Zapytaj
1 szt.
—
10/192
1600100631
Podkładka Regulacyjna
5,29 zł
1 szt.
11/166
1600A02LM5
Wkręt Zderzakowy
Zapytaj
1 szt.
—
11/173
1600A02LM6
Nakrętka Sześciokątna
Zapytaj
1 szt.
—