Części
Maszyny
Kontakt
Home
Maszyny
Frezarka
Bosch
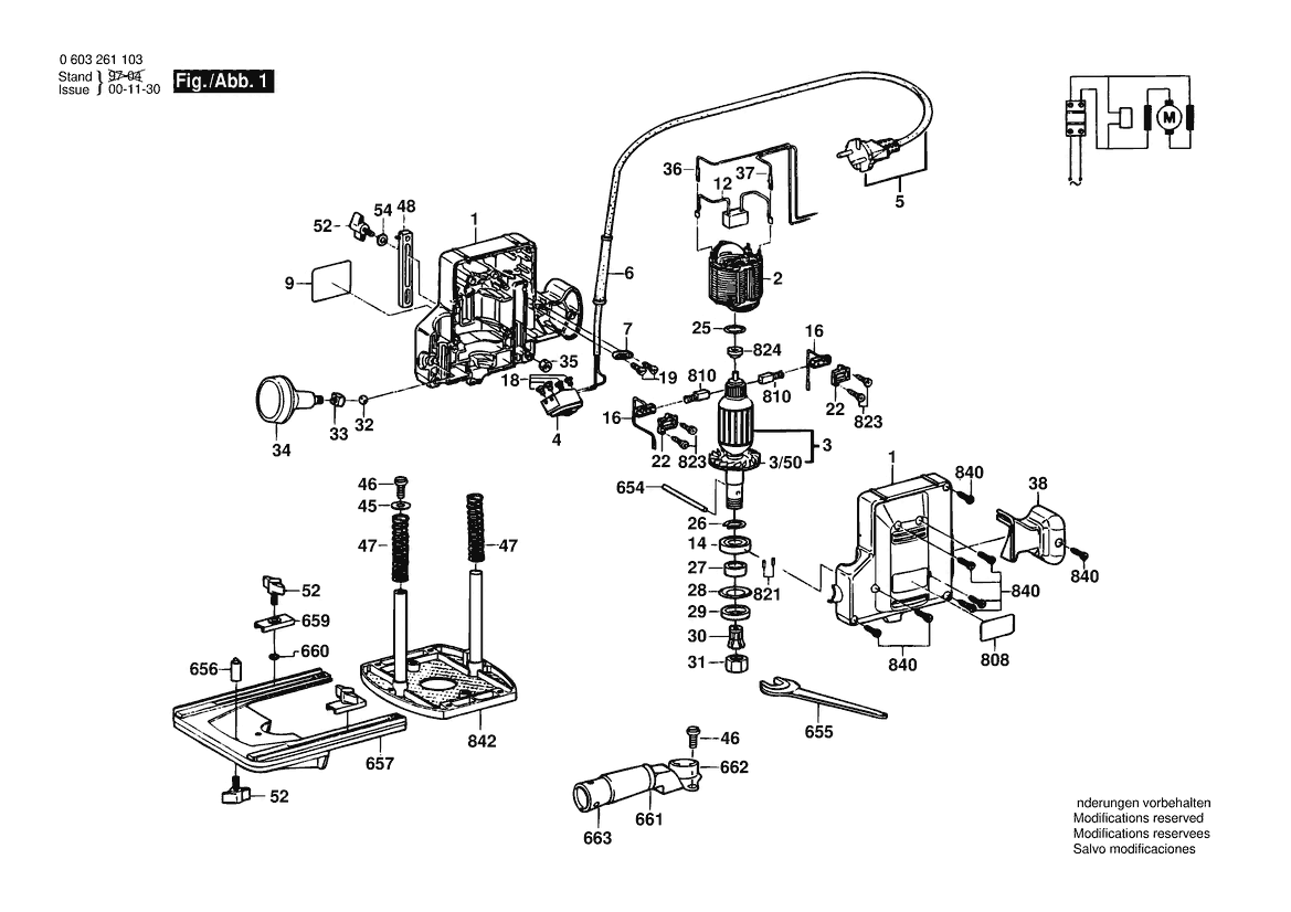
FREZARKA GÓRNOWRZECIONOWA POF 400 A
0603261166 -
FREZARKA GÓRNOWRZECIONOWA Bosch POF 400 A
100%
Poz:
1
2
3
4
5
6
7
9
12
14
16
18
22
25
26
27
28
29
30
31
32
33
34
35
36
37
38
45
46
47
48
52
54
3/50
654
655
656
657
659
660
661
662
663
808
810
821
823
824
840
842
50 części
Sortuj
Poz.
Nr kat.
Nazwa
Cena brutto
Ilość
Zamów
1
2605104994
Skorupa Obudowy
Zapytaj
1 szt.
—
2
2604220423
Stojan
Zapytaj
1 szt.
—
3
2604010658
Twornik
Zapytaj
1 szt.
—
4
2607200199
Wyłącznik
Zapytaj
1 szt.
—
5
2604460282
Przewód Zasil. Sieciowy
54,00 zł
1 szt.
6
2600703012
Końcówka
9,72 zł
1 szt.
7
2601035001
Uchwyt Przewodu
5,29 zł
1 szt.
9
2601118929
Tabliczka Firmy
11,19 zł
1 szt.
12
2607329117
Kondensator Przeciwzakł.
Zapytaj
1 szt.
—
14
2600905017
Łożysko Kulkowe Zwykłe
31,37 zł
1 szt.
16
2604449026
Uchwyt Szczotek
5,41 zł
2 szt.
18
2603410001
Śruba Z Łbem Walcowym
5,29 zł
4 szt.
22
2601015054
Płytka Szczotkowa
Zapytaj
2 szt.
—
25
1900210012
Pierścień Samouszczeln.
4,06 zł
1 szt.
26
2916650006
UCHWYT
5,29 zł
1 szt.
27
2600300062
Tuleja Spiekana
Zapytaj
1 szt.
—
28
2600500033
Podkładka
7,13 zł
1 szt.
29
2600108033
Pierścień Filcowy
5,29 zł
1 szt.
30
2608570005
Szczypce Do Rozpierania
48,83 zł
1 szt.
31
2603312006
Nakrętka Nasad. Złączkowa
20,66 zł
1 szt.
32
2603230000
Kula
Zapytaj
1 szt.
—
33
2603320003
Nakrętka Czworokątna
5,29 zł
1 szt.
34
1603481001
Rękojeść
Zapytaj
1 szt.
—
35
2915011007
Nakrętka Sześciokątna
4,06 zł
1 szt.
36
2604448082
PRZEWÓD ŁĄCZĄCY
Zapytaj
1 szt.
—
37
2604448083
PRZEWÓD ŁĄCZĄCY
Zapytaj
1 szt.
—
38
2605500083
Pokrywa Obudowy
Zapytaj
1 szt.
—
45
2600101109
Podkładka
Zapytaj
1 szt.
—
46
2910011191
Śruba Z Łbem Walcowym
Zapytaj
3 szt.
—
47
2604617001
Sprężyna Dociskowa
Zapytaj
2 szt.
—
48
2602316006
Ogran. Miernika Głębok.
Zapytaj
1 szt.
—
52
2603480003
Śruba Skrzydełkowa
8,36 zł
4 szt.
54
2916011014
Podkładka
4,06 zł
1 szt.
3/50
2606610027
Wentylator
9,59 zł
1 szt.
654
2603101035
Kołek Walcowy
8,36 zł
1 szt.
655
2607950511
Klucz Szczękowy Jednostr.
13,65 zł
1 szt.
656
2603102004
Kołek Prowadzący
Zapytaj
1 szt.
—
657
2608005016
PROWADNICA WZDŁUŻNA
Zapytaj
1 szt.
—
659
2608040024
Element Zaciskowy
Zapytaj
2 szt.
—
660
1610210043
Pierścień Samouszczeln.
5,29 zł
2 szt.
661
2605730024
Zwężka Venturiego
Zapytaj
1 szt.
—
662
2605730034
Pierścień Zabezpieczający
Zapytaj
1 szt.
—
663
1600306008
Króciec Do Węża
Zapytaj
1 szt.
—
808
160111A3H3
Tabliczka Znamionowa
8,36 zł
1 szt.
810
2604321905
Zestaw Szczotek Węglowych
26,32 zł
1 szt.
821
2603239010
Korek Gumowy
Zapytaj
1 szt.
—
823
2910611006
Wkręt Do Blach
5,29 zł
4 szt.
824
2600420900
Tuleja Łożyskowa
Zapytaj
1 szt.
—
840
2603490022
Śruba
4,06 zł
9 szt.
842
2608000902
Płyta Fundamentowa
Zapytaj
1 szt.
—