Części
Maszyny
Kontakt
Home
Maszyny
Frezarka
Bosch
FREZARKA GÓRNOWRZECIONOWA GOF 1700 E
0601611734 -
FREZARKA GÓRNOWRZECIONOWA Bosch GOF 1700 E
100%
Poz:
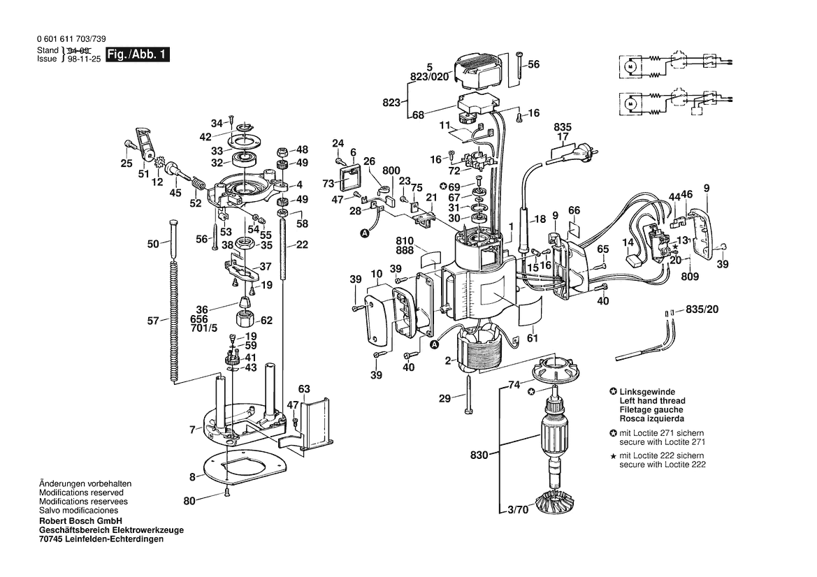
1
2
4
5
6
7
8
9
10
11
12
13
14
15
16
17
18
19
20
21
22
23
24
25
26
29
30
31
32
33
34
35
36
37
38
39
40
41
42
43
44
45
46
47
48
49
50
51
52
53
54
55
56
57
58
59
61
62
63
65
67
68
69
72
73
74
75
80
3/70
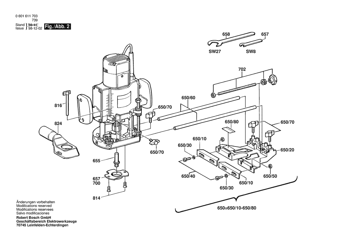
650
654
657
658
700
800
809
810
814
816
823
824
825
826
827
828
829
830
888
701/5
650/10
650/40
650/60
650/70
650/80
94 części
Sortuj
Poz.
Nr kat.
Nazwa
Cena brutto
Ilość
Zamów
1
3605108589
Obudowa Przyrządu
Zapytaj
1 szt.
—
2
3604220536
Stojan
275,89 zł
1 szt.
4
3605702592
Obudowa Wentylatora
349,69 zł
1 szt.
5
3605500574
Pokrywa Obudowy
Zapytaj
1 szt.
—
6
3605500596
Pokrywa Zamykająca
Zapytaj
2 szt.
—
7
3605702595
Podwozie
454,98 zł
1 szt.
8
3600190515
Płyta Pośrednia
Zapytaj
1 szt.
—
9
3605133519
Rękojeść
Zapytaj
1 szt.
—
10
3605133520
Rękojeść
Zapytaj
1 szt.
—
11
3604441507
PRZEWÓD ŁĄCZĄCY
29,27 zł
2 szt.
12
3600190516
Tarcza Zębata
8,36 zł
1 szt.
13
3607200510
Wyłącznik
Zapytaj
1 szt.
—
14
1607328034
Filtr Przeciwzakłóceniowy
13,65 zł
1 szt.
15
3601032500
Zacisk Mocujący
26,69 zł
1 szt.
16
2910611011
Wkręt Do Blach
4,18 zł
2 szt.
17
3604460561
Przewód Zasil. Sieciowy
111,93 zł
1 szt.
18
3600707503
Końcówka
11,19 zł
1 szt.
19
3603415556
Wkręt Szyjkowy
7,13 zł
3 szt.
20
1611331007
Blacha Zabezpieczająca
Zapytaj
2 szt.
—
21
1604336008
Uchwyt Szczotek
67,65 zł
2 szt.
22
3603500500
Wkręt Bez Łba
Zapytaj
1 szt.
—
23
2910611018
Wkręt Do Blach
5,29 zł
2 szt.
24
2910611019
Wkręt Do Blach
9,59 zł
2 szt.
25
2910141197
Śr.Z Łb.Okr.O Gnieź.Sześ.
4,06 zł
1 szt.
26
1614652001
Sprężyna Spiralna
11,07 zł
2 szt.
29
1613412001
Wkręt Do Blach
5,29 zł
2 szt.
30
1900905276
Łożysko Kulkowe Zwykłe
Zapytaj
1 szt.
—
31
3600119507
Pierścień Zabezpieczajacy
Zapytaj
1 szt.
—
32
3600900526
Łożysko Kulkowe Zwykłe
110,33 zł
1 szt.
33
3600034503
Płyta Mocująca
Zapytaj
1 szt.
—
34
3603415559
Blachowkręt Z Łbem Stożk.
7,26 zł
7 szt.
35
3603301522
Nakrętka Sześciokątna
Zapytaj
1 szt.
—
36
3600499520
Szczypce Do Rozpierania
Zapytaj
1 szt.
—
37
3601961500
Strzemiączko
Zapytaj
1 szt.
—
38
3604613502
Sprężyna Dociskowa
Zapytaj
2 szt.
—
39
2910611034
Wkręt Do Blach
Zapytaj
9 szt.
—
40
3603415540
Śruba
8,49 zł
4 szt.
41
3600232503
Ogran. Miernika Głębok.
Zapytaj
1 szt.
—
42
2916650014
Pierścień Zabezpieczajacy
5,29 zł
1 szt.
43
3601254501
Sprężyna Płytkowa
Zapytaj
1 szt.
—
44
3602033501
Dźwignia Blokująca
9,59 zł
1 szt.
45
3603053503
OŚ DŹWIGNI
Zapytaj
1 szt.
—
46
3604613503
Sprężyna Dociskowa
8,36 zł
1 szt.
47
2910951118
Wkręt Soczewkowy
5,29 zł
4 szt.
48
2915065007
Nakrętka Sześciokątna
Zapytaj
1 szt.
—
49
2603345015
Nakrętka Regulacyjna
Zapytaj
2 szt.
—
50
3603120501
Element Prowadzący
Zapytaj
2 szt.
—
51
3602000509
Dźwignia Nastawcza
Zapytaj
1 szt.
—
52
3604651501
Sprężyna Napinająca
Zapytaj
1 szt.
—
53
3602202500
Mimośród Nastawczy
Zapytaj
1 szt.
—
54
2916011010
Podkładka
4,06 zł
1 szt.
55
2915061002
Nakrętka Sześciokątna
4,06 zł
1 szt.
56
3603415560
Śruba
4,06 zł
8 szt.
57
3604619502
Sprężyna Dociskowa
8,36 zł
2 szt.
58
2915055108
Nakrętka Sześciokątna
Zapytaj
1 szt.
—
59
3916060500
Podkładka Sprężysta
4,06 zł
1 szt.
61
3601119655
Tabliczka Naklejana
Zapytaj
1 szt.
—
62
3603313507
Nakrętka Nasad. Złączkowa
Zapytaj
1 szt.
—
63
3605510526
Tarcza Ochronna
Zapytaj
1 szt.
—
65
2910601433
Wkręt Do Blach
Zapytaj
1 szt.
—
67
3604542501
Wirnik
Zapytaj
1 szt.
—
68
3607230510
Włącznik Sterowniczy
Zapytaj
1 szt.
—
69
2910091120
Śruba Z Łbem Płaskim
4,06 zł
1 szt.
72
3608040506
Pałąk Zaciskowy
Zapytaj
1 szt.
—
73
3601007502
Rura Izolacyjna
Zapytaj
1 szt.
—
74
3600590504
Pierścień Kier. Powietrza
Zapytaj
1 szt.
—
75
1601030022
Blacha Zabezpieczająca
5,29 zł
2 szt.
80
2914411045
Śruba Do Gwint. Bezwiórk.
Zapytaj
4 szt.
—
3/70
3606610517
Wentylator
Zapytaj
1 szt.
—
650
3607000620
null
Zapytaj
1 szt.
—
654
3605703528
PROWADZENIE NARZĘDZIA
Zapytaj
1 szt.
—
657
2607950504
Klucz Szczękowy Jednostr.
7,13 zł
1 szt.
658
1907950514
Klucz Szczękowy Jednostr.
Zapytaj
1 szt.
—
700
3605703527
PROWADZENIE NARZĘDZIA
Zapytaj
1 szt.
—
800
1607014103
Zestaw Szczotek Węglowych
48,83 zł
1 szt.
809
2603410001
Śruba Z Łbem Walcowym
5,29 zł
4 szt.
810
3601119595
Tabliczka Znamionowa
11,07 zł
1 szt.
814
3603415553
Wkręt Z Łbem Stożk. Płas.
8,36 zł
2 szt.
816
3603029500
WSKAŹNIK ZANURZENIA
Zapytaj
1 szt.
—
823
3607000547
Włącznik Sterowniczy
623,00 zł
1 szt.
824
3608939626
Adapter Próżniowy
Zapytaj
1 szt.
—
825
3608939611
Adapter Próżniowy
Zapytaj
1 szt.
—
826
3607929500
LISTWA
Zapytaj
1 szt.
—
827
2910761164
Wkręt Z Łbem Stożk. Płas.
Zapytaj
2 szt.
—
828
2915011006
Nakrętka Sześciokątna
Zapytaj
4 szt.
—
829
2916011012
Podkładka
4,06 zł
4 szt.
830
3604012503
Twornik
Zapytaj
1 szt.
—
888
160111A3H3
Tabliczka Znamionowa
8,36 zł
1 szt.
701/5
3600499502
Tuleja zaciskowa 1/4"
Zapytaj
1 szt.
—
650/10
3602386501
Płyta Prowadząca
Zapytaj
2 szt.
—
650/40
2910011154
Śruba Z Łbem Walcowym
4,06 zł
4 szt.
650/60
3603001518
Drążek Prowadzący
Zapytaj
2 szt.
—
650/70
1603480018
Śruba Skrzydełkowa
7,13 zł
5 szt.
650/80
3601119612
Tabliczka Firmy
Zapytaj
1 szt.
—