Części
Maszyny
Kontakt
Home
Maszyny
Frezarka
Bosch
FREZARKA GÓRNOWRZECIONOWA GOF1300ACE 1300W 2H
0601613761 -
FREZARKA GÓRNOWRZECIONOWA Bosch GOF1300ACE 1300W 2H
100%
Poz:
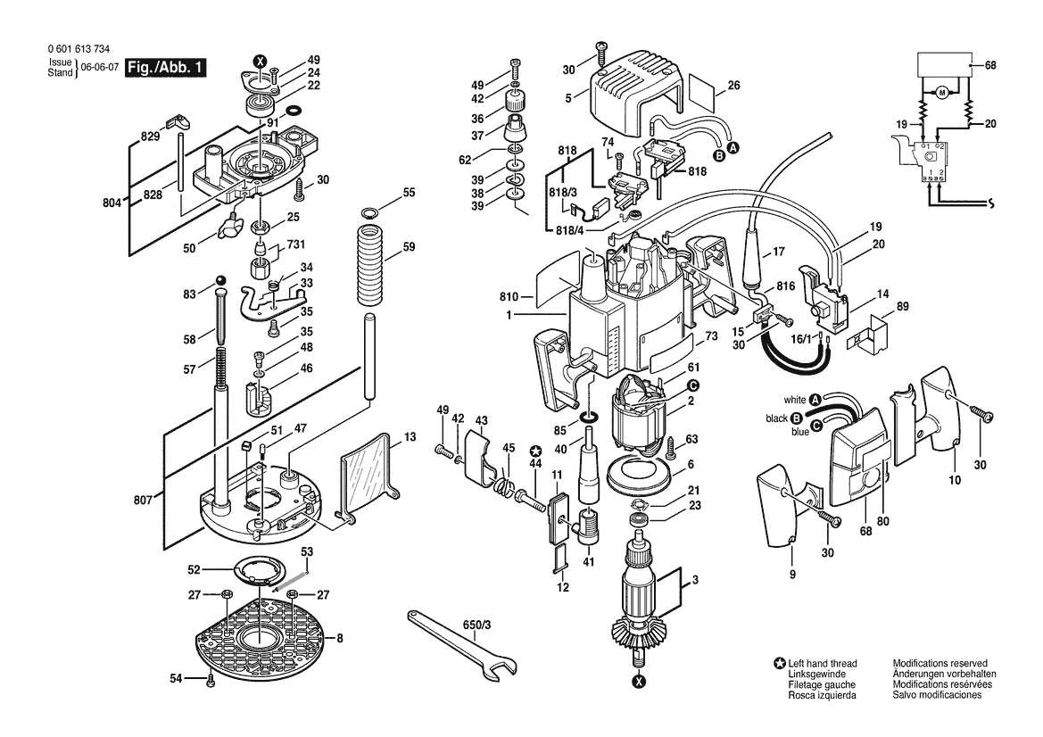
1
2
3
5
6
8
9
10
11
12
13
14
15
17
19
20
21
22
23
24
25
26
27
30
33
34
35
36
37
38
39
40
41
42
43
44
45
46
47
48
49
50
51
52
53
54
55
57
58
59
61
62
63
68
73
74
80
83
85
89
91
16/1
731
804
807
810
816
818
828
829
650/3
818/3
818/4
73 części
Sortuj
Poz.
Nr kat.
Nazwa
Cena brutto
Ilość
Zamów
1
3605108584
Kadłub Silnika
119,06 zł
1 szt.
2
2610934202
Stojan
255,84 zł
1 szt.
3
2610934201
Twornik
778,59 zł
1 szt.
5
3605500598
Pokrywa Obudowy
Zapytaj
1 szt.
—
6
3600590508
Pierścień Kier. Powietrza
8,36 zł
1 szt.
8
3600190521
Płyta Osłaniająca
Zapytaj
1 szt.
—
9
3605133531
Uchwyt Miski
31,37 zł
1 szt.
10
3605133530
Uchwyt Miski
31,37 zł
1 szt.
11
3601010519
Wkład
Zapytaj
1 szt.
—
12
3601010521
Osłona
8,36 zł
1 szt.
13
2610912599
WYRZUTNIK STRÓŻYN
Zapytaj
1 szt.
—
14
2607200251
Wyłącznik
44,53 zł
1 szt.
15
2601035001
Uchwyt Przewodu
5,29 zł
1 szt.
17
3600703512
Końcówka
Zapytaj
1 szt.
—
19
3604445518
PRZEWÓD ŁĄCZĄCY
11,07 zł
1 szt.
20
3604445519
PRZEWÓD ŁĄCZĄCY
11,07 zł
1 szt.
21
3600150501
Podkładka Sprężysta
5,29 zł
1 szt.
22
1600900088
Łożysko Kulkowe
20,66 zł
1 szt.
23
3600905513
Prowadzenie Toczne
38,87 zł
1 szt.
24
2916011892
Podkładka
4,06 zł
2 szt.
25
3603300502
Nakrętka Sześciokątna
Zapytaj
1 szt.
—
26
3601007504
Izolator
Zapytaj
2 szt.
—
27
2915011005
Nakrętka Sześciokątna
4,06 zł
2 szt.
30
2610910566
Wkręt Do Blach
5,41 zł
15 szt.
33
3601021510
Płytka Wibracyjna
Zapytaj
1 szt.
—
34
3604651502
Sprężyna Skrętowa
5,29 zł
1 szt.
35
3603415556
Wkręt Szyjkowy
7,13 zł
3 szt.
36
3603231539
Guzik
5,29 zł
1 szt.
37
3600209500
PIERŚCIEŃ KONTROLNY
11,07 zł
3 szt.
38
3600100528
Podkładka Sprężysta
4,06 zł
1 szt.
39
3600100527
Szyba
7,13 zł
2 szt.
40
3600360507
Tulejka Ustawcza
Zapytaj
1 szt.
—
41
3600400507
ZATYCZKA
9,59 zł
1 szt.
42
2916690003
Pierścień Sprężysty
4,06 zł
2 szt.
43
3602000510
DŹWIGNIA ZAMYKAJĄCA
8,36 zł
1 szt.
44
3603450504
Rygiel
16,85 zł
1 szt.
45
3604651503
SPRĘŻYNA
7,13 zł
1 szt.
46
3600232503
Ogran. Miernika Głębok.
Zapytaj
1 szt.
—
47
2600590006
Kołpak Ustalający
5,29 zł
1 szt.
48
3916060500
Podkładka Sprężysta
4,06 zł
1 szt.
49
2910641122
Wkręt Soczewkowy
7,13 zł
4 szt.
50
1613480008
Śruba Skrzydełkowa
5,29 zł
1 szt.
51
3603211501
Guzik
8,36 zł
1 szt.
52
3600240500
Tuleja Blokująca
18,08 zł
1 szt.
53
3604648504
Sprężyna Ściągająca
Zapytaj
1 szt.
—
54
2610915161
Śruba
8,36 zł
3 szt.
55
2916650003
Pierścień Zabezpieczajacy
5,29 zł
1 szt.
57
3604613508
Sprężyna Dociskowa
Zapytaj
1 szt.
—
58
3603120502
Element Prowadzący
7,13 zł
1 szt.
59
3605510548
Osłona Mieszkowa
18,08 zł
2 szt.
61
1604477005
Wtyczka Płaska
5,29 zł
2 szt.
62
3604680502
Pierścień Mocujący
5,29 zł
1 szt.
63
2610991306
Wkręt Do Blach
5,41 zł
2 szt.
68
1607233152
Regulator Prędk. Obrotow.
461,25 zł
1 szt.
73
2610911013
Tabliczka Znamionowa
Zapytaj
1 szt.
—
74
2603490017
Wkręt Soczewkowy Torx
4,06 zł
4 szt.
80
3601119760
Tabliczka Naklejana
Zapytaj
1 szt.
—
83
1903230007
Kula
5,29 zł
1 szt.
85
3600210507
Pierścień Samouszczeln.
5,29 zł
1 szt.
89
2610996090
Pierścień Nastawczy
Zapytaj
1 szt.
—
91
1610210233
Pierścień Samouszczeln.
8,36 zł
1 szt.
16/1
3604477009
Tuleja Końcowa Żyły
5,29 zł
2 szt.
731
2608507108
Szczypce Do Rozpierania
Zapytaj
1 szt.
—
804
2610907863
Obudowa
Zapytaj
1 szt.
—
807
3605702598
Cokół
Zapytaj
1 szt.
—
810
3601119779
Tabliczka Znamionowa
Zapytaj
1 szt.
—
816
3604460640
Przewód Zasil. Sieciowy
68,63 zł
1 szt.
818
2610013632
Uchwyt Szczotek
99,02 zł
1 szt.
828
2610907864
DRĄŻEK
33,83 zł
1 szt.
829
2610907865
Wskazówka
Zapytaj
1 szt.
—
650/3
2610992417
Klucz Szczękowy Jednostr.
53,26 zł
1 szt.
818/3
2610007957
Zestaw Szczotek Węglowych
28,78 zł
1 szt.
818/4
3604652501
Sprężyna
11,07 zł
1 szt.