Części
Maszyny
Kontakt
Home
Maszyny
Frezarka
Bosch
FREZARKA DO WCZEPÓW GSF 100 A
0601367765 -
FREZARKA DO WCZEPÓW Bosch GSF 100 A
100%
Poz:
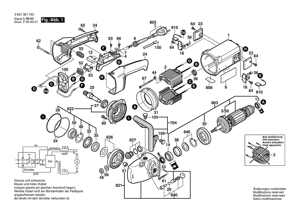
1
2
4
6
7
9
12
13
14
16
23
24
25
28
29
30
31
32
33
34
35
36
37
38
39
44
45
48
50
51
52
53
55
59
60
61
62
63
64
65
66
67
70
100
105
106
109
110
113
114
115
116
117
118
120
121
122
123
124
125
126
128
129
130
132
133
134
135
136
138
139
140
145
3/50
704
707
708
753
755
756
757
758
803
805
808
810
811
821
822
826
827
840
846
93 części
Sortuj
Poz.
Nr kat.
Nazwa
Cena brutto
Ilość
Zamów
1
1605108145
Kadłub Silnika
85,24 zł
1 szt.
2
160422051P
Stojan
Zapytaj
1 szt.
—
4
3607200065
Wyłącznik
120,79 zł
1 szt.
6
1600703023
Końcówka
8,36 zł
1 szt.
7
1601302018
Zacisk Mocujący
5,29 zł
1 szt.
9
3601119293
Tabliczka Firmy
Zapytaj
1 szt.
—
12
1607328035
Filtr Przeciwzakłóceniowy
11,07 zł
1 szt.
13
1600905011
Łożysko Kulkowe Zwykłe
18,08 zł
1 szt.
14
1600905023
Łożysko Kulkowe Zwykłe
38,87 zł
1 szt.
16
1604336021
Uchwyt Szczotek
9,59 zł
2 szt.
23
1605500150
Pokrywa Zamykająca
8,36 zł
2 szt.
24
1605132122
Rękojeść
48,83 zł
1 szt.
25
1603523107
Trzpień Ścierający
170,48 zł
1 szt.
28
1600210033
Pierścień Samouszczeln.
5,29 zł
1 szt.
29
1600210034
Pierścień Samouszczeln.
5,29 zł
1 szt.
30
1600591010
Pierścień Kier. Powietrza
7,13 zł
1 szt.
31
1600591011
Pierścień Kier. Powietrza
5,29 zł
1 szt.
32
1600290019
Pierścień Mocujący
5,29 zł
1 szt.
33
1600290013
PIERŚCIEN USZCZELNIAJĄCY
8,36 zł
1 szt.
34
1600190020
Podkładka Regulacyjna
5,29 zł
1 szt.
35
1600205034
Pierścień Filcowy
5,29 zł
1 szt.
36
1604652015
Sprężyna Spiralna
5,29 zł
2 szt.
37
1600290020
Pierścień Uszczelniający
5,29 zł
1 szt.
38
1600206020
Pierścień Gumowy
5,29 zł
1 szt.
39
1600206030
Pierścień Gumowy
5,29 zł
1 szt.
44
1601334008
Wspornik
5,29 zł
2 szt.
45
3603300016
Nakrętka Sześciokątna
Zapytaj
1 szt.
—
48
1600119010
Pierścień Zabezpieczajacy
5,29 zł
1 szt.
50
3600905134
Łożysko Kulkowe Zwykłe
33,83 zł
1 szt.
51
2600910001
Łożysko Igiełkowe
13,65 zł
1 szt.
52
1602388027
Prowadzenie Przewodów
5,29 zł
1 szt.
53
1605190038
Obudowa Tuleji Wciskanej
5,29 zł
1 szt.
55
1602388029
LISTWA
5,29 zł
1 szt.
59
1600101655
Podkładka
5,29 zł
1 szt.
60
1603435023
Śruba Do Gwint. Bezwiórk.
5,29 zł
4 szt.
61
2912401038
Wkręt Do Blach
4,06 zł
4 szt.
62
1603435024
Wkręt Do Blach
5,41 zł
2 szt.
63
2910641086
Wkręt Soczewkowy
5,41 zł
2 szt.
64
1603435042
Plastyk. Śruba Samogwint.
5,29 zł
4 szt.
65
2912401020
Wkręt Do Blach
4,06 zł
3 szt.
66
2910211019
Wkręt Do Blach
4,06 zł
1 szt.
67
1603435019
Wkręt Do Blach
Zapytaj
2 szt.
—
70
3601110270
Tabliczka Naklejana
Zapytaj
1 szt.
—
100
1607233040
Regulator Prędk. Obrotow.
271,95 zł
1 szt.
105
2603450007
Śruba Z Łbem Sześciokątn.
18,08 zł
2 szt.
106
1907950009
Śrubokręt Przegubowy
78,72 zł
1 szt.
109
1603345042
Nakrętka Okrągła
Zapytaj
1 szt.
—
110
1605510227
Kołpak Ochronny
Zapytaj
1 szt.
—
113
1601990002
Dźwignia Blokująca
Zapytaj
1 szt.
—
114
1600591015
Uchwyt Kołpaka
5,29 zł
1 szt.
115
2917550133
Kołek Walcowy
4,06 zł
2 szt.
116
3604651008
Sprężyna Ramieniowa
Zapytaj
1 szt.
—
117
1601990001
Zapadka
Zapytaj
1 szt.
—
118
1600591016
Przycisk
Zapytaj
1 szt.
—
120
3604651010
Sprężyna Ramieniowa
4,06 zł
1 szt.
121
3604651012
Klamra
Zapytaj
2 szt.
—
122
1601290008
Sprężyna Płytkowa
Zapytaj
4 szt.
—
123
1603435046
Wkręt Do Blach
Zapytaj
3 szt.
—
124
2917501081
Kołek Walcowy
Zapytaj
1 szt.
—
125
1601015027
Płyta Prowadząca
Zapytaj
1 szt.
—
126
2912401022
Wkręt Do Blach
4,06 zł
5 szt.
128
1608135008
Sanie Prowadzące
132,84 zł
1 szt.
129
1608040114
Szyna Prowadząca
Zapytaj
1 szt.
—
130
3603101009
KOŁEK ROZPRĘŻNY
Zapytaj
1 szt.
—
132
3603101007
Oś Odchylana
53,26 zł
1 szt.
133
3600400016
Pochwa Tulejowa Sprężyny
Zapytaj
1 szt.
—
134
3604651009
Sprężyna Skrętowa
Zapytaj
1 szt.
—
135
3604651013
Sprężyna Trzymająca
Zapytaj
1 szt.
—
136
3601110282
Tabliczka Informacyjna
Zapytaj
1 szt.
—
138
1602026064
Gałka Do Nastawiania
Zapytaj
2 szt.
—
139
1605190048
Obudowa
4,06 zł
1 szt.
140
3604651011
Klamra Trzymająca
Zapytaj
1 szt.
—
145
1600795008
WĄŻ ODSYSANIA
Zapytaj
1 szt.
—
3/50
1606610127
Wentylator
9,59 zł
1 szt.
704
3607031335
Zestaw Części
Zapytaj
1 szt.
—
707
2605703017
Kołnierz Przyjmujący
Zapytaj
1 szt.
—
708
2605703016
Tarcza Mocująca
Zapytaj
1 szt.
—
753
2605438349
Skrzynka Do Noszenia
Zapytaj
1 szt.
—
755
2608600074
TARCZA DIAMENTOWA
Zapytaj
1 szt.
—
756
2608600084
TARCZA DIAMENTOWA
Zapytaj
1 szt.
—
757
2608600132
TARCZA DIAMENTOWA
Zapytaj
1 szt.
—
758
2608600136
TARCZA DIAMENTOWA
Zapytaj
1 szt.
—
803
3604010064
Twornik
Zapytaj
1 szt.
—
805
1607000228
Przewód Zasil. Sieciowy
59,53 zł
1 szt.
808
160111A3H3
Tabliczka Znamionowa
8,36 zł
1 szt.
810
1607014171
Zestaw Szczotek Węglowych
48,83 zł
1 szt.
811
3605190183
Obudowa Ochronna
Zapytaj
1 szt.
—
821
3607031336
Obudowa Przekładni
Zapytaj
1 szt.
—
822
3607000082
Zestaw Części
Zapytaj
1 szt.
—
826
1606333260
Koło Talerzowe
Zapytaj
1 szt.
—
827
1606333262
Koło Zębate Stożkowe
Zapytaj
1 szt.
—
840
1607000206
Przycisk Guzikowy
28,78 zł
1 szt.
846
1607000316
Tarcza Ustalająca
Zapytaj
1 szt.
—