Części
Maszyny
Kontakt
Home
Maszyny
Frezarka
Bosch
FREZARKA GÓRNOWRZECIONOWA GOF 1200 A
0601613061 -
FREZARKA GÓRNOWRZECIONOWA Bosch GOF 1200 A
100%
Poz:
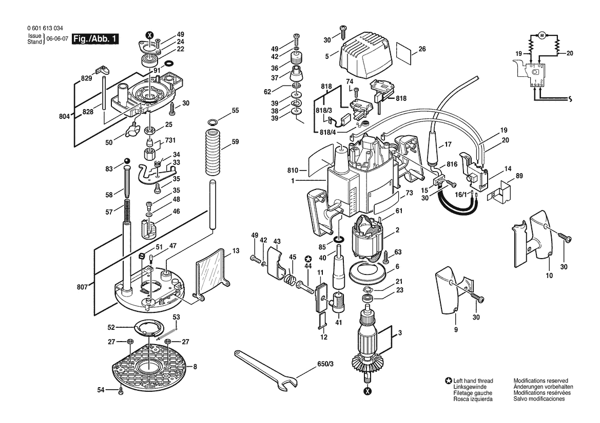
1
2
3
5
6
8
9
10
11
12
13
14
15
17
19
20
21
22
23
24
25
26
27
30
33
34
35
36
37
38
39
40
41
42
43
44
45
46
47
48
49
50
51
52
53
54
55
57
58
59
61
62
63
73
74
83
85
89
91
16/1
731
804
807
810
816
818
828
829
650/3
818/3
818/4
71 części
Sortuj
Poz.
Nr kat.
Nazwa
Cena brutto
Ilość
Zamów
1
3605108583
Kadłub Silnika
117,00 zł
1 szt.
—
2
2610934199
Stojan
377,24 zł
1 szt.
—
3
2610997056
Arkusz Wklejany
Zapytaj
1 szt.
—
5
3605500597
Pokrywa Obudowy
Zapytaj
1 szt.
—
6
3600590508
Pierścień Kier. Powietrza
12,00 zł
1 szt.
—
8
3600190521
Płyta Osłaniająca
Zapytaj
1 szt.
—
9
3605133531
Uchwyt Miski
36,00 zł
1 szt.
—
10
3605133530
Uchwyt Miski
36,00 zł
1 szt.
—
11
3601010519
Wkład
Zapytaj
1 szt.
—
12
3601010521
Osłona
8,36 zł
1 szt.
—
13
2610912599
WYRZUTNIK STRÓŻYN
Zapytaj
1 szt.
—
14
2607200251
Wyłącznik
44,53 zł
1 szt.
—
15
2601035001
Uchwyt Przewodu
9,00 zł
1 szt.
—
17
3600703512
Końcówka
Zapytaj
1 szt.
—
19
3604445518
PRZEWÓD ŁĄCZĄCY
15,00 zł
1 szt.
—
20
3604445519
PRZEWÓD ŁĄCZĄCY
15,00 zł
1 szt.
—
21
3600150501
Podkładka Sprężysta
9,00 zł
1 szt.
—
22
1600900088
Łożysko Kulkowe
25,00 zł
1 szt.
—
23
3600905513
Prowadzenie Toczne
44,00 zł
1 szt.
—
24
3600034506
Blacha Przytrzymująca
Zapytaj
1 szt.
—
25
3603300502
Nakrętka Sześciokątna
Zapytaj
1 szt.
—
26
3601007504
Izolator
Zapytaj
2 szt.
—
27
2915011005
Nakrętka Sześciokątna
8,00 zł
2 szt.
—
30
2610910566
Wkręt Do Blach
5,41 zł
15 szt.
—
33
3601021510
Płytka Wibracyjna
Zapytaj
1 szt.
—
34
3604651502
Sprężyna Skrętowa
9,00 zł
1 szt.
—
35
3603415556
Wkręt Szyjkowy
11,00 zł
3 szt.
—
36
3603231539
Guzik
9,00 zł
1 szt.
—
37
3600209500
PIERŚCIEŃ KONTROLNY
15,00 zł
3 szt.
—
38
3600100528
Podkładka Sprężysta
8,00 zł
1 szt.
—
39
3600100527
Szyba
11,00 zł
2 szt.
—
40
3600360507
Tulejka Ustawcza
Zapytaj
1 szt.
—
41
3600400507
ZATYCZKA
13,00 zł
1 szt.
—
42
2916690003
Pierścień Sprężysty
8,00 zł
2 szt.
—
43
3602000510
DŹWIGNIA ZAMYKAJĄCA
12,00 zł
1 szt.
—
44
3603450504
Rygiel
21,00 zł
1 szt.
—
45
3604651503
SPRĘŻYNA
11,00 zł
1 szt.
—
46
3600232503
Ogran. Miernika Głębok.
Zapytaj
1 szt.
—
47
2600590006
Kołpak Ustalający
9,00 zł
1 szt.
—
48
3916060500
Podkładka Sprężysta
8,00 zł
1 szt.
—
49
2910641122
Wkręt Soczewkowy
7,13 zł
4 szt.
—
50
1613480008
Śruba Skrzydełkowa
9,00 zł
1 szt.
—
51
3603211501
Guzik
12,00 zł
1 szt.
—
52
3600240500
Tuleja Blokująca
22,00 zł
1 szt.
—
53
3604648504
Sprężyna Ściągająca
Zapytaj
1 szt.
—
54
2610915161
Śruba
8,36 zł
3 szt.
—
55
2916650003
Pierścień Zabezpieczajacy
9,00 zł
1 szt.
—
57
3604613508
Sprężyna Dociskowa
Zapytaj
1 szt.
—
58
3603120502
Element Prowadzący
7,13 zł
1 szt.
—
59
3605510548
Osłona Mieszkowa
22,00 zł
2 szt.
—
61
1604477005
Wtyczka Płaska
9,00 zł
2 szt.
—
62
3604680502
Pierścień Mocujący
9,00 zł
1 szt.
—
63
2610991306
Wkręt Do Blach
9,00 zł
2 szt.
—
73
3601119757
Tabliczka Znamionowa
17,10 zł
1 szt.
—
74
2603490017
Wkręt Soczewkowy Torx
11,00 zł
4 szt.
—
83
1903230007
Kula
9,00 zł
1 szt.
—
85
3600210507
Pierścień Samouszczeln.
9,00 zł
1 szt.
—
89
2610996090
Pierścień Nastawczy
Zapytaj
1 szt.
—
91
1610210233
Pierścień Samouszczeln.
13,00 zł
1 szt.
—
16/1
3604477009
Tuleja Końcowa Żyły
12,00 zł
2 szt.
—
731
2608570103
Szczypce Do Rozpierania
Zapytaj
1 szt.
—
804
2610907863
Obudowa
Zapytaj
1 szt.
—
807
3605702598
Cokół
Zapytaj
1 szt.
—
810
3601119779
Tabliczka Znamionowa
Zapytaj
1 szt.
—
816
3604460640
Przewód Zasil. Sieciowy
68,63 zł
1 szt.
—
818
3604336506
Uchwyt Szczotek
Zapytaj
1 szt.
—
828
2610907864
DRĄŻEK
39,00 zł
1 szt.
—
829
2610907865
Wskazówka
Zapytaj
1 szt.
—
650/3
2610992417
Klucz Szczękowy Jednostr.
59,00 zł
1 szt.
—
818/3
2610007957
Zestaw Szczotek Węglowych
36,00 zł
1 szt.
—
818/4
3604652501
Sprężyna
11,07 zł
1 szt.
—