Części
Maszyny
Kontakt
Home
Maszyny
Frezarka
Bosch
FREZARKA GÓRNOWRZECIONOWA 1613AEVS
0601613639 -
FREZARKA GÓRNOWRZECIONOWA Bosch 1613AEVS
100%
Poz:
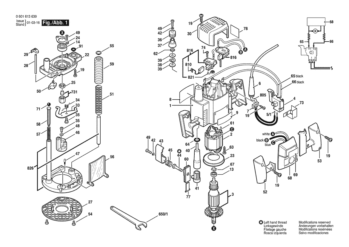
1
2
3
4
6
7
8
9
13
14
19
22
23
24
25
27
28
29
30
33
34
35
36
37
38
39
40
41
42
43
44
45
46
47
48
49
50
5/1
51
52
53
54
55
56
57
58
59
60
61
62
63
64
65
66
67
68
69
71
73
74
77
78
91
731
805
810
816
821
826
650/1
70 części
Sortuj
Poz.
Nr kat.
Nazwa
Cena brutto
Ilość
Zamów
1
3605108584
Kadłub Silnika
119,06 zł
1 szt.
—
2
2610934202
Stojan
255,84 zł
1 szt.
—
3
2610934201
Twornik
702,00 zł
1 szt.
—
4
2607200251
Wyłącznik
44,53 zł
1 szt.
—
6
3600703512
Końcówka
Zapytaj
1 szt.
—
7
2601035001
Uchwyt Przewodu
9,00 zł
1 szt.
—
8
2610907705
Tabliczka Znamionowa
Zapytaj
1 szt.
—
9
2610998941
Etykieta
Zapytaj
1 szt.
—
13
3600905513
Prowadzenie Toczne
44,00 zł
1 szt.
—
14
1600900088
Łożysko Kulkowe
25,00 zł
1 szt.
—
19
2610910566
Wkręt Do Blach
5,41 zł
15 szt.
—
22
2610997096
Obudowa
214,00 zł
1 szt.
—
23
3600590508
Pierścień Kier. Powietrza
12,00 zł
1 szt.
—
24
2916011892
Podkładka
8,00 zł
2 szt.
—
25
3603300502
Nakrętka Sześciokątna
Zapytaj
1 szt.
—
27
2610997099
Płyta Osłaniająca
74,00 zł
1 szt.
—
28
2610997093
DRĄŻEK
22,00 zł
1 szt.
—
29
2610997094
Wskazówka
18,08 zł
1 szt.
—
30
3605500598
Pokrywa Obudowy
Zapytaj
1 szt.
—
33
3601021510
Płytka Wibracyjna
Zapytaj
1 szt.
—
34
3604651502
Sprężyna Skrętowa
9,00 zł
1 szt.
—
35
3603415556
Wkręt Szyjkowy
11,00 zł
3 szt.
—
36
3603231539
Guzik
9,00 zł
1 szt.
—
37
3600209500
PIERŚCIEŃ KONTROLNY
15,00 zł
1 szt.
—
38
3600100528
Podkładka Sprężysta
8,00 zł
1 szt.
—
39
3600100527
Szyba
11,00 zł
2 szt.
—
40
3600360507
Tulejka Ustawcza
Zapytaj
1 szt.
—
41
3600400507
ZATYCZKA
13,00 zł
1 szt.
—
42
2916690003
Pierścień Sprężysty
8,00 zł
2 szt.
—
43
3602000510
DŹWIGNIA ZAMYKAJĄCA
12,00 zł
1 szt.
—
44
3603450504
Rygiel
21,00 zł
1 szt.
—
45
3604651503
SPRĘŻYNA
11,00 zł
1 szt.
—
46
3600232503
Ogran. Miernika Głębok.
Zapytaj
1 szt.
—
47
2600590006
Kołpak Ustalający
9,00 zł
1 szt.
—
48
3916060500
Podkładka Sprężysta
8,00 zł
1 szt.
—
49
2910641122
Wkręt Soczewkowy
7,13 zł
4 szt.
—
50
1613480008
Śruba Skrzydełkowa
9,00 zł
1 szt.
—
5/1
3604477009
Tuleja Końcowa Żyły
12,00 zł
2 szt.
—
51
2610997100
Sprężyna Dociskowa
Zapytaj
1 szt.
—
52
3605133531
Uchwyt Miski
36,00 zł
1 szt.
—
53
3605133530
Uchwyt Miski
36,00 zł
1 szt.
—
54
2610915161
Śruba
8,36 zł
3 szt.
—
55
2916650003
Pierścień Zabezpieczajacy
9,00 zł
1 szt.
—
56
2610912599
WYRZUTNIK STRÓŻYN
Zapytaj
1 szt.
—
57
3604613508
Sprężyna Dociskowa
Zapytaj
1 szt.
—
58
3603120502
Element Prowadzący
7,13 zł
1 szt.
—
59
3605510548
Osłona Mieszkowa
22,00 zł
2 szt.
—
60
3601010519
Wkład
Zapytaj
1 szt.
—
61
1604477005
Wtyczka Płaska
9,00 zł
2 szt.
—
62
3604680502
Pierścień Mocujący
9,00 zł
1 szt.
—
63
2610991306
Wkręt Do Blach
9,00 zł
2 szt.
—
64
3600210507
Pierścień Samouszczeln.
9,00 zł
1 szt.
—
65
3604445518
PRZEWÓD ŁĄCZĄCY
15,00 zł
1 szt.
—
66
3604445519
PRZEWÓD ŁĄCZĄCY
15,00 zł
1 szt.
—
67
3600150501
Podkładka Sprężysta
9,00 zł
1 szt.
—
68
1607233152
Regulator Prędk. Obrotow.
461,25 zł
1 szt.
—
69
3601119816
Tabliczka Informacyjna
15,00 zł
1 szt.
—
71
1903230007
Kula
9,00 zł
1 szt.
—
73
2610996090
Pierścień Nastawczy
Zapytaj
1 szt.
—
74
2603490017
Wkręt Soczewkowy Torx
11,00 zł
4 szt.
—
77
3601010521
Osłona
8,36 zł
1 szt.
—
78
3601007504
Izolator
Zapytaj
2 szt.
—
91
1610210233
Pierścień Samouszczeln.
13,00 zł
1 szt.
—
731
2610001496
MONTAŻ
84,00 zł
1 szt.
—
805
3604460514
Przewód Zasil. Sieciowy
66,00 zł
1 szt.
—
810
2610007957
Zestaw Szczotek Węglowych
36,00 zł
1 szt.
—
816
2610013632
Uchwyt Szczotek
105,00 zł
1 szt.
—
821
3604652501
Sprężyna
11,07 zł
1 szt.
—
826
2610997115
Podwozie
Zapytaj
1 szt.
—
650/1
2610992417
Klucz Szczękowy Jednostr.
59,00 zł
1 szt.
—