Części
Maszyny
Kontakt
Home
Maszyny
Akumulatory
DeWalt
Narzędzie akumulatorowe
DC945K-Type-10 -
Narzędzie akumulatorowe DeWalt
100%
Poz:
1
2
3
3
4
5
6
7
8
9
10
11
12
13
14
15
16
17
18
19
20
21
22
23
24
25
26
28
30
31
33
35
40
41
42
43
44
45
50
55
817
836
836
836
836
861
866
870
48 części
Sortuj
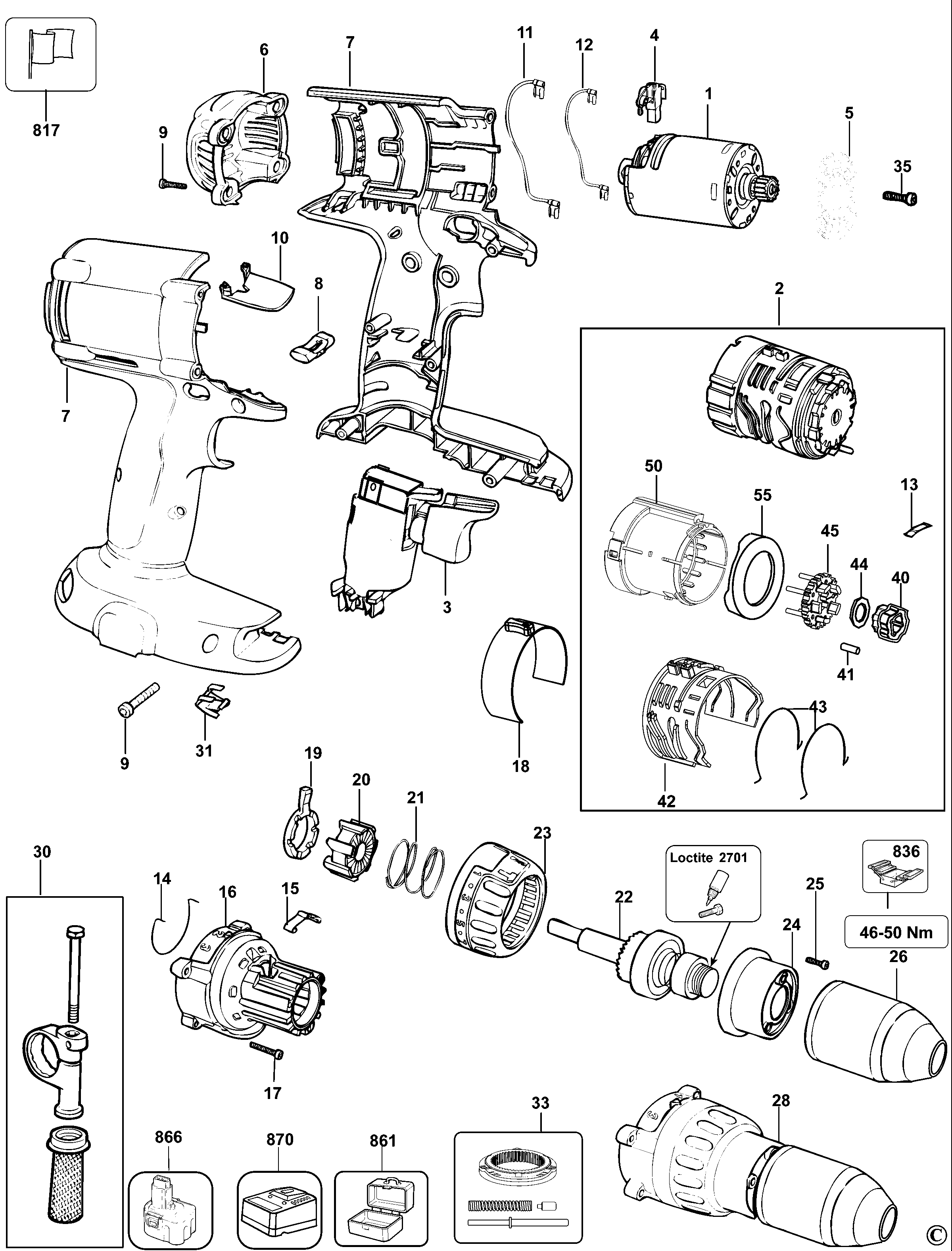
Poz.
Nr kat.
Nazwa
Cena brutto
Ilość
Zamów
1
493508-00
Silnik - Podzespół
Zapytaj
1 szt.
—
2
N021724
Skrzynka Przekładniowa - Podzespół
Zapytaj
1 szt.
—
3
N030556
Wyłącznik - Zestaw
Zapytaj
1 szt.
—
3
N060484
Przełącznik
Zapytaj
1 szt.
—
4
493511-00
Para Szczotek
Zapytaj
1 szt.
—
5
629172-00
Złączka
Zapytaj
1 szt.
—
6
629823-00
Zakończenie
Zapytaj
1 szt.
—
7
493512-00
Para Szczęk
Zapytaj
1 szt.
—
8
633327-02
Urządzenie Uruchamiające Do Przodu/Do Tyłu
Zapytaj
1 szt.
—
9
682211-00
Śruba
7,00 zł
1 szt.
—
10
636634-00
Osłona
Zapytaj
1 szt.
—
11
631282-01
Lead Purple
Zapytaj
1 szt.
—
12
631283-01
Lead Brown
Zapytaj
1 szt.
—
13
608060-00
Zapadka
Zapytaj
1 szt.
—
14
399059-00
Sprężyna
Zapytaj
1 szt.
—
15
395460-00
Prowadzenie Sprężyny
7,00 zł
1 szt.
—
16
493547-00
Osłona
Zapytaj
1 szt.
—
17
330019-62
Śruba
7,00 zł
1 szt.
—
18
629918-01
Tarcza Wzmacniająca
Zapytaj
1 szt.
—
19
394545-00
Krzywka
Zapytaj
1 szt.
—
20
394542-00
Zapadka Blokowana
Zapytaj
1 szt.
—
21
394546-00
Sprężyna
Zapytaj
1 szt.
—
22
493573-00
Wrzeciono - Podzespół
Zapytaj
1 szt.
—
23
1005638-00
Pierścień - Podzespół
Zapytaj
1 szt.
—
24
609133-00
Zakończenie
Zapytaj
1 szt.
—
25
330019-00
Śruba
7,00 zł
1 szt.
—
26
330075-90
Uchwyt Bezkluczykowy
Zapytaj
1 szt.
—
28
493575-00
Zestaw Naprawczy
Zapytaj
1 szt.
—
30
939794-02
Uchwyt Boczny - Podzespół
51,00 zł
1 szt.
—
31
148354-03
Uchwyt
7,00 zł
1 szt.
—
33
N021723
Zestaw Naprawczy
Zapytaj
1 szt.
—
35
156179-01
Śruba
7,00 zł
1 szt.
—
40
394532-00
Kowadło
Zapytaj
1 szt.
—
41
330041-43
Kołek
Zapytaj
1 szt.
—
42
629088-01
Nakładka
Zapytaj
1 szt.
—
43
629825-00
Stalówka
Zapytaj
1 szt.
—
44
603689-00
Tłumik Drgań
Zapytaj
1 szt.
—
45
629076-00
Nośnik
Zapytaj
1 szt.
—
50
629073-00
Skrzynka Przekładni
Zapytaj
1 szt.
—
55
629078-00
Ustalacz
Zapytaj
1 szt.
—
817
578037-00
Etykieta Towarowa
Zapytaj
1 szt.
—
836
559662-99
Przyrząd Do Zdejmowania Uchwytu
122,00 zł
1 szt.
—
836
559697-99
Wkładka
173,00 zł
1 szt.
—
836
559661-99
Przyrząd Do Zdejmowania Uchwytu
217,00 zł
1 szt.
—
836
559665-99
Przyrząd Do Zdejmowania Uchwytu
Zapytaj
1 szt.
—
861
640040-01
Skrzynka Zestawu
Zapytaj
1 szt.
—
866
1006626-00
Battery 12V - 2.4Ah
Zapytaj
1 szt.
—
870
1006634-00
Charger 220V
Zapytaj
1 szt.
—