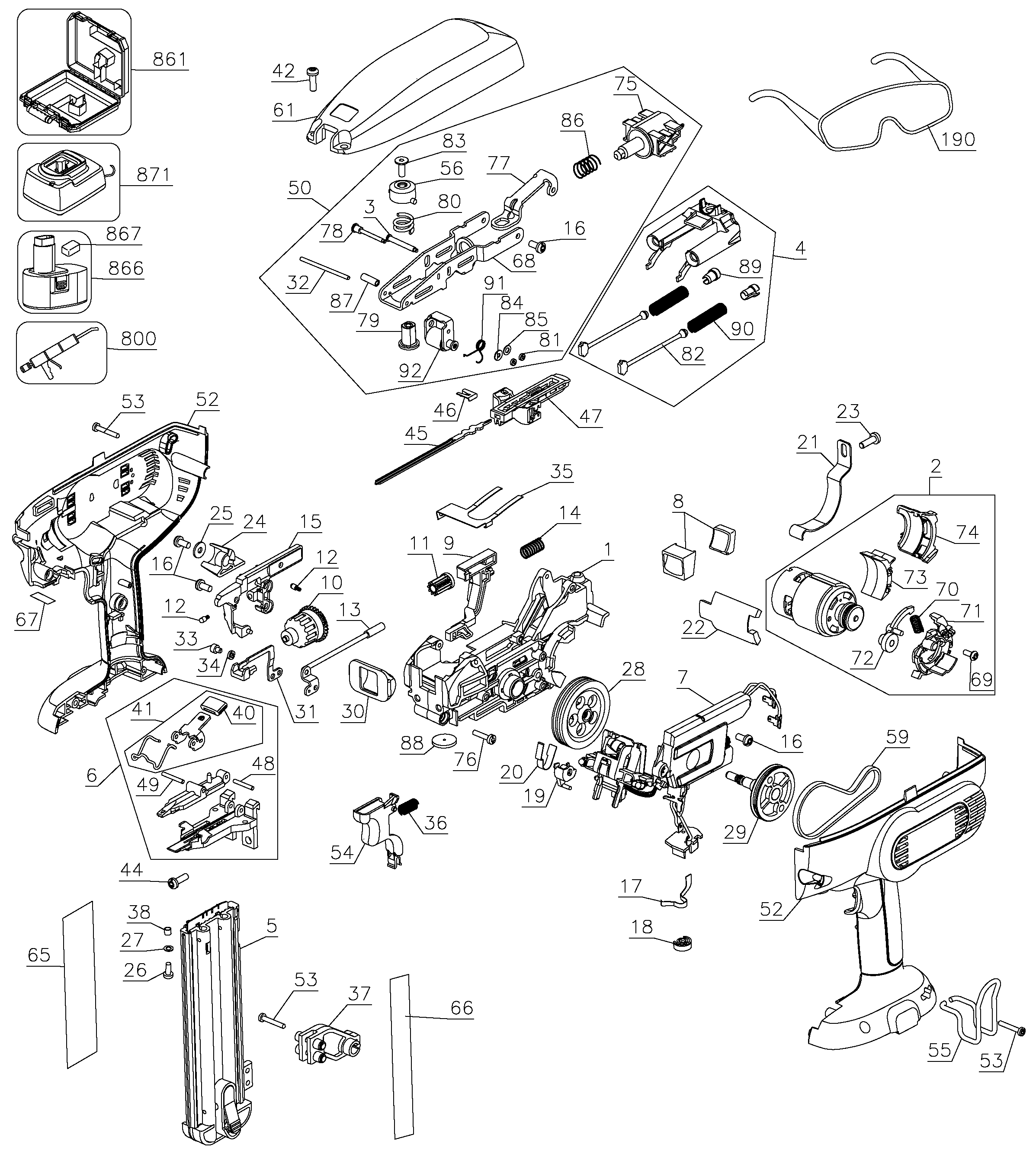
Części
Maszyny
Kontakt
Home
Maszyny
Akumulatory
DeWalt
Narzędzie akumulatorowe
DC608K-Type-1 -
Narzędzie akumulatorowe DeWalt
100%
Poz:
1
2
3
4
5
6
7
8
9
10
11
12
13
14
15
16
17
18
19
20
21
22
23
24
25
26
27
28
29
30
31
32
33
34
35
36
37
38
40
41
42
44
45
46
47
48
49
50
52
53
54
55
56
59
61
65
66
67
68
69
70
71
72
73
74
75
76
77
78
79
80
81
82
83
84
85
86
87
88
89
90
91
92
99
190
800
861
866
867
871
90 części
Sortuj
Poz.
Nr kat.
Nazwa
Cena brutto
Ilość
Zamów
1
631990-00SV
Backbone Assembly
Zapytaj
1 szt.
—
2
647712-00SV
MOTOR & PINION ASSY
Zapytaj
1 szt.
—
3
633207-00
Kołek
9,00 zł
1 szt.
—
4
648024-00SV
Montaż Zestawu Zwrotnego
Zapytaj
1 szt.
—
5
646665-00
Magazyn - Podzespół
Zapytaj
1 szt.
—
6
646666-00
Czubek - Podzespół
Zapytaj
1 szt.
—
7
N010050
Moduł Sterowania - Podzespół
Zapytaj
1 szt.
—
8
613869-00SV
Odbój
Zapytaj
1 szt.
—
9
637597-00
Gniazdo
Zapytaj
1 szt.
—
10
637596-00
Gałka
Zapytaj
1 szt.
—
11
637599-00
Wałek Zębaty
Zapytaj
1 szt.
—
12
326467-00
Zapadka
7,00 zł
1 szt.
—
13
N002689
Styk Trip
Zapytaj
1 szt.
—
14
644507-00
Sprężyna
16,00 zł
1 szt.
—
15
N009890
Pokrywa
Zapytaj
1 szt.
—
16
613619-03
Śruba
7,00 zł
1 szt.
—
17
638317-00
Łącznik
Zapytaj
1 szt.
—
18
639070-00
Piasta
Zapytaj
1 szt.
—
19
639246-00
Łącznik
Zapytaj
1 szt.
—
20
639247-00
Sprężyna
Zapytaj
1 szt.
—
21
638678-00
Płyta Dociskowa
Zapytaj
1 szt.
—
22
640432-00
Podkładka
Zapytaj
1 szt.
—
23
609932-01
Śruba
7,00 zł
1 szt.
—
24
641296-00
Mieszadło
Zapytaj
1 szt.
—
25
651644-00
Podkładka
Zapytaj
1 szt.
—
26
330045-69
Śruba
12,00 zł
1 szt.
—
27
398218-00
Podkładka
7,00 zł
1 szt.
—
28
631987-00
Koło Zamachowe
Zapytaj
1 szt.
—
29
631995-00
Koło Pasowe - Podzespół
Zapytaj
1 szt.
—
30
90641347
Odbój
24,00 zł
1 szt.
—
31
646254-00
Gniazdo
Zapytaj
1 szt.
—
32
330041-61
Wałek Wrzeciona
7,00 zł
1 szt.
—
33
330045-68
Śruba
Zapytaj
1 szt.
—
34
098197-03
Podkładka Blokująca
7,00 zł
1 szt.
—
35
650225-00
Płyta
Zapytaj
1 szt.
—
36
653099-00
Sprężyna
Zapytaj
1 szt.
—
37
639696-00
Złącze
Zapytaj
1 szt.
—
38
395505-00
Panew
7,00 zł
1 szt.
—
40
395093-00
Uchwyt
9,00 zł
1 szt.
—
41
607178-00
Zaczep
Zapytaj
1 szt.
—
42
609932-01
Śruba
7,00 zł
1 szt.
—
44
613619-02
Śruba
14,00 zł
1 szt.
—
45
635241-00
Brzeszczot - Podzespół
Zapytaj
1 szt.
—
46
392206-00
Klips
7,00 zł
1 szt.
—
47
632232-00
Profil
Zapytaj
1 szt.
—
48
330036-24
Kołek Okrągły
Zapytaj
1 szt.
—
49
330036-22
Kołek Okrągły
Zapytaj
1 szt.
—
50
N391356
Montaż Cewki
Zapytaj
1 szt.
—
52
648060-00
Chwytak Dwuszczękowy - Zestaw
Zapytaj
1 szt.
—
53
330019-05
Śruba
7,00 zł
1 szt.
—
54
640344-00
Język Spustowy
Zapytaj
1 szt.
—
55
632382-00
Hak
Zapytaj
1 szt.
—
56
644209-00
Sprężyna
Zapytaj
1 szt.
—
59
650935-00
Prowadnica Paska
Zapytaj
1 szt.
—
61
639123-00
Pokrywa
Zapytaj
1 szt.
—
65
N050559
Tabliczka Znamionowa
Zapytaj
1 szt.
—
66
623351-00
Etykieta
Zapytaj
1 szt.
—
67
632383-00
Etykieta
Zapytaj
1 szt.
—
68
633206-00
Sanie Wzdłużne
Zapytaj
1 szt.
—
69
330045-05
Śruba
7,00 zł
1 szt.
—
70
639189-00
Sprężyna
Zapytaj
1 szt.
—
71
639186-00
Transmission Assembly
Zapytaj
1 szt.
—
72
647713-00SV
Montaż Koła Pasowego Luźnego
Zapytaj
1 szt.
—
73
640444-00
Osłona
Zapytaj
1 szt.
—
74
640455-00
Osłona
Zapytaj
1 szt.
—
75
633021-00
Montaż Cewki
Zapytaj
1 szt.
—
76
613619-00
Śruba
7,00 zł
1 szt.
—
77
644206-00
Sprężyna
Zapytaj
1 szt.
—
78
638872-00
Kołek
Zapytaj
1 szt.
—
79
644205-00
Stanowisko
Zapytaj
1 szt.
—
80
644213-00
Sprężyna
Zapytaj
1 szt.
—
81
391814-00
Przelotka
7,00 zł
1 szt.
—
82
392243-00
Taśma
24,00 zł
1 szt.
—
83
N001440
Śruba
Zapytaj
1 szt.
—
84
330016-26
Podkładka
7,00 zł
1 szt.
—
85
330016-25
Podkładka
7,00 zł
1 szt.
—
86
644210-00
Sprężyna
Zapytaj
1 szt.
—
87
645151-00
Tuleja
Zapytaj
1 szt.
—
88
624913-00
Tarcza
Zapytaj
1 szt.
—
89
392242-00
Ogranicznik
7,00 zł
1 szt.
—
90
392236-02
Sprężyna
7,00 zł
1 szt.
—
91
N009845
Drążek Skrętny
Zapytaj
1 szt.
—
92
647895-00SV
Carrier Assy.
Zapytaj
1 szt.
—
99
N015371
Etykieta
Zapytaj
1 szt.
—
190
629042-01
Okulary Ochronne
Zapytaj
1 szt.
—
800
5140024-25
Smar
Zapytaj
1 szt.
—
861
650354-00
Skrzynka Zestawu
Zapytaj
1 szt.
—
866
DE9096
Battery 18V - 2.4Ah
Zapytaj
1 szt.
—
867
645221-00
Kołpak
7,00 zł
1 szt.
—
871
DE9116
Ładowarka 7.2V - 18V
Zapytaj
1 szt.
—