Części
Maszyny
Kontakt
Home
Maszyny
Akumulatory
DeWalt
Narzędzie akumulatorowe
DC800KL-Type-1 -
Narzędzie akumulatorowe DeWalt
100%
Poz:
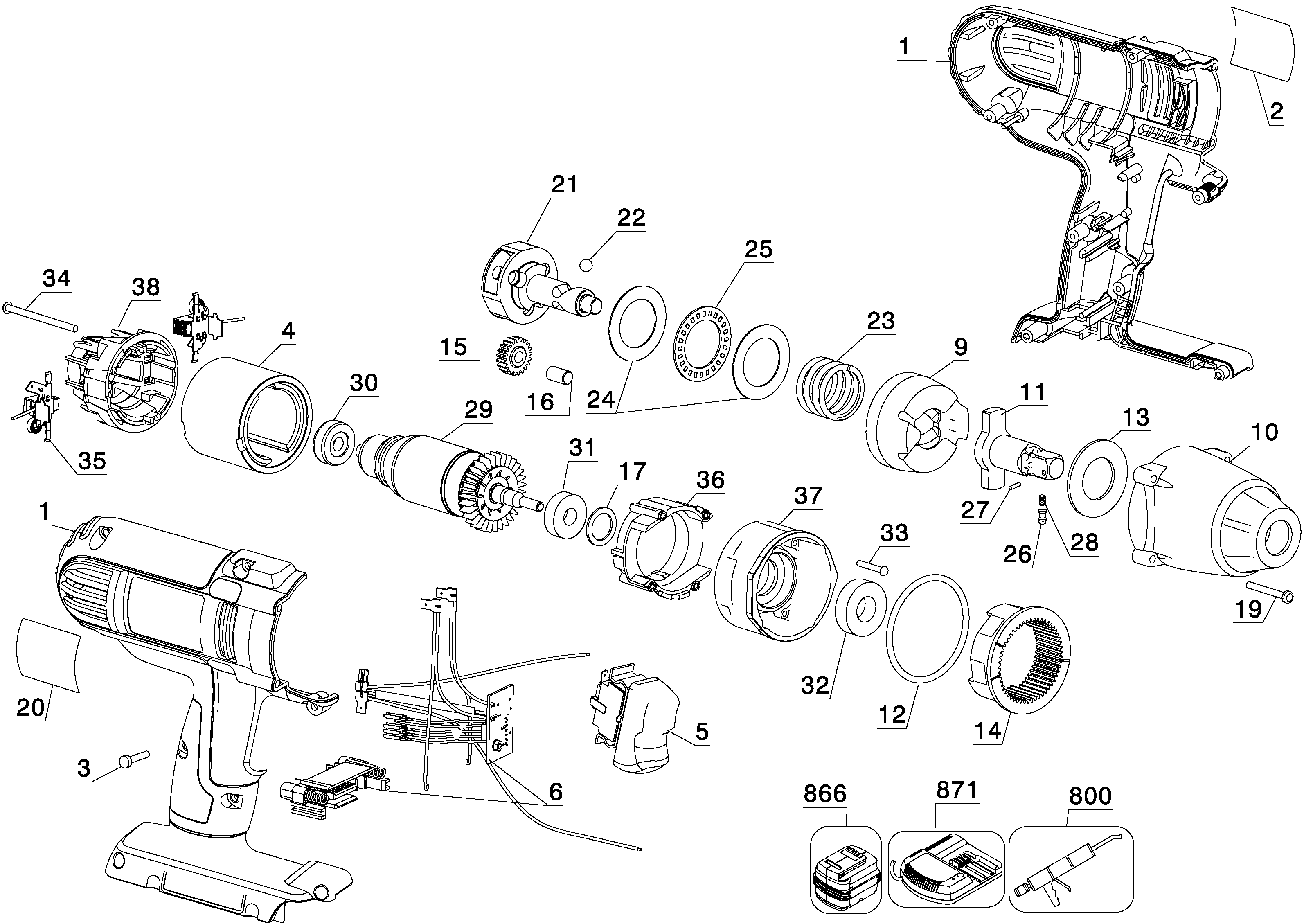
1
2
3
4
5
6
9
10
11
12
13
14
15
16
17
19
20
21
22
23
24
25
26
27
28
29
30
31
32
33
34
35
36
37
38
800
800
866
871
39 części
Sortuj
Poz.
Nr kat.
Nazwa
Cena brutto
Ilość
Zamów
1
633412-00
Chwytak Dwuszczękowy - Zestaw
102,00 zł
1 szt.
—
2
637843-00
Nalepka Znamionowa
Zapytaj
1 szt.
—
3
330019-04
Śruba
7,00 zł
1 szt.
—
4
611202-00SV
Magnes
Zapytaj
1 szt.
—
5
610552-00SV
Wyłącznik - Podzespół
Zapytaj
1 szt.
—
6
636747-00
Zacisk I Przewód
Zapytaj
1 szt.
—
9
610023-00
Impaktor
Zapytaj
1 szt.
—
10
615803-00SV
Beczka
Zapytaj
1 szt.
—
11
615801-00SV
Montaż Kowadła
Zapytaj
1 szt.
—
12
610542-00
O-Ring
Zapytaj
1 szt.
—
13
610539-00
Podkładka Oporowa
Zapytaj
1 szt.
—
14
648605-00
Przekładnia
Zapytaj
1 szt.
—
15
610545-00
Przekładnia
9,00 zł
1 szt.
—
16
611316-00
Kołek Okrągły
Zapytaj
1 szt.
—
17
611488-00
Podkładka
Zapytaj
1 szt.
—
19
330019-06
Śruba
7,00 zł
1 szt.
—
20
N090343
Tabliczka Znamionowa
Zapytaj
1 szt.
—
21
610544-00
Nośnik
Zapytaj
1 szt.
—
22
005190-00
Kulka Stalowa
Zapytaj
1 szt.
—
23
613461-00
Sprężyna
Zapytaj
1 szt.
—
24
613724-00
Podkładka Oporowa
Zapytaj
1 szt.
—
25
610541-00
Łożysko Oporowe
Zapytaj
1 szt.
—
26
N020802
Zapadka
14,00 zł
1 szt.
—
27
099205-07
Kołek Okrągły
15,00 zł
1 szt.
—
28
038769-00
Sprężyna
7,00 zł
1 szt.
—
29
N360880
Twornik 36V
Zapytaj
1 szt.
—
30
391032-00
Łożysko I Uszczaelnienie
24,00 zł
1 szt.
—
31
605040-17
Łożysko Ball
38,00 zł
1 szt.
—
32
605040-25
Bearing,Ball
18,00 zł
1 szt.
—
33
330019-49
Śruba
Zapytaj
1 szt.
—
34
330019-25
Śruba
7,00 zł
1 szt.
—
35
610126-00
Zestaw Ze Szczotkami - Podzespół
21,00 zł
1 szt.
—
36
610550-00
Baffle Fan
Zapytaj
1 szt.
—
37
611205-00
Skrzynka Przekładni
Zapytaj
1 szt.
—
38
N171820
Podpora Łożyska
Zapytaj
1 szt.
—
800
N017298
Smar
170,00 zł
1 szt.
—
800
286436-00
Smar
709,00 zł
1 szt.
—
866
DE9360
Battery 36V - 2.2Ah
Zapytaj
1 szt.
—
871
DE9000-QW
Ładowarka
Zapytaj
1 szt.
—