Części
Maszyny
Kontakt
Home
Maszyny
Ładowarki
DeWalt
Ładowarka
DW981-Type-11 -
Ładowarka DeWalt
100%
Poz:
1
2
3
4
5
6
7
8
9
10
11
12
13
14
15
16
17
18
19
20
21
22
23
24
25
26
27
28
29
29
31
32
33
40
45
50
800
817
38 części
Sortuj
Poz.
Nr kat.
Nazwa
Cena brutto
Ilość
Zamów
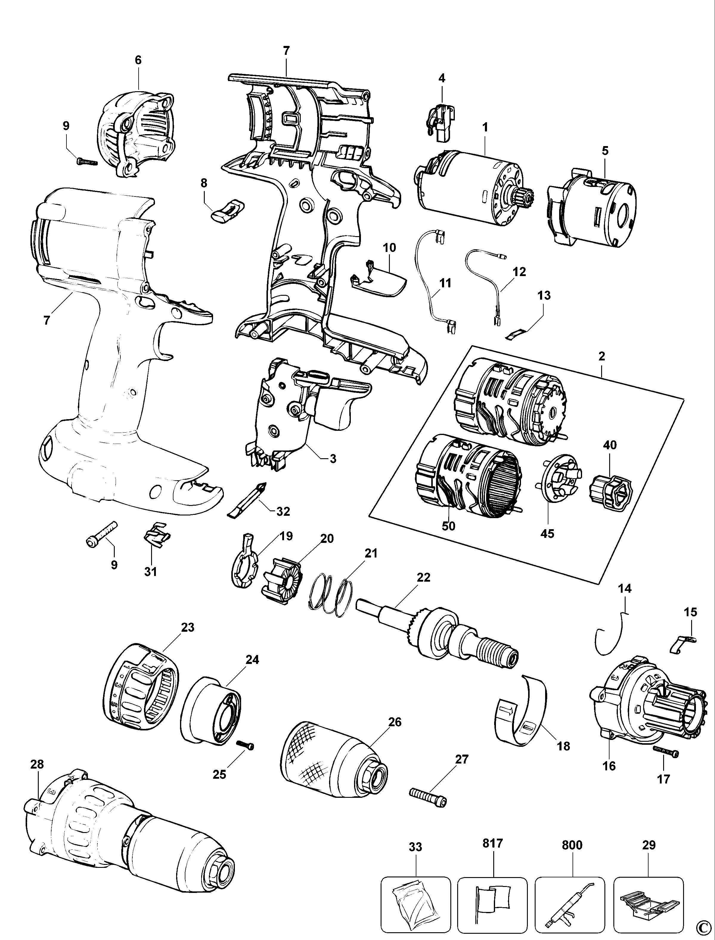
1
579724-03
Silnik I Wałek Zębaty
Zapytaj
1 szt.
—
2
583013-00
Skrzynka Przekładniowa - Podzespół
Zapytaj
1 szt.
—
3
368832-09
Wyłącznik - Podzespół
Zapytaj
1 szt.
—
4
493511-00
Para Szczotek
Zapytaj
1 szt.
—
5
394514-01
Złączka
Zapytaj
1 szt.
—
6
394513-00
Zakończenie
Zapytaj
1 szt.
—
7
394511-00
Chwytak Dwuszczękowy
Zapytaj
1 szt.
—
8
394517-00
Dźwignia
Zapytaj
1 szt.
—
9
682211-00
Śruba
7,00 zł
1 szt.
—
10
603529-00
Osłona
Zapytaj
1 szt.
—
11
398978-00
Przewód Zasilający
Zapytaj
1 szt.
—
12
398979-01
Przewód Zasilający
Zapytaj
1 szt.
—
13
608060-00
Zapadka
Zapytaj
1 szt.
—
14
399059-00
Sprężyna
Zapytaj
1 szt.
—
15
395460-00
Prowadzenie Sprężyny
7,00 zł
1 szt.
—
16
613767-01
Skrzynka Przekładni
Zapytaj
1 szt.
—
17
330019-49
Śruba
Zapytaj
1 szt.
—
18
394518-01
Tarcza Wzmacniająca
Zapytaj
1 szt.
—
19
394545-00
Krzywka
Zapytaj
1 szt.
—
20
394542-00
Zapadka Blokowana
Zapytaj
1 szt.
—
21
394546-00
Sprężyna
Zapytaj
1 szt.
—
22
579726-00
Wrzeciono - Podzespół
Zapytaj
1 szt.
—
23
604643-00
Pierścień
Zapytaj
1 szt.
—
24
609189-00
Zakończenie
Zapytaj
1 szt.
—
25
330045-53
Śruba
7,00 zł
1 szt.
—
26
N242399
Uchwyt Bezkluczykowy
170,00 zł
1 szt.
—
27
605256-02
Śruba
7,00 zł
1 szt.
—
28
579728-00
Zestaw Naprawczy
Zapytaj
1 szt.
—
29
559661-99
Przyrząd Do Zdejmowania Uchwytu
217,00 zł
1 szt.
—
29
559697-99
Wkładka
173,00 zł
1 szt.
—
31
148354-03
Uchwyt
7,00 zł
1 szt.
—
32
297757-02
Bit Phillips
8,00 zł
1 szt.
—
33
479938-00
Zestaw Naprawczy
Zapytaj
1 szt.
—
40
394532-00
Kowadło
Zapytaj
1 szt.
—
45
397302-00
Nośnik - Podzespół
Zapytaj
1 szt.
—
50
394522-02
Osłona
Zapytaj
1 szt.
—
800
808386-00
Smar
Zapytaj
1 szt.
—
817
578037-00
Etykieta Towarowa
Zapytaj
1 szt.
—