Części
Maszyny
Kontakt
Home
Maszyny
Ładowarki
DeWalt
Ładowarka
DW997K-Type-3 -
Ładowarka DeWalt
100%
Poz:
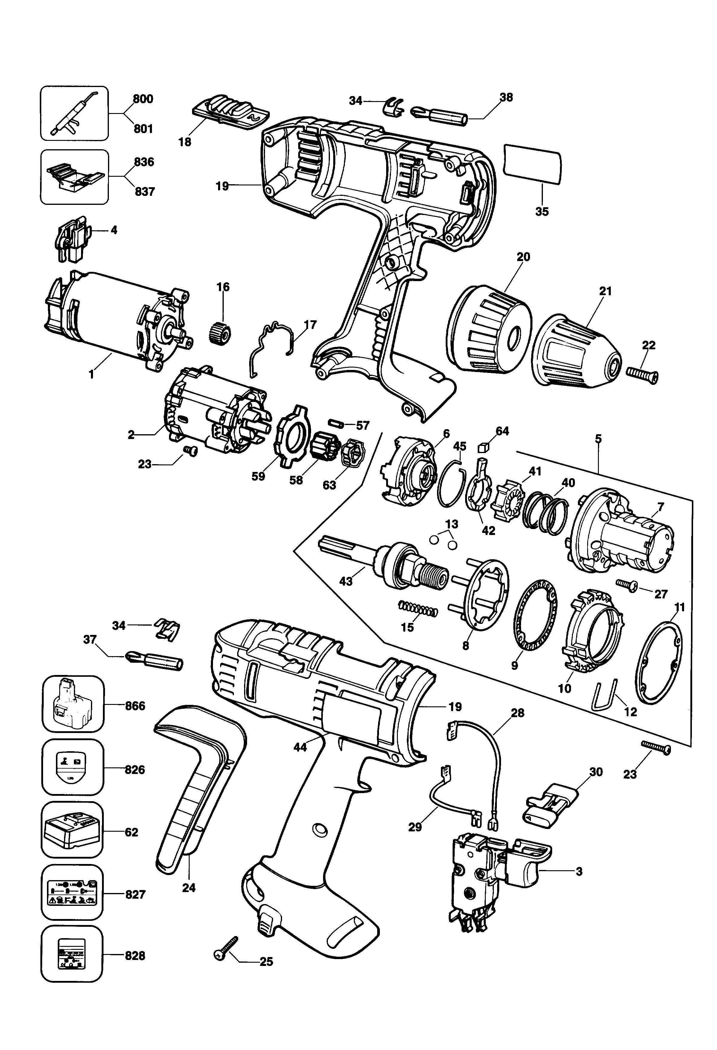
1
2
3
4
5
6
7
8
9
10
11
12
13
15
16
17
18
19
20
21
22
23
24
25
27
28
29
30
34
35
37
38
40
41
42
43
44
45
57
58
59
62
63
64
800
801
826
827
828
836
837
866
52 części
Sortuj
Poz.
Nr kat.
Nazwa
Cena brutto
Ilość
Zamów
1
580920-03
Silnik - Podzespół
Zapytaj
1 szt.
—
2
805080-25
Skrzynka Przekładniowa - Podzespół
Zapytaj
1 szt.
—
3
368832-06
Wyłącznik - Podzespół
Zapytaj
1 szt.
—
4
373091-02
Para Szczotek Sa
Zapytaj
1 szt.
—
5
573120-00
Moduł Wielofunkcyjny
Zapytaj
1 szt.
—
6
370506-01
Zakończenie - Podzespół
Zapytaj
1 szt.
—
7
798966-00
Osłona - Podzespół
Zapytaj
1 szt.
—
8
798963-01
Podpora
Zapytaj
1 szt.
—
9
798708
Płyta
Zapytaj
1 szt.
—
10
798709-00
Nakrętka
Zapytaj
1 szt.
—
11
805004-00
Podkładka
Zapytaj
1 szt.
—
12
798959-00
Klips
Zapytaj
1 szt.
—
13
386690-00
Kulka
7,00 zł
1 szt.
—
15
798707
Sprężyna
Zapytaj
1 szt.
—
16
380325-02
Wałek Zębaty
Zapytaj
1 szt.
—
17
799024
Sprężyna
Zapytaj
1 szt.
—
18
799025-04
Suwak
Zapytaj
1 szt.
—
19
585040-08
Osłona - Podzespół
Zapytaj
1 szt.
—
20
799013-01
Pierścień
Zapytaj
1 szt.
—
21
576703-01
Uchwyt Bezkluczykowy
Zapytaj
1 szt.
—
22
373793
Śruba Left 5X21
Zapytaj
1 szt.
—
23
733886
Śruba
Zapytaj
1 szt.
—
24
368838
Pokrywa Tylna
Zapytaj
1 szt.
—
25
747329
Śruba
7,00 zł
1 szt.
—
27
808821
Śruba
Zapytaj
1 szt.
—
28
388913-00
Lead Red
Zapytaj
1 szt.
—
29
373091-02
Para Szczotek Sa
Zapytaj
1 szt.
—
30
806057-06
Suwak
Zapytaj
1 szt.
—
34
798453
Ustalacz
Zapytaj
1 szt.
—
35
578760-00
Etykieta Towarowa
Zapytaj
1 szt.
—
37
297757-02
Bit Phillips
8,00 zł
1 szt.
—
38
297755-02
Bit Pozidrive
Zapytaj
1 szt.
—
40
799981-00
Sprężyna
Zapytaj
1 szt.
—
41
799980
Zapadka Blokowana
Zapytaj
1 szt.
—
42
799978
Krzywka
Zapytaj
1 szt.
—
43
573146-00
Wrzeciono - Podzespół
Zapytaj
1 szt.
—
44
569037-00
Tabliczka Znamionowa
18,00 zł
1 szt.
—
45
805002
Sprężyna
Zapytaj
1 szt.
—
57
809740
Wałeczek Igiełkowy
Zapytaj
1 szt.
—
58
372061
Kowadło
Zapytaj
1 szt.
—
59
371983
Pierścień Blokujący
Zapytaj
1 szt.
—
62
N015878
Ładowarka 7.2V - 18V
454,00 zł
1 szt.
—
63
372063
Tłumik Drgań
Zapytaj
1 szt.
—
64
373853
Wypełniacz
Zapytaj
1 szt.
—
800
808386-00
Smar
Zapytaj
1 szt.
—
801
805639
Smar 3Kg
Zapytaj
1 szt.
—
826
578763-00
Nalepka Znamionowa
Zapytaj
1 szt.
—
827
643500-00
Nalepka Uwaga
Zapytaj
1 szt.
—
828
583471-05
Plakietka Z Nazwą
Zapytaj
1 szt.
—
836
559500-99
Sprawdzian Szczelinowy
Zapytaj
1 szt.
—
837
559501-99
Tłocznik
Zapytaj
1 szt.
—
866
582627-00
Battery 18V - 2.4Ah
Zapytaj
1 szt.
—