Części
Maszyny
Kontakt
Home
Maszyny
Ładowarki
DeWalt
Ładowarka
DW938K-Type-1 -
Ładowarka DeWalt
100%
Poz:
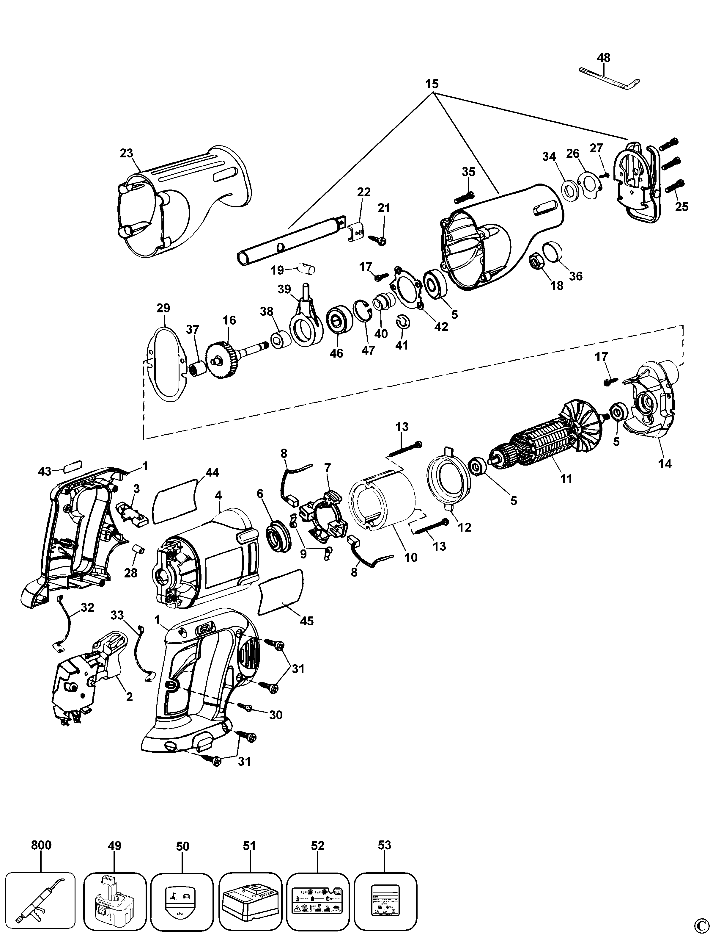
1
2
3
4
5
6
7
8
9
10
11
12
13
14
15
16
17
18
19
20
21
22
23
24
25
26
27
28
29
30
31
32
33
34
35
36
37
38
39
40
41
42
43
44
45
46
47
48
50
52
53
800
52 części
Sortuj
Poz.
Nr kat.
Nazwa
Cena brutto
Ilość
Zamów
1
613840-00
Chwytak Dwuszczękowy
Zapytaj
1 szt.
—
2
152274-19SV
Wyłącznik
Zapytaj
1 szt.
—
3
607100-00
Blokada Dźwigni
Zapytaj
1 szt.
—
4
382177-00
Skrzynka Pola
Zapytaj
1 szt.
—
5
605040-06
Bearing,Ball
15,00 zł
1 szt.
—
6
445217-02
Tuleja
7,00 zł
1 szt.
—
7
382178-01
Szczotka Frame
Zapytaj
1 szt.
—
8
387558-01
Szczotka I Prowadnica
Zapytaj
1 szt.
—
9
445860-00
Sprężyna Szczotki
7,00 zł
1 szt.
—
10
NA476958
Magnes
78,00 zł
1 szt.
—
11
429906-01
Silnik - Podzespół
Zapytaj
1 szt.
—
12
392415-00
Baffle Fan
Zapytaj
1 szt.
—
13
448269-00
Śruba
Zapytaj
1 szt.
—
14
382180-01
Pokrywa Skrzynki Przekładni - Podzespół
Zapytaj
1 szt.
—
15
429739-00
Skrzynka Przekładni - Podzespół
Zapytaj
1 szt.
—
16
383883-00
Przekładnia I Wrzeciono - Podzespół
Zapytaj
1 szt.
—
17
604609-00
Śruba
Zapytaj
1 szt.
—
18
382195-00
Nakrętka Lewa
Zapytaj
1 szt.
—
19
382187-00
Oś
Zapytaj
1 szt.
—
20
429739-00
Skrzynka Przekładni - Podzespół
Zapytaj
1 szt.
—
21
383657-00
Śruba
Zapytaj
1 szt.
—
22
382190-00
Zacisk Brzeszczotu
Zapytaj
1 szt.
—
23
382194-00
Bagażnik
Zapytaj
1 szt.
—
24
429739-00
Skrzynka Przekładni - Podzespół
Zapytaj
1 szt.
—
25
142940-00
Śruba
7,00 zł
1 szt.
—
26
382189-00
Ustalacz
Zapytaj
1 szt.
—
27
330045-43
Śruba
7,00 zł
1 szt.
—
28
383544-00
Wtyczka
Zapytaj
1 szt.
—
29
382626-00
Uszczelnienie
Zapytaj
1 szt.
—
30
330019-00
Śruba
7,00 zł
1 szt.
—
31
90611830
Śruba
7,00 zł
1 szt.
—
32
382629-00
Lead Black
Zapytaj
1 szt.
—
33
382630-00SV
Lead Red
Zapytaj
1 szt.
—
34
5140006-30
Uszczelniacz - Podzespół
Zapytaj
1 szt.
—
35
330019-15
Śruba
7,00 zł
1 szt.
—
36
383227-00
Kołpak
Zapytaj
1 szt.
—
37
093128-00
Łożysko Igiełkowe
9,00 zł
1 szt.
—
38
647342-00
Zestaw Naprawczy
Zapytaj
1 szt.
—
39
382196-00
Napęd
Zapytaj
1 szt.
—
40
647342-00
Zestaw Naprawczy
Zapytaj
1 szt.
—
41
058836-00
Ustalacz
Zapytaj
1 szt.
—
42
383668-00
Ustalacz
Zapytaj
1 szt.
—
43
382816-00
Nalepka Uwaga
Zapytaj
1 szt.
—
44
382813-00
Etykieta Towarowa
Zapytaj
1 szt.
—
45
385249-00
Tabliczka Znamionowa
Zapytaj
1 szt.
—
46
605040-25
Bearing,Ball
18,00 zł
1 szt.
—
47
99022-02
Pierścień Sprężynujący
Zapytaj
1 szt.
—
48
382851-00
Klucz Sześciokątny
Zapytaj
1 szt.
—
50
578763-00
Nalepka Znamionowa
Zapytaj
1 szt.
—
52
643500-00
Nalepka Uwaga
Zapytaj
1 szt.
—
53
583471-05
Plakietka Z Nazwą
Zapytaj
1 szt.
—
800
870889-02
Smar
51,00 zł
1 szt.
—